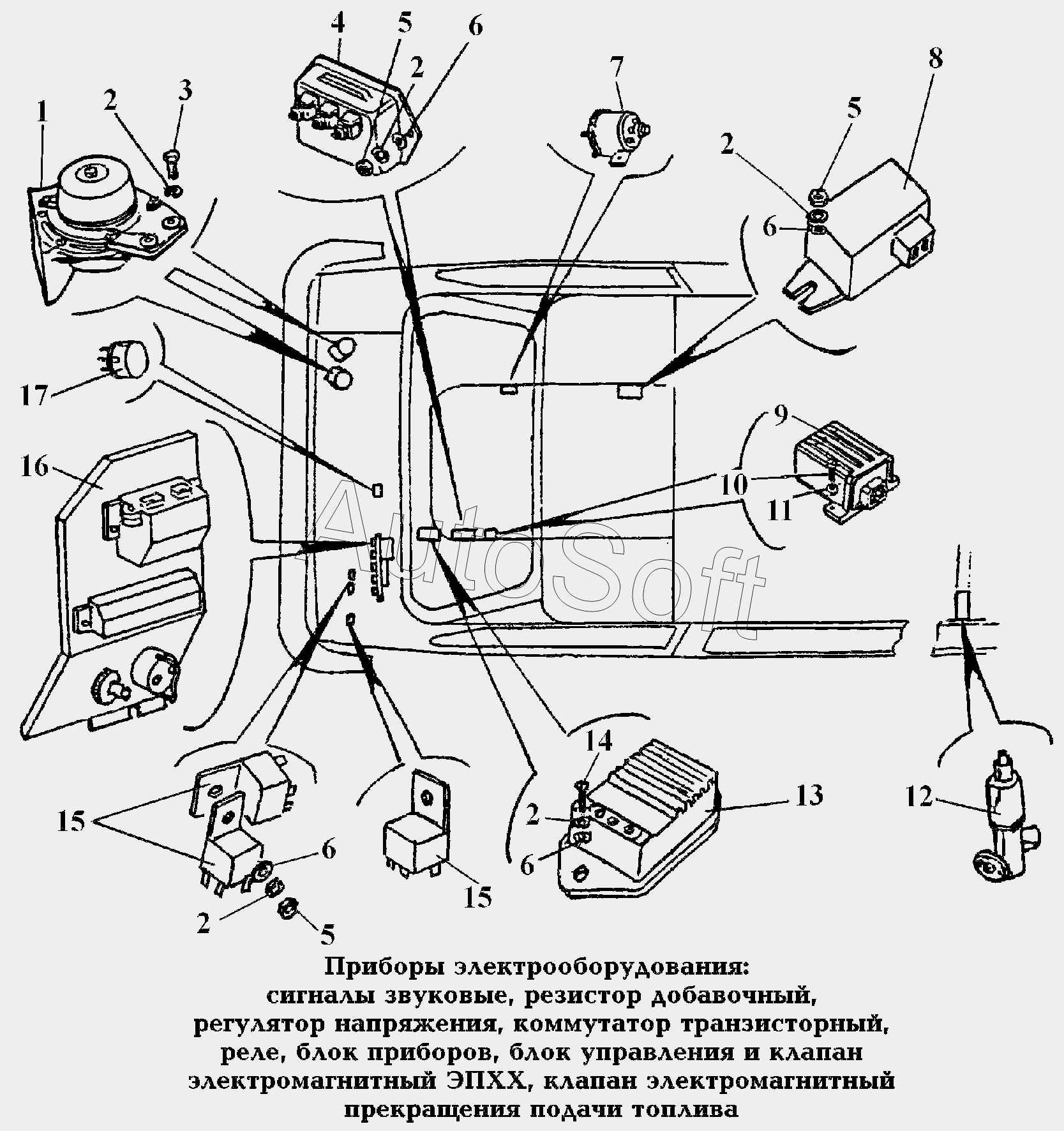
Каталог запасных частей к технике: РАФ-22038-2 (1994—1997). 370. Электрооборудование\Приборы электрооборудования: сигналы звуковые, резистор добавочный, регулятор напряжения, коммутатор
7
17
16
15
15
14
13
12
11
10
9
9
9
8
6
6
6
6
5
5
5
4
3
2
2
2
2
2
1
1
1
| Позиция на иллюстрации | Заводской номер детали | Название детали | |
|---|---|---|---|
| С302Г-3721000 | С***0 | Сигнал низкого тона | |
| С302Г-3721000-Т | С***Т | Сигнал низкого тона (тропическое исполнение) | |
| С303Г-3721000 | С***0 | Сигнал высокого тона | |
| С303Г-3721000-Т | С***Т | Сигнал высокого тона (тропическое исполнение) | |
| 1 | С***Г | Комплект звуковых сигналов | |
| 1 | С***Т | Комплект звуковых сигналов (тропическое исполнение) | |
| 2 | 2***9 | Шайба | |
| 3 | 2***9 | Болт | |
| 4 | 1***9 | Резистор добавочный | |
| 5 | 2***9 | Гайка | |
| 6 | 2***9 | Шайба | |
| 7 | 1***0 | Клапан электромагнитный | |
| 8 | 1***1 | Регулятор напряжения | |
| 9 | 1***3 | Блок управления ЭПХХ | |
| 9 | 1***3 | Блок управления ЭПХХ | |
| 10 | 2***9 | Винт | |
| 11 | 2***9 | Шайба | |
| 12 | 6***0 | Клапан электромагнитный | |
| 13 | 1***1 | Коммутатор транзисторный | |
| 14 | 2***9 | Винт | |
| 15 | 1***0 | Реле | |
| 16 | 2***4 | Блок приборов | |
| 17 | Р***2 | Прерыватель контрольной лампы |
Содержащиеся в справочниках-каталогах запасные части и детали не предлагаются к продаже, а носят исключительно информационный характер. В демо-версии артикулы (номера деталей) скрыты. Если вы хотите видеть полные оригинальные номера запчастей, вам необходимо зарегистрироваться на нашем сайте и приобрести подписку по интересующей вас конфигурации, после этого вы сможете встроить онлайн-каталоги на ваш сайт или пользоваться ими из личного кабинета нашего сайта. Обращаем ваше внимание на то, что каталоги содержат информацию об оригинальных заводских номерах и названиях запчастей. База по аналогам в данный момент не реализована. Поиска по VIN-номерам в онлайн-каталоге не предусмотрено. Выбор конкретного каталога осуществляется путем открытия нужного типа техники, марки, модели с учетом года выпуска или модификации.