Каталог запасных частей к технике: ГАЗ-31029. Радиооборудование
14
27
26
25
24
23
22
21
20
19
18
17
16
15
1
13
12
11
10
9
8
8
7
6
5
5
4
3
2
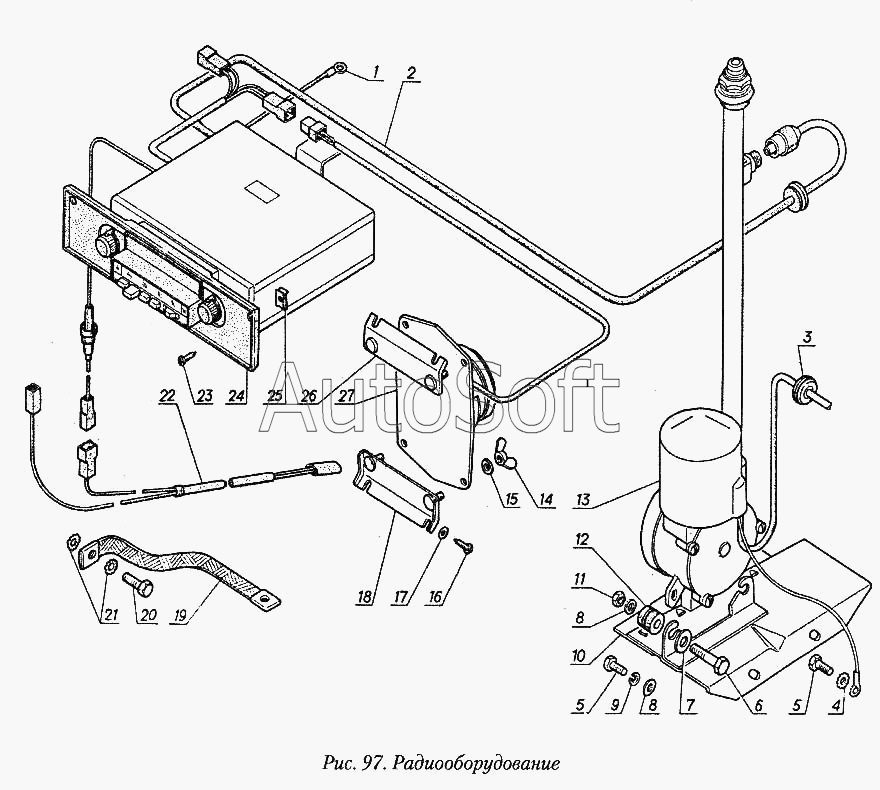
| Позиция на иллюстрации | Заводской номер детали | Название детали | |
|---|---|---|---|
| 1 | 2***6 | Провод ««массы»» | |
| 2 | И***Г | Кабель антенны (24-7905010-11) | |
| 3 | 2***1 | Втулка уплотнительная | |
| 4 | 4***4 | Шайба 5 | |
| 5 | 2***9 | Болт М5-6gх12 | |
| 6 | 2***9 | Болт М6-6gх35 | |
| 7 | 2***9 | Шайба 6 ОСТ 37.001.144-96 | |
| 8 | 2***9 | Шайба 6 ОСТ 37.001.144-96 | |
| 9 | 2***9 | Шайба 5 | |
| 10 | 2***5 | Основание антенны | |
| 11 | 2***9 | Гайка М6-6Н ОСТ 37.001.124-93 | |
| 12 | 2***8 | Втулка амортизационная | |
| 13 | А***Э | Антенна с электроприводом | |
| 14 | Г***4 | Гайка М4 | |
| 15 | 2***2 | Шайба 4Л ОСТ 37.001.115-75 | |
| 16 | 2***9 | Винт 4х12 ОСТ 37.001.188-81 | |
| 17 | 2***9 | Шайба 4 ОСТ 37.001.144-96 | |
| 18 | 3***9 | Кронштейн крепления громкоговорителя нижний | |
| 19 | 4***6 | Провод соединения «массы» двигателя с кузовом | |
| 20 | 2***9 | Болт М8-6gх20 ОСТ 37.001.123-96 | |
| 21 | 4***5 | Шайба 8 | |
| 22 | 3***2 | Провод питания | |
| 23 | 2***9 | Винт 4х18 | |
| 24 | Х***8 | Магнитола | |
| 25 | 3***0 | Гайка специальная | |
| 26 | 3***8 | Кронштейн верхний | |
| 27 | И***7 | Громкоговоритель (24-10-7909010-20) |
Содержащиеся в справочниках-каталогах запасные части и детали не предлагаются к продаже, а носят исключительно информационный характер. В демо-версии артикулы (номера деталей) скрыты. Если вы хотите видеть полные оригинальные номера запчастей, вам необходимо зарегистрироваться на нашем сайте и приобрести подписку по интересующей вас конфигурации, после этого вы сможете встроить онлайн-каталоги на ваш сайт или пользоваться ими из личного кабинета нашего сайта. Обращаем ваше внимание на то, что каталоги содержат информацию об оригинальных заводских номерах и названиях запчастей. База по аналогам в данный момент не реализована. Поиска по VIN-номерам в онлайн-каталоге не предусмотрено. Выбор конкретного каталога осуществляется путем открытия нужного типа техники, марки, модели с учетом года выпуска или модификации.