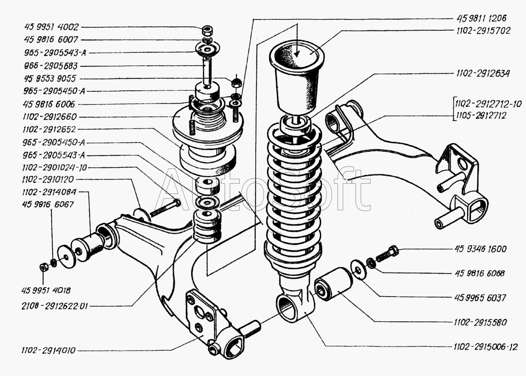
Каталог запасных частей к технике: ЗАЗ 1102 (Таврия) (1997). Детали задней подвески
1102-2912652
1102-2910120
4598166006
459811 1206
45 9816 6007
45 9816 6068
45 9965 6037
45 9816 6067
1102-2915702
1102-2915580
1102-2914084
1105-2912712
1102-2912712-10
1102-2915006-12
965-2905450-А
965-2905450-А
1102-2912660
965-2905543-А
965-2905543-А
1102-2912634
45 9553 9055
45 9951 4002
45 9951 4018
966-2905683
2108-2912622-01
45 9346 1600
1102-2901024-10
1102-2914010
| Позиция на иллюстрации | Заводской номер детали | Название детали | |
|---|---|---|---|
| 1102-2901024-10 | 1***0 | Болт | |
| 1102-2910120 | 1***0 | Шайба компенсационная | |
| 1102-2912634 | 1***4 | Обойма буфера | |
| 1102-2912652 | 1***2 | Прокладка изолирующая | |
| 1102-2912660 | 1***0 | Опора пружины верхняя | |
| 1102-2912712-10 | 1***0 | Пружина задней подвески | |
| 1102-2914010 | 1***0 | Балка задней подвески | |
| 1102-2914084 | 1***4 | Сайлент-блок | |
| 1102-2915006-12 | 1***2 | Амортизатор в сборе | |
| 1102-2915580 | 1***0 | Сайлент-блок | |
| 1102-2915702 | 1***2 | Чехол защитный | |
| 1105-2912712 | 1***2 | Пружина задней подвески | |
| 2108-2912622-01 | 2***1 | Буфер хода сжатия | |
| 45 9346 1600 | 4***0 | Болт | |
| 45 9553 9055 | 4***5 | Гайка | |
| 45 9816 6007 | 4***7 | Шайба | |
| 45 9816 6067 | 4***7 | Шайба | |
| 45 9816 6068 | 4***8 | Шайба | |
| 45 9951 4002 | 4***2 | Гайка | |
| 45 9951 4018 | 4***8 | Гайка | |
| 45 9965 6037 | 4***7 | Шайба | |
| 459811 1206 | 4***6 | Шайба | |
| 4598166006 | 4***6 | Шайба | |
| 965-2905450-А | 9***А | Подушка амортизатора | |
| 965-2905543-А | 9***А | Обойма подушки | |
| 966-2905683 | 9***3 | Втулка распорная |
Содержащиеся в справочниках-каталогах запасные части и детали не предлагаются к продаже, а носят исключительно информационный характер. В демо-версии артикулы (номера деталей) скрыты. Если вы хотите видеть полные оригинальные номера запчастей, вам необходимо зарегистрироваться на нашем сайте и приобрести подписку по интересующей вас конфигурации, после этого вы сможете встроить онлайн-каталоги на ваш сайт или пользоваться ими из личного кабинета нашего сайта. Обращаем ваше внимание на то, что каталоги содержат информацию об оригинальных заводских номерах и названиях запчастей. База по аналогам в данный момент не реализована. Поиска по VIN-номерам в онлайн-каталоге не предусмотрено. Выбор конкретного каталога осуществляется путем открытия нужного типа техники, марки, модели с учетом года выпуска или модификации.