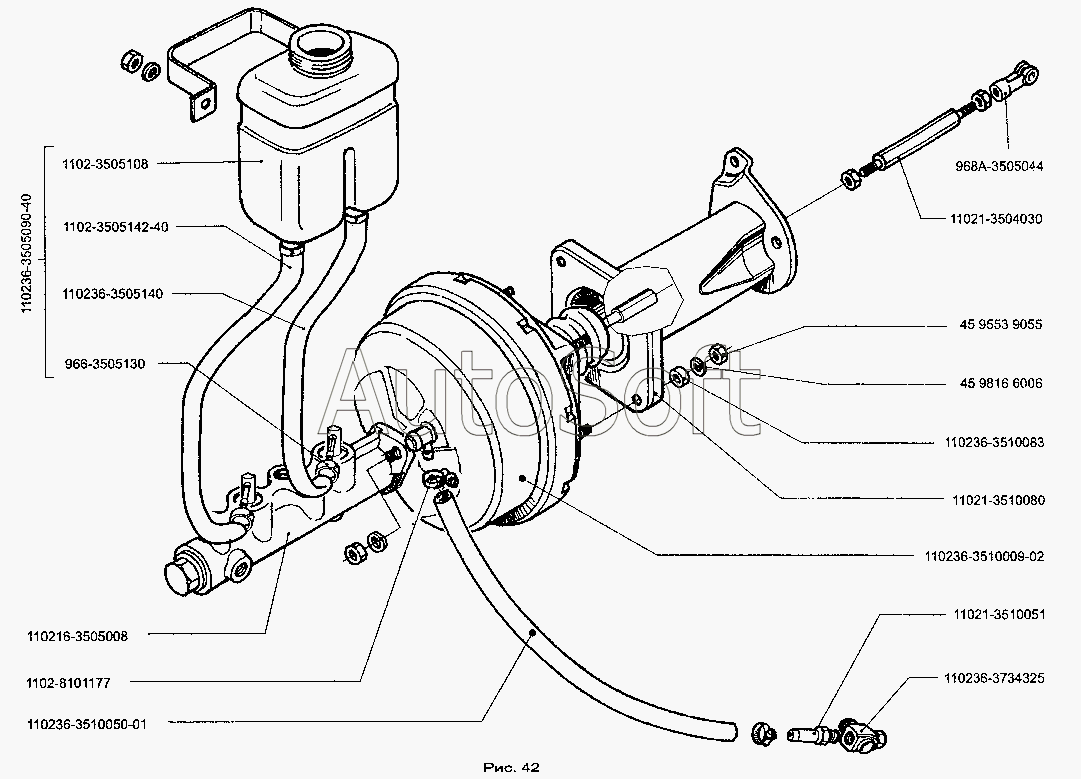
Каталог запасных частей к технике: ЗАЗ-1103 (Славута) (2002). Усилитель вакуумный привода тормозов
1102-8101177
11021-3510051
110236-3734325
1102-3505142-40
110236-3505140
110236-3510050-01
45 9816 6006
110216-3505008
966-3505130
1102-3505108
110236-3510009-02
11021-3504030
11021-3510080
45 9553 9055
110236-3510083
968А-3505044
110236-3505090-40
| Позиция на иллюстрации | Заводской номер детали | Название детали | |
|---|---|---|---|
| 1102-3505108 | 1***8 | Бачок | |
| 1102-3505142-40 | 1***0 | Шланг соединительный бачка | |
| 1102-8101177 | 1***7 | Хомут винтовой червячный | |
| 11021-3504030 | 1***0 | Толкатель педали привода тормоза | |
| 11021-3510051 | 1***1 | Штуцер шланга | |
| 11021-3510080 | 1***0 | Кронштейн крепления вакуумного усилителя | |
| 110216-3505008 | 1***8 | Цилиндр главный в сборе | |
| 110236-3505090-40 | 1***0 | Бачок в сборе | |
| 110236-3505140 | 1***0 | Шланг соединительный бачка | |
| 110236-3510009-02 | 1***2 | Усилитель тормозов вакуумный в сборе | |
| 110236-3510050-01 | 1***1 | Шланг вакуумного усилителя | |
| 110236-3510083 | 1***3 | Втулка распорная | |
| 110236-3734325 | 1***5 | Штуцер распределительный | |
| 45 9553 9055 | 4***5 | Гайка | |
| 45 9816 6006 | 4***6 | Шайба | |
| 966-3505130 | 9***0 | Хомут крепления соединительного шланга | |
| 968А-3505044 | 9***4 | Вилка толкателя |
Содержащиеся в справочниках-каталогах запасные части и детали не предлагаются к продаже, а носят исключительно информационный характер. В демо-версии артикулы (номера деталей) скрыты. Если вы хотите видеть полные оригинальные номера запчастей, вам необходимо зарегистрироваться на нашем сайте и приобрести подписку по интересующей вас конфигурации, после этого вы сможете встроить онлайн-каталоги на ваш сайт или пользоваться ими из личного кабинета нашего сайта. Обращаем ваше внимание на то, что каталоги содержат информацию об оригинальных заводских номерах и названиях запчастей. База по аналогам в данный момент не реализована. Поиска по VIN-номерам в онлайн-каталоге не предусмотрено. Выбор конкретного каталога осуществляется путем открытия нужного типа техники, марки, модели с учетом года выпуска или модификации.