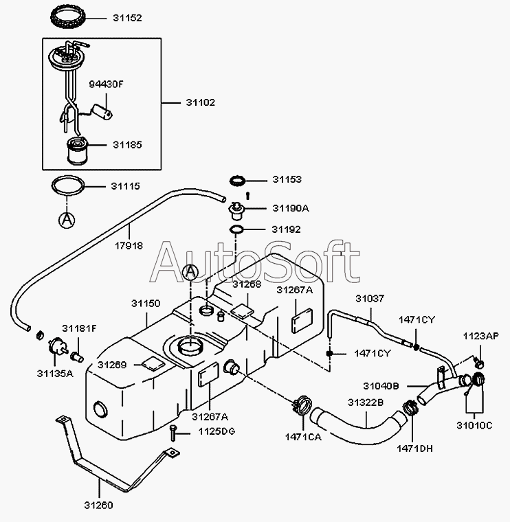
Каталог запасных частей к технике: Hyundai H100 Porter (2006). Топливный бак
1123AP
1125DG
1471CA
1471CY
1471CY
1471DH
17918
31010C
31037
31040B
31102
31115
31135A
31150
31152
31153
31181F
31185
31190A
31192
31260
31267A
31267A
31268
31269
31322B
94430F
| Позиция на иллюстрации | Заводской номер детали | Название детали | |
|---|---|---|---|
| 1123AP | 1***1 | Болт в сборе с шайбой | |
| 1125DG | 1***1 | Болт | |
| 1471CA | 1***1 | Хомут-шланг | |
| 1471CY | 1***8 | Хомут-шланг | |
| 1471DH | 1***1 | Хомут-шланг | |
| 17918 | 1***0 | Шланг | |
| 31010C | 3***0 | Крышка топливного бака | |
| 31037 | 3***1 | Шланг | |
| 31040B | 3***0 | Трубка заливной горловины | |
| 31102 | 3***0 | Датчик уровня топлива в сборе | |
| 31115 | 3***0 | Набивка-топливный насос | |
| 31135A | 3***0 | Обратный клапан топливной системы | |
| 31150 | 3***0 | Бак топливный | |
| 31152 | 3***0 | Крышка топл.насоса | |
| 31153 | 3***0 | Накладка клапана | |
| 31181F | 3***0 | Колпачок | |
| 31185 | 3***0 | Фильтр топливный | |
| 31190A | 3***0 | Клапан соленоида | |
| 31192 | 3***0 | Уплотнительная прокладка | |
| 31260 | 3***0 | Лента крепления топливного бака | |
| 31267A | 3***0 | Подкладка | |
| 31268 | 3***0 | Поддон топливного бака | |
| 31269 | 3***0 | Поддон топливного бака | |
| 31322B | 3***0 | Шланг заливной горловины | |
| 94430F | 9***0 | Датчик уровня топлива |
Содержащиеся в справочниках-каталогах запасные части и детали не предлагаются к продаже, а носят исключительно информационный характер. В демо-версии артикулы (номера деталей) скрыты. Если вы хотите видеть полные оригинальные номера запчастей, вам необходимо зарегистрироваться на нашем сайте и приобрести подписку по интересующей вас конфигурации, после этого вы сможете встроить онлайн-каталоги на ваш сайт или пользоваться ими из личного кабинета нашего сайта. Обращаем ваше внимание на то, что каталоги содержат информацию об оригинальных заводских номерах и названиях запчастей. База по аналогам в данный момент не реализована. Поиска по VIN-номерам в онлайн-каталоге не предусмотрено. Выбор конкретного каталога осуществляется путем открытия нужного типа техники, марки, модели с учетом года выпуска или модификации.