Каталог запасных частей к технике: БелАЗ 7548А (2000). Электрооборудование шасси самосвала БелАЗ-75483
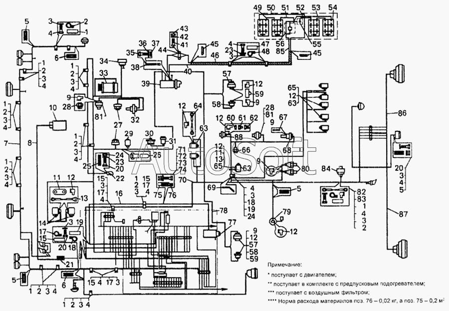
55
65
64
63
62
61
60
59
58
57
56
66
54
53
52
51
50
49
48
47
46
45
77
87
86
85
84
83
82
81
80
79
78
44
76
75
74
73
72
71
70
69
68
67
12
22
21
20
19
18
17
16
15
14
13
23
11
10
9
8
7
6
5
4
3
2
33
43
42
41
40
39
38
37
36
35
34
1
32
31
30
29
28
27
26
25
24
| Позиция на иллюстрации | Заводской номер детали | Название детали | |
|---|---|---|---|
| 1 | 5***1 | Прокладка | |
| 2 | 3***6 | Кляммер | |
| 3 | 2***4 | Шайба | |
| 4 | 2***8 | Болт | |
| 5 | 5***0 | Втулка | |
| 6 | 5***7 | Кольцо | |
| 7 | 7***6 | Жгут проводов фар | |
| 8 | 7***2 | Жгут проводов | |
| 9 | 5***4 | Чехол защитный | |
| 10 | М***Н | Электродвигатель предпускового подогревателя (поступает в комплекте с предпусковым подогревателем) | |
| 11 | 5***8 | Перемычка | |
| 12 | 7***2 | Колпачок защитный | |
| 13 | 5***0 | Диод с перемычкой | |
| 14 | 5***0 | Клапан с электромагнитом | |
| 15 | 5***4 | Прокладка | |
| 16 | 7***9 | Провод аварийного привода рулевого управления | |
| 17 | 3***8 | Кляммер | |
| 18 | 3***7 | Кляммер | |
| 19 | 5***1 | Прокладка | |
| 20 | 2***2 | Болт | |
| 21 | П***0 | Пульт управления предпусковым подогревателем (поступает в комплекте с предпусковым подогревателем) | |
| 22 | П***А | Лампа подкапотная | |
| 23 | 2***4 | Шайба | |
| 24 | 2***8 | Гайка | |
| 25 | 5***4 | Втулка амортизационная | |
| 26 | 5***3 | Хомут | |
| 27 | Д***л | Датчик температуры (поступает с двигателем) | |
| 28 | 7***3 | Переходник | |
| 29 | Д***м | Датчик тахометра (поступает с двигателем) | |
| 30 | Д***) | Датчик давления (поступает с двигателем) | |
| 31 | Д***п | Датчик аварийного давления масла (поступает с двигателем) | |
| 32 | Д***у | Датчик аварийной температуры воды (поступает с двигателем) | |
| 33 | Г***) | Генератор (поступает с двигателем) | |
| 34 | Д***( | Датчик засоренности воздушных фильтров (поступает с воздушным фильтром) | |
| 35 | 2***5 | Болт | |
| 36 | 2***6 | Шайба | |
| 37 | 2***6 | Шайба | |
| 38 | 5***2 | Провод соединения двигателя с рамой | |
| 39 | С***) | Стартер (поступает с двигателем) | |
| 40 | 5***0 | Провод от аккумуляторных батарей | |
| 41 | 2***4 | Винт | |
| 42 | 2***4 | Гайка | |
| 43 | 2***3 | Шайба | |
| 44 | 1***0 | Панель соединительная | |
| 45 | 5***1 | Втулка гибкого рукава | |
| 46 | 7***4 | Гибкий рукав | |
| 47 | 5***2 | Прокладка | |
| 48 | 3***1 | Кляммер | |
| 49 | 5***1 | Перемычка | |
| 50 | 5***1 | Перемычка | |
| 51 | 5***1 | Перемычка | |
| 52 | 5***2 | Перемычка | |
| 53 | 5***2 | Перемычка | |
| 54 | 6***2 | Батарея аккумуляторная | |
| 55 | 7***0 | Вилка штепсельная разъема | |
| 56 | В***Б | Дистанционный выключатель «массы» | |
| 57 | 1***1 | Датчик давления | |
| 58 | М***В | Датчик аварийного давления воздуха | |
| 59 | 3***6 | Тройник | |
| 60 | 2***0 | Гайка | |
| 61 | 3***5 | Штуцер | |
| 62 | 5***1 | Шланг маслопровода в сборе | |
| 63 | 1***7 | Электромагнит | |
| 64 | 5***7 | Перемычка | |
| 65 | 5***4 | Перемычка | |
| 66 | В***Б | Выключатель | |
| 67 | 5***4 | Прокладка | |
| 68 | Р***Б | Сигнализатор | |
| 69 | 7***2 | Кронштейн | |
| 70 | 7***0 | Жгут проводов | |
| 71 | 2***6 | Болт | |
| 72 | 2***0 | Гайка | |
| 73 | 2***5 | Шайба | |
| 74 | 2***5 | Шайба | |
| 75 | Л***5 | Лакоткань (0,2м квадратных) | |
| 76 | 1***0 | Лента изоляционная (0,02кг) | |
| 77 | Г***М | Электродвигатель аварийного привода рулевого управления | |
| 78 | 7***0 | Жгут проводовдов | |
| 79 | Б***Д | Датчик уровня топлива | |
| 80 | М***В | Датчик аварийного давления масла | |
| 81 | Т***В | Датчик температуры | |
| 82 | 5***8 | Перемычка | |
| 83 | Т***8 | Наконечник резиновый | |
| 84 | 2***2 | Датчик спидометра | |
| 85 | 5***0 | Жгут проводов выключателя ««массы»» | |
| 86 | 7***1 | Жгут проводов | |
| 87 | 7***0 | Жгут проводов |
Содержащиеся в справочниках-каталогах запасные части и детали не предлагаются к продаже, а носят исключительно информационный характер. В демо-версии артикулы (номера деталей) скрыты. Если вы хотите видеть полные оригинальные номера запчастей, вам необходимо зарегистрироваться на нашем сайте и приобрести подписку по интересующей вас конфигурации, после этого вы сможете встроить онлайн-каталоги на ваш сайт или пользоваться ими из личного кабинета нашего сайта. Обращаем ваше внимание на то, что каталоги содержат информацию об оригинальных заводских номерах и названиях запчастей. База по аналогам в данный момент не реализована. Поиска по VIN-номерам в онлайн-каталоге не предусмотрено. Выбор конкретного каталога осуществляется путем открытия нужного типа техники, марки, модели с учетом года выпуска или модификации.