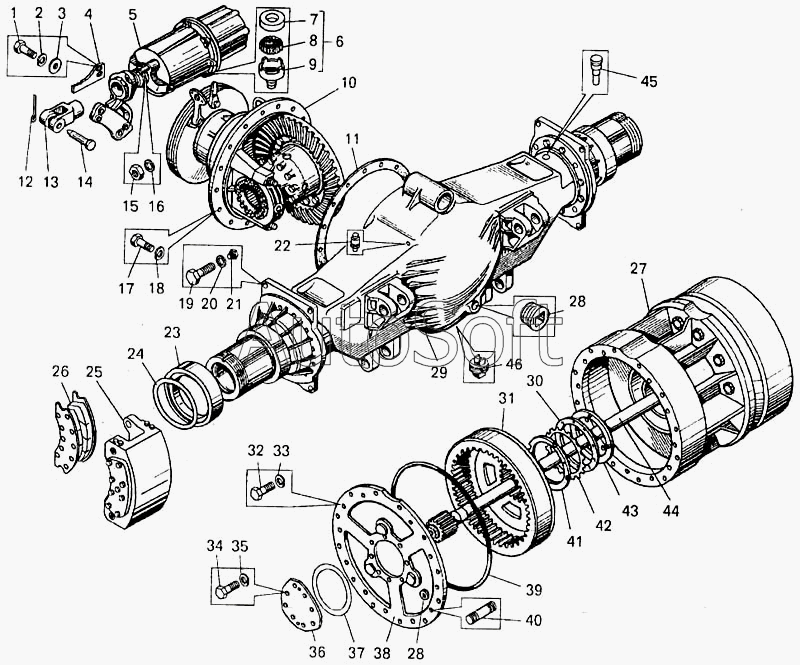
Каталог запасных частей к технике: БелАЗ 7547. Мост задний с тормозами и ступицами самосвала БелАЗ-75473
36
25
26
27
28
28
29
30
31
32
33
34
35
24
37
38
39
40
41
42
43
44
45
46
13
2
3
4
5
6
7
8
9
10
11
12
1
14
15
16
17
18
19
20
21
22
23
| Позиция на иллюстрации | Заводской номер детали | Название детали | |
|---|---|---|---|
| 1 | 2***4 | Болт | |
| 2 | 2***5 | Шайба | |
| 3 | 2***5 | Шайба | |
| 4 | 5***4 | Пластина | |
| 5 | 7***0 | Цилиндр стояночного тормоза в сборе | |
| 6 | 5***1 | Сапун в сборе | |
| 7 | 5***0 | Крышка сапуна | |
| 8 | Д***4 | Элемент фильтрующий | |
| 9 | 5***2 | Корпус сапуна | |
| 10 | 7***0 | Передача главная со стояночным тормозом | |
| 11 | 5***4 | Прокладка картера | |
| 12 | 2***3 | Шплинт | |
| 13 | 5***8 | Вилка штока | |
| 14 | 5***6 | Палец | |
| 15 | 2***0 | Гайка | |
| 16 | 2***9 | Шайба | |
| 17 | 2***2 | Болт | |
| 18 | 2***0 | Шайба | |
| 19 | 7***5 | Болт специальный | |
| 20 | 2***7 | Шайба | |
| 21 | 2***5 | Пробка | |
| 22 | 5***0 | Сапун | |
| 23 | 7***0 | Кольцо распорное | |
| 24 | 2***2 | Кольцо | |
| 25 | 7***0 | Корпус тормоза в сборе | |
| 26 | 7***0 | Накладка | |
| 27 | 7***0 | Ступица заднего колеса в сборе | |
| 28 | 2***2 | Пробка | |
| 29 | 7***0 | Картер заднего моста в сборе | |
| 30 | 5***9 | Шайба замковая | |
| 31 | 5***1 | Кожух с опорной шестерней | |
| 32 | 3***1 | Болт | |
| 33 | 2***2 | Шайба | |
| 34 | 2***8 | Болт | |
| 35 | 2***7 | Шайба | |
| 36 | 5***3 | Крышка водила | |
| 37 | 5***8 | Прокладка | |
| 38 | 7***8 | Водило с сателлитами | |
| 39 | 7***2 | Шнур уплотнительный | |
| 40 | 3***5 | Шпилька (0034127500) | |
| 41 | 5***1 | Контргайка | |
| 42 | 5***0 | Шайба замковая | |
| 43 | 5***6 | Гайка в сборе | |
| 44 | 5***0 | Полуось заднего моста | |
| 45 | 6***0 | Клапан | |
| 46 | П***" | Пробка |
Содержащиеся в справочниках-каталогах запасные части и детали не предлагаются к продаже, а носят исключительно информационный характер. В демо-версии артикулы (номера деталей) скрыты. Если вы хотите видеть полные оригинальные номера запчастей, вам необходимо зарегистрироваться на нашем сайте и приобрести подписку по интересующей вас конфигурации, после этого вы сможете встроить онлайн-каталоги на ваш сайт или пользоваться ими из личного кабинета нашего сайта. Обращаем ваше внимание на то, что каталоги содержат информацию об оригинальных заводских номерах и названиях запчастей. База по аналогам в данный момент не реализована. Поиска по VIN-номерам в онлайн-каталоге не предусмотрено. Выбор конкретного каталога осуществляется путем открытия нужного типа техники, марки, модели с учетом года выпуска или модификации.