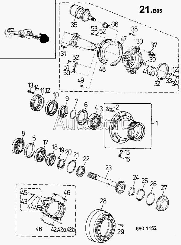
Каталог запасных частей к технике: ТАТРА 815-2 EURO II. Ступица колеса, тормозной барабан (680)
42
30
20 2401 {21В05/30А}
31
32
33
34
35
36
37
38
39
40
41
29
Колодка тормозная 12258555
Колодка тормозная 12258556
43
44
45
46
47
48
49
50
51
52
53
15
2
3
4
5
6
7
8
9
10
11
12
13
14
1
16
17
18
19
20
21
22
23
24
25
26
27
28
| Позиция на иллюстрации | Заводской номер детали | Название детали | |
|---|---|---|---|
| 20 2401 {21В05/30А} | 2***} | Балка тормозная | |
| Колодка тормозная 12258555 | К***5 | Колодка тормозная 12258555 | |
| Колодка тормозная 12258556 | К***6 | Колодка тормозная 12258556 | |
| 1 | 2***} | Ступица заднего колеса | |
| 2 | 2***} | Болт колеса | |
| 3 | Р***М | Роликоподшипник конический JНМ | |
| 4 | Р***М | Роликоподшипник конический JНМ | |
| 5 | 2***} | Кольцо распорное | |
| 6 | 2***} | Кольцо | |
| 7 | К***N | Кольцо уплотнительное 110Х5 СSN | |
| 8 | Р***й | Роликоподшипник конический | |
| 9 | 2***} | Кольцо распорное | |
| 10 | У***О | Уплотнение для валов КАСО | |
| 11 | 2***} | Крышка | |
| 12 | 2***} | Крышка | |
| 13 | 3***} | Болт М8Х20 СSN 02 1143.55 | |
| 14 | Ш***2 | Шайба пружинная 8 СSN 02 | |
| 15 | К***4 | Кольцо уплотнительное 10Х14 | |
| 16 | 3***} | Пробка М10Х1 СSN 02 1915.15 | |
| 17 | У***в | Уплотнение для валов | |
| 18 | 2***} | Гайка стопорная | |
| 19 | 2***} | Штифт регулировочный | |
| 20 | 2***} | Шайба регулировочная 3.3 ММ | |
| 21 | 2***} | Кольцо опорное | |
| 22 | 2***} | Гайка кольцевая | |
| 23 | 2***} | Вал заднего моста | |
| 24 | К***2 | Кольцо стопорное 190 СSN 02 | |
| 25 | К***5 | Кольцо уплотнительное 200Х5 | |
| 26 | 2***} | Кольцо стопорное | |
| 27 | 2***} | Крышка уплотнительная | |
| 28 | 2***} | Кольцо уплотнительное | |
| 29 | 3***} | Болт М8Х16 СSN 02 1207.55 | |
| 30 | 2***} | Балка тормозная | |
| 31 | 2***} | Болт | |
| 32 | 2***} | Кольцо | |
| 33 | 2***} | Накладка | |
| 34 | 3***} | Винт М8Х12 СSN 02 1143.55 | |
| 35 | 2***} | Цилиндр | |
| 36 | 2***} | Гайка | |
| 37 | 4***} | Тормозной блок 12 739 075 | |
| 38 | 3***} | Болт М12Х1.5Х30 СSN 02 1143.75 | |
| 39 | 4***} | Пружина 13 304 029 | |
| 40 | 2***} | Болт | |
| 41 | 3***} | Шайба 10.5 СSN 02 1702.15 | |
| 42 | К***9 | Колодка тормозная 12258449 | |
| 43 | С***3 | Спинка колодки тормозной 13 | |
| 44 | С***3 | Спинка колодки тормозной 13 | |
| 45 | 4***} | Корпус 13 354 036 | |
| 46 | 4***} | Пружина 13 301 257 | |
| 47 | 2***} | Кожух защитный | |
| 48 | 2***} | Кожух защитный | |
| 49 | 2***} | Пробка | |
| 50 | 2***} | Крышка | |
| 51 | 3***} | Болт ISО 4017 М8Х10-8.8-А4G | |
| 52 | Ш***2 | Шайба пружинная 8 СSN 02 | |
| 53 | 3***} | Болт ISО 4017 М8Х12-8.8-А4G |
Содержащиеся в справочниках-каталогах запасные части и детали не предлагаются к продаже, а носят исключительно информационный характер. В демо-версии артикулы (номера деталей) скрыты. Если вы хотите видеть полные оригинальные номера запчастей, вам необходимо зарегистрироваться на нашем сайте и приобрести подписку по интересующей вас конфигурации, после этого вы сможете встроить онлайн-каталоги на ваш сайт или пользоваться ими из личного кабинета нашего сайта. Обращаем ваше внимание на то, что каталоги содержат информацию об оригинальных заводских номерах и названиях запчастей. База по аналогам в данный момент не реализована. Поиска по VIN-номерам в онлайн-каталоге не предусмотрено. Выбор конкретного каталога осуществляется путем открытия нужного типа техники, марки, модели с учетом года выпуска или модификации.