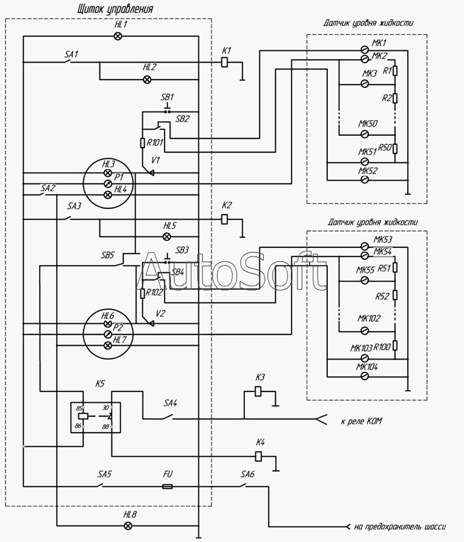
Каталог запасных частей к технике: Нефтекамский автозавод НефАЗ-6606 (2008). Установка электрооборудования (c насосом)
FU
HL1
HL2, HL5
HL2, HL5
HL3, HL4, HL6, HL7
HL3, HL4, HL6, HL7
HL3, HL4, HL6, HL7
HL3, HL4, HL6, HL7
HL8
К1,К2,К3,К4
К1,К2,К3,К4
К1,К2,К3,К4
К1,К2,К3,К4
Р1,Р2
Р1,Р2
SA1, SA2, SA3, SA4, SA5,
SA1, SA2, SA3, SA4, SA5,
SA1, SA2, SA3, SA4, SA5,
SA1, SA2, SA3, SA4, SA5,
SA1, SA2, SA3, SA4, SA5,
SA6
SB1,SB3
SB1,SB3
SB2 ,SB4.SB5
SB2 ,SB4.SB5
SB2 ,SB4.SB5
МК1-МК104
МК1-МК104
МК1-МК104
МК1-МК104
МК1-МК104
МК1-МК104
МК1-МК104
МК1-МК104
МК1-МК104
МК1-МК104
МК1-МК104
МК1-МК104
R1-R100
R1-R100
R1-R100
R1-R100
R1-R100
R1-R100
R101,R102
R101,R102
V1, V2
V1, V2
| Позиция на иллюстрации | Заводской номер детали | Название детали | |
|---|---|---|---|
| SA1, SA2, SA3, SA4, SA5, | ***, | Выключатель 46.3710 | |
| SA6 | ***6 | Выключатель ВК | |
| FU | F***U | Предохранитель Пр310 | |
| HL1 | H***1 | Фонарь контрольной лампы | |
| HL2, HL5 | H***5 | Фонарь контрольной лампы | |
| HL3, HL4, HL6, HL7 | H***7 | Лампа А24-1 | |
| HL8 | H***8 | Светильник «Плафон ВII» | |
| R1-R100 | R***0 | Резистор С2-10-0,25-1.8 Ом | |
| R101,R102 | R***2 | Резистор | |
| SB1,SB3 | S***3 | Кнопка контроля сигнализации ВК 322 | |
| SB2 ,SB4.SB5 | S***5 | Переключатель П-147 | |
| V1, V2 | V***2 | Тиристор | |
| К1,К2,К3,К4 | К***4 | Электропневмоклапан П30.131.04 | |
| МК1-МК104 | М***4 | Контакт магнитоуправляемый герметизированный | |
| Р1,Р2 | Р***2 | Указатель уровня топлива УБ-170 |
Содержащиеся в справочниках-каталогах запасные части и детали не предлагаются к продаже, а носят исключительно информационный характер. В демо-версии артикулы (номера деталей) скрыты. Если вы хотите видеть полные оригинальные номера запчастей, вам необходимо зарегистрироваться на нашем сайте и приобрести подписку по интересующей вас конфигурации, после этого вы сможете встроить онлайн-каталоги на ваш сайт или пользоваться ими из личного кабинета нашего сайта. Обращаем ваше внимание на то, что каталоги содержат информацию об оригинальных заводских номерах и названиях запчастей. База по аналогам в данный момент не реализована. Поиска по VIN-номерам в онлайн-каталоге не предусмотрено. Выбор конкретного каталога осуществляется путем открытия нужного типа техники, марки, модели с учетом года выпуска или модификации.