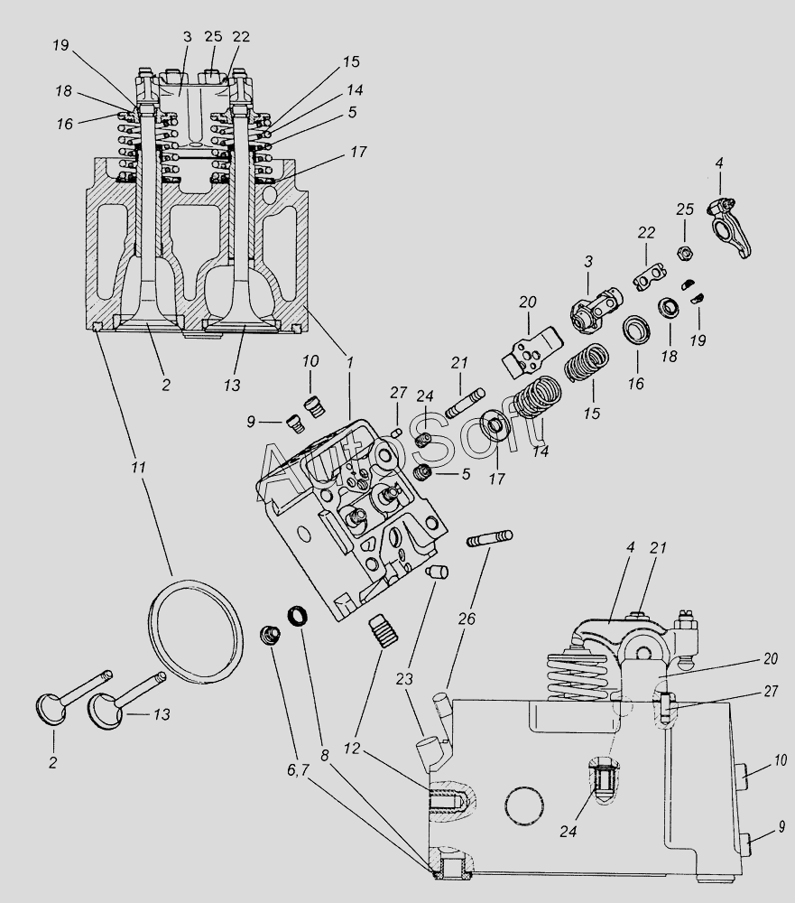
Каталог запасных частей к технике: Камский автозавод 65201 Евро 2-3 (2016). 740.30-1003010 Головка цилиндра с клапанами
13
13
27
27
26
25
25
24
24
23
22
22
21
21
20
20
19
19
18
18
17
17
16
16
15
15
14
14
12
11
10
10
9
9
8
7
6
5
5
4
4
3
3
2
2
1
| Позиция на иллюстрации | Заводской номер детали | Название детали | |
|---|---|---|---|
| 740.30-1003010 | 7***0 | Головка цилиндра с клапанами | |
| 740.30-1003010-02 | 7***2 | Головка цилиндра с клапанами | |
| 1 | 7***4 | Головка цилиндра | |
| 2 | 7***5 | Клапан выпускной | |
| 3 | 7***1 | Стойка коромысел в сборе | |
| 4 | 7***0 | Коромысло клапана в сборе | |
| 5 | 7***1 | Манжета уплотнительная в сборе | |
| 6 | 7***1 | Кольцо уплотнительное | |
| 7 | 7***4 | Кольцо уплотнительное | |
| 8 | 7***6 | Экран | |
| 9 | 7***1 | Ввертыш | |
| 10 | 7***1 | Ввертыш | |
| 11 | 7***1 | Кольцо уплотнительное газового стыка | |
| 12 | 7***8 | Ввертыш | |
| 13 | 7***0 | Клапан впускной | |
| 14 | 7***0 | Пружина клапана наружная | |
| 15 | 7***1 | Пружина клапана внутренняя | |
| 16 | 7***1 | Тарелка пружины клапана | |
| 17 | 7***5 | Шайба пружин клапана | |
| 18 | 7***6 | Втулка тарелки пружины клапана | |
| 19 | 7***8 | Сухарь клапана | |
| 20 | 7***1 | Фиксатор коромысел | |
| 21 | 7***1 | Шпилька крепления стойки коромысел | |
| 22 | 7***4 | Шайба стопорная крепления стойки коромысел | |
| 23 | 7***9 | Опора скобы форсунки | |
| 24 | 7***2 | Ввертыш М14х1,5-6g | |
| 25 | 1***1 | Гайка М10х1,25-6Н | |
| 26 | 1***1 | Шпилька М10х1,25х20х45 | |
| 27 | 8***0 | Штифт 6х16 |
Содержащиеся в справочниках-каталогах запасные части и детали не предлагаются к продаже, а носят исключительно информационный характер. В демо-версии артикулы (номера деталей) скрыты. Если вы хотите видеть полные оригинальные номера запчастей, вам необходимо зарегистрироваться на нашем сайте и приобрести подписку по интересующей вас конфигурации, после этого вы сможете встроить онлайн-каталоги на ваш сайт или пользоваться ими из личного кабинета нашего сайта. Обращаем ваше внимание на то, что каталоги содержат информацию об оригинальных заводских номерах и названиях запчастей. База по аналогам в данный момент не реализована. Поиска по VIN-номерам в онлайн-каталоге не предусмотрено. Выбор конкретного каталога осуществляется путем открытия нужного типа техники, марки, модели с учетом года выпуска или модификации.