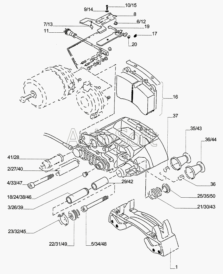
Каталог запасных частей к технике: Neoplan N 516 SHD (MB) E2 (2000). DISK BRAKE CASTER AXLE
27
28
29
30
31
32
33
34
35
35
36
36
37
38
26
39
40
41
42
43
43
44
45
46
47
48
49
50
14
2
3
4
5
6
7
8
9
10
11
12
13
1
15
16
17
18
19
20
21
22
23
24
25
| Позиция на иллюстрации | Заводской номер детали | Название детали | |
|---|---|---|---|
| 0721.384.00 | 0***0 | BRAKE UNING KIT CPL. | |
| 0821.352.00 | 0***0 | WEARSENSOR CPL | |
| CALIPERCPL.L.H | C***H | CALIPER CPL. L.H | |
| CALIPERCPL.R.H. | C***. | CALIPER CPL.R.H. | |
| CAPCPL. | C***. | CAP CPL. | |
| GUIDESETCPL. | G***. | GUIDE SET CPL. | |
| PRESSUREPIECECPL. | P***. | PRESSURE PIECE CPL. | |
| WEARSENORCPL. | W***. | WEAR SENOR CPL. | |
| 1 | B***E | BRAKE ANCHOR PLATE | |
| 2 | G***H | GUIDE BUSH | |
| 3 | G***H | GUIDE BUSH | |
| 4 | W***R | washer | |
| 5 | W***R | washer | |
| 6 | W***R | WEARSENSOR | |
| 7 | W***R | WEARSENSOR | |
| 8 | C***D | CABLE DUCD | |
| 9 | S***R | SPRING WASHER | |
| 10 | W***R | washer | |
| 11 | B***. | BRAKE WEAR INDICAT. | |
| 12 | W***R | WEARSENSOR | |
| 13 | W***R | WEARSENSOR | |
| 14 | S***R | SPRING WASHER | |
| 15 | W***R | washer | |
| 16 | B***G | BRAKE LINING | |
| 17 | S***N | SPRING COTTER PIN | |
| 18 | C***P | CAP | |
| 19 | P***N | PIN | |
| 20 | W***G | WASHER SEALING KIT CPL. | |
| 21 | B***S | BELLOWS | |
| 22 | B***P | BELLOWS CAP | |
| 23 | S***P | SHEET CLAMP | |
| 24 | C***P | CAP | |
| 25 | B***S | BELLOWS | |
| 26 | G***H | GUIDE BUSH | |
| 27 | G***H | GUIDE BUSH | |
| 28 | G***H | GUIDE BUSH | |
| 29 | B***H | BUSH | |
| 30 | B***S | BELLOWS | |
| 31 | B***P | BELLOWS CAP | |
| 32 | S***P | SHEET CLAMP | |
| 33 | W***R | washer | |
| 34 | W***R | washer | |
| 35 | B***S | BELLOWS | |
| 36 | P***E | PRESSURE PIECE | |
| 37 | D***G | DRY BUSHING | |
| 38 | C***P | CAP | |
| 39 | G***H | GUIDE BUSH | |
| 40 | G***H | GUIDE BUSH | |
| 41 | G***E | GUIDE SLEEVE | |
| 42 | B***H | BUSH | |
| 43 | B***S | BELLOWS | |
| 44 | P***E | PRESSURE PIECE | |
| 45 | S***P | SHEET CLAMP | |
| 46 | C***P | CAP | |
| 47 | W***R | washer | |
| 48 | W***R | washer | |
| 49 | B***P | BELLOWS CAP | |
| 50 | B***S | BELLOWS |
Содержащиеся в справочниках-каталогах запасные части и детали не предлагаются к продаже, а носят исключительно информационный характер. В демо-версии артикулы (номера деталей) скрыты. Если вы хотите видеть полные оригинальные номера запчастей, вам необходимо зарегистрироваться на нашем сайте и приобрести подписку по интересующей вас конфигурации, после этого вы сможете встроить онлайн-каталоги на ваш сайт или пользоваться ими из личного кабинета нашего сайта. Обращаем ваше внимание на то, что каталоги содержат информацию об оригинальных заводских номерах и названиях запчастей. База по аналогам в данный момент не реализована. Поиска по VIN-номерам в онлайн-каталоге не предусмотрено. Выбор конкретного каталога осуществляется путем открытия нужного типа техники, марки, модели с учетом года выпуска или модификации.