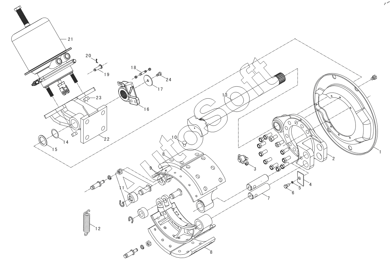
Каталог запасных частей к технике: JAC Motors HK6819H (2013). HK6819H-RA-02 Rear Brake System
13
24
23
22
21
20
19
18
17
16
15
14
1
12
11
10
9
8
8
7
6
5
4
3
2
| Позиция на иллюстрации | Заводской номер детали | Название детали | |
|---|---|---|---|
| 1 | H***N | Dust Cover | |
| 2 | H***N | Brake Bottom Plate Assembly | |
| 3 | H***F | ABS Probe Assembly | |
| 4 | H***N | Lock plate | |
| 5 | Q***0 | spring washer | |
| 6 | Q***8 | Bolt | |
| 7 | H***N | Brake shoe shaft | |
| 8 | H***N | Friction Plate | |
| 9 | H***N | Brake Shoe Bushing Assembly | |
| 10 | H***N | The rivet | |
| 11 | H***N | Roller | |
| 12 | H***N | Return Spring | |
| 13 | H***V | Camshaft | |
| 14 | H***N | Type O sealing ring | |
| 15 | H***N | After the camshaft gasket | |
| 16 | H***) | Automatic slack adjuster | |
| 17 | H***N | The camshaft adjusting shim | |
| 18 | H***N | Stud bolt support | |
| 19 | Q***0 | Axis Pin | |
| 20 | Q***0 | Split Pin | |
| 21 | H***F | After the brake chamber | |
| 22 | H***3 | After the brake chamber bracket assembly | |
| 23 | H***N | Nut | |
| 24 | H***N | Bolt |
Содержащиеся в справочниках-каталогах запасные части и детали не предлагаются к продаже, а носят исключительно информационный характер. В демо-версии артикулы (номера деталей) скрыты. Если вы хотите видеть полные оригинальные номера запчастей, вам необходимо зарегистрироваться на нашем сайте и приобрести подписку по интересующей вас конфигурации, после этого вы сможете встроить онлайн-каталоги на ваш сайт или пользоваться ими из личного кабинета нашего сайта. Обращаем ваше внимание на то, что каталоги содержат информацию об оригинальных заводских номерах и названиях запчастей. База по аналогам в данный момент не реализована. Поиска по VIN-номерам в онлайн-каталоге не предусмотрено. Выбор конкретного каталога осуществляется путем открытия нужного типа техники, марки, модели с учетом года выпуска или модификации.