Каталог запасных частей к технике: Foton Europard 40 (2010). Helmet Structure Assembly
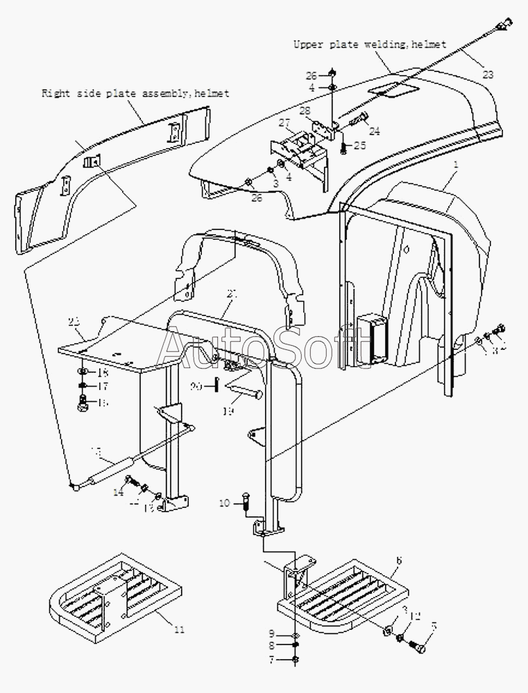
15
28
27
26
26
25
24
23
22
21
20
19
18
17
16
15
1
14
13
13
12
12
11
10
9
8
7
6
5
4
4
4
3
3
2
| Позиция на иллюстрации | Заводской номер детали | Название детали | |
|---|---|---|---|
| 1 | F***0 | Instrument table assembly | |
| 2 | G***3 | Болт M12x35 | |
| 3 | G***3 | Шайба 12 | |
| 4 | G***1 | Шайба 12 | |
| 5 | G***3 | Болт M12x35 | |
| 6 | F***7 | Left footstep assembly | |
| 7 | G***0 | Гайка М6 | |
| 8 | G***3 | Шайба 12 | |
| 9 | G***1 | Шайба 12 | |
| 10 | G***3 | Болт M12x35 | |
| 11 | F***8 | Right footstep assembly | |
| 12 | G***3 | Шайба 12 | |
| 13 | G***1 | Шайба 12 | |
| 14 | G***3 | Болт M12x35 | |
| 15 | F***8 | Spring, helmet (1) | |
| 15 | F***8 | Spring, helmet (2) | |
| 16 | G***3 | Болт M12x35 | |
| 17 | G***3 | Шайба 12 | |
| 18 | G***1 | Шайба 12 | |
| 19 | G***2 | Валик фиксирующий В8х40 | |
| 20 | G***1 | Шплинт 3.2x25 | |
| 21 | F***6 | Support beam weldment assembly | |
| 22 | F***5 | Joint plate assembly for pivot | |
| 23 | F***9 | Flexible shafting dragline assembly,bonnet lock | |
| 24 | G***8 | Винт М6х45 | |
| 25 | F***6 | Locking screw | |
| 26 | G***0 | Гайка М6 | |
| 27 | F***3 | Bracket assembly of helmet lock | |
| 28 | F***7 | Bonnet lock |
Содержащиеся в справочниках-каталогах запасные части и детали не предлагаются к продаже, а носят исключительно информационный характер. В демо-версии артикулы (номера деталей) скрыты. Если вы хотите видеть полные оригинальные номера запчастей, вам необходимо зарегистрироваться на нашем сайте и приобрести подписку по интересующей вас конфигурации, после этого вы сможете встроить онлайн-каталоги на ваш сайт или пользоваться ими из личного кабинета нашего сайта. Обращаем ваше внимание на то, что каталоги содержат информацию об оригинальных заводских номерах и названиях запчастей. База по аналогам в данный момент не реализована. Поиска по VIN-номерам в онлайн-каталоге не предусмотрено. Выбор конкретного каталога осуществляется путем открытия нужного типа техники, марки, модели с учетом года выпуска или модификации.