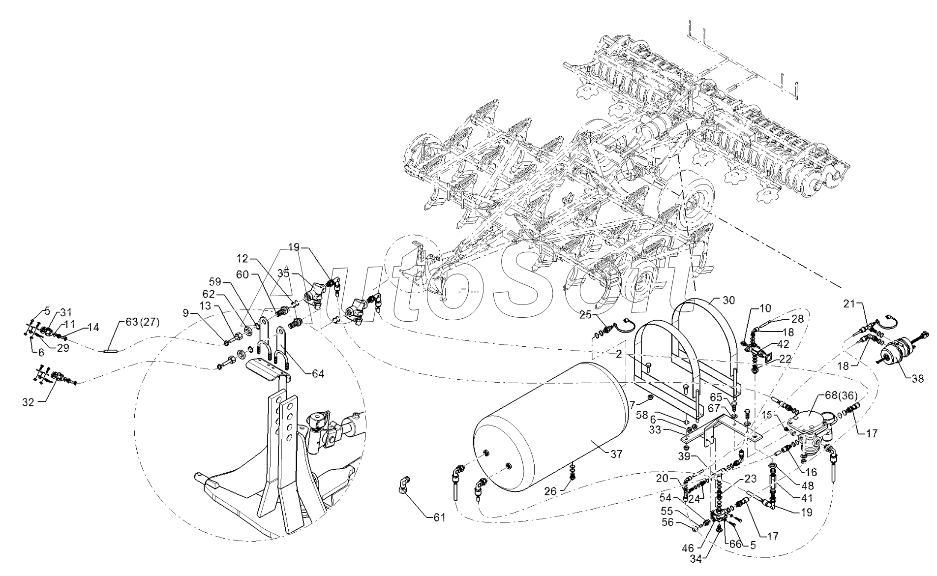
Каталог запасных частей к технике: Lemken Karat 9/600 KA (2016). 67710024 Compressed-air brake
56
34
35
36
37
38
39
41
42
46
48
54
55
33
58
59
60
61
62
63
64
65
66
67
68
19
19
5
5
6
6
7
9
10
11
12
13
15
16
17
17
18
18
2
20
21
22
23
25
26
28
30
31
32
| Позиция на иллюстрации | Заводской номер детали | Название детали | |
|---|---|---|---|
| 2 | 3***6 | Screw | |
| 5 | 3***3 | Bolt | |
| 6 | 3***2 | Selflocking nut | |
| 7 | 3***3 | Selflocking nut | |
| 9 | 3***5 | Hose clip | |
| 10 | 3***0 | Vent plug | |
| 11 | 3***0 | Thrust ring with O-ring | |
| 12 | 3***1 | Thrust ring with O-ring | |
| 13 | 3***1 | Hose nipple | |
| 15 | 3***0 | Plug | |
| 16 | 3***0 | Push-in connection | |
| 17 | 3***1 | Push-in connection | |
| 18 | 3***9 | Push-in connection | |
| 19 | 3***0 | Push-in connection | |
| 20 | 3***0 | Push-in connection | |
| 21 | 3***0 | Push-in connection | |
| 22 | 3***0 | Screwed socket | |
| 23 | 3***1 | Screwed socket | |
| 24 | 3***0 | Hose nipple | |
| 25 | 3***1 | Test coupling | |
| 26 | 3***0 | Dewatering valve | |
| 28 | 3***0 | Synthetic tube | |
| 30 | 3***2 | Strap | |
| 31 | 3***0 | Hose coupling | |
| 32 | 3***1 | Hose coupling | |
| 33 | 4***7 | Holder braking valve | |
| 34 | 5***0 | Venting filter | |
| 35 | 5***0 | Filter | |
| 36 | 5***0 | Trailer brake valve | |
| 37 | 5***2 | Compressed-air container | |
| 38 | 5***1 | Membrane-cylinder | |
| 39 | 5***0 | 2-port control valve | |
| 41 | 5***0 | Nonreturn valve | |
| 42 | 5***0 | Parking valve | |
| 46 | 5***1 | Quick release valve | |
| 48 | 3***8 | Nut | |
| 54 | 3***1 | Nipple | |
| 55 | 3***0 | Blind plug | |
| 56 | 3***0 | Union nut | |
| 58 | 3***3 | Nut | |
| 59 | 3***8 | Supporting washer | |
| 60 | 3***6 | Straight bulkhead screw | |
| 61 | 3***0 | Adjustable angle union | |
| 62 | 3***0 | Nut | |
| 63 | 3***1 | Brake hose | |
| 64 | 4***8 | Holder | |
| 65 | 3***4 | Bolt | |
| 66 | 3***4 | Washer | |
| 67 | 3***6 | Washer | |
| 68 | 5***9 | Trailer brake valve |
Содержащиеся в справочниках-каталогах запасные части и детали не предлагаются к продаже, а носят исключительно информационный характер. В демо-версии артикулы (номера деталей) скрыты. Если вы хотите видеть полные оригинальные номера запчастей, вам необходимо зарегистрироваться на нашем сайте и приобрести подписку по интересующей вас конфигурации, после этого вы сможете встроить онлайн-каталоги на ваш сайт или пользоваться ими из личного кабинета нашего сайта. Обращаем ваше внимание на то, что каталоги содержат информацию об оригинальных заводских номерах и названиях запчастей. База по аналогам в данный момент не реализована. Поиска по VIN-номерам в онлайн-каталоге не предусмотрено. Выбор конкретного каталога осуществляется путем открытия нужного типа техники, марки, модели с учетом года выпуска или модификации.