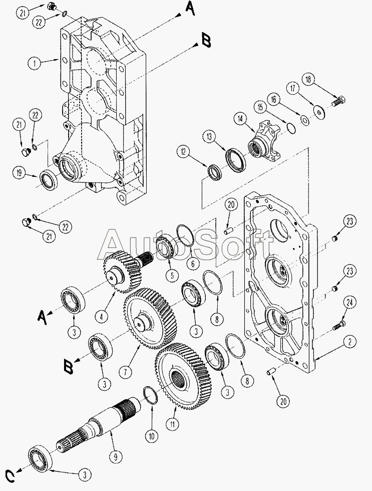
Каталог запасных частей к технике: New Holland Трактор TJ425 (часть 1) (2010). POWER TAKEOFF TRANSFER CASE ASSEMBLY
16
11
12
13
14
15
16
16
16
10
17
18
19
20
20
21
21
21
22
22
22
23
23
24
6
1
2
3
3
3
3
3
4
5
6
6
6
7
8
8
8
8
8
8
9
| Позиция на иллюстрации | Заводской номер детали | Название детали | |
|---|---|---|---|
| 403073A1 | 4***1 | GEARBOX ASSY | |
| 1 | 3***1 | HOUSING | |
| 2 | 3***1 | HOUSING | |
| 3 | 4***1 | BEARING | |
| 4 | 3***1 | GEAR | |
| 5 | 3***1 | BEARING | |
| 6 | 3***1 | SHIM | |
| 6 | 3***1 | SHIM | |
| 6 | 3***1 | SHIM | |
| 6 | 3***1 | SHIM | |
| 7 | 3***1 | GEAR | |
| 8 | 4***1 | SHIM | |
| 8 | 4***1 | SHIM | |
| 8 | 4***1 | SHIM | |
| 8 | 4***1 | SHIM | |
| 8 | 4***1 | SHIM | |
| 9 | 3***1 | SHAFT | |
| 10 | S***F | SNAP RING | |
| 11 | 3***1 | GEAR | |
| 12 | 3***1 | SPACER | |
| 13 | S***F | SEAL | |
| 14 | 3***1 | YOKE | |
| 15 | 3***1 | O-RING | |
| 16 | S***F | SHIM | |
| 16 | S***F | SHIM | |
| 16 | S***F | SHIM | |
| 16 | S***F | SHIM | |
| 17 | S***F | WASHER | |
| 18 | 8***0 | BOLT | |
| 19 | 3***1 | SEAL | |
| 20 | 4***1 | DOWEL | |
| 21 | 8***3 | PLUG | |
| 22 | 8***3 | O-RING | |
| 23 | 3***1 | PLUG | |
| 24 | 8***9 | BOLT |
Содержащиеся в справочниках-каталогах запасные части и детали не предлагаются к продаже, а носят исключительно информационный характер. В демо-версии артикулы (номера деталей) скрыты. Если вы хотите видеть полные оригинальные номера запчастей, вам необходимо зарегистрироваться на нашем сайте и приобрести подписку по интересующей вас конфигурации, после этого вы сможете встроить онлайн-каталоги на ваш сайт или пользоваться ими из личного кабинета нашего сайта. Обращаем ваше внимание на то, что каталоги содержат информацию об оригинальных заводских номерах и названиях запчастей. База по аналогам в данный момент не реализована. Поиска по VIN-номерам в онлайн-каталоге не предусмотрено. Выбор конкретного каталога осуществляется путем открытия нужного типа техники, марки, модели с учетом года выпуска или модификации.