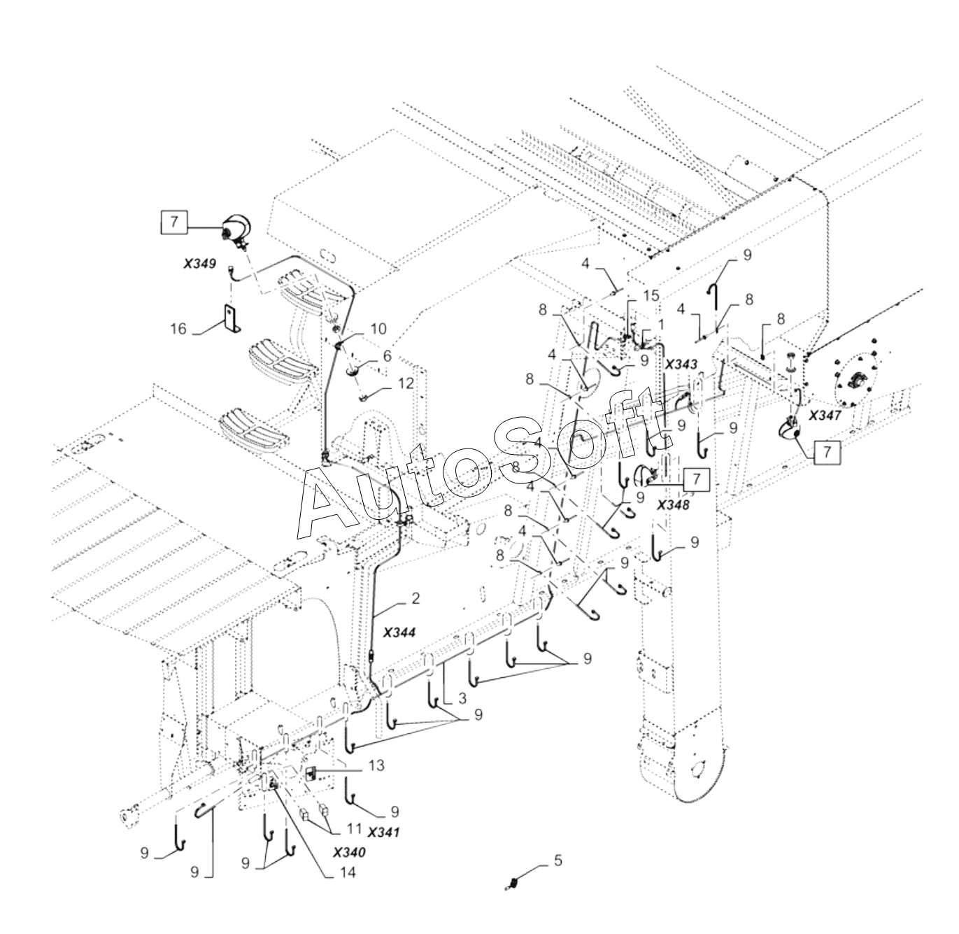
Каталог запасных частей к технике: New Holland Комбайн CR9080 E3 (часть 1) (2014). LIGHTING, UNDER SHIELD, R.H.
9
9
9
9
9
9
9
9
9
9
9
9
9
16
15
14
13
12
11
11
10
1
8
8
8
8
8
8
8
7
7
7
6
5
4
4
4
4
4
4
3
2
| Позиция на иллюстрации | Заводской номер детали | Название детали | |
|---|---|---|---|
| 1 | 1***8 | Clamp | |
| 2 | 8***6 | Wire harness | |
| 3 | 8***7 | Wire harness | |
| 4 | 4***5 | Rivet | |
| 5 | 8***7 | Bulb | |
| 6 | 3***8 | Belleville washer | |
| 7 | 8***5 | Work lamp | |
| 8 | 8***3 | Base | |
| 9 | 8***9 | Cable tie | |
| 10 | 8***2 | CLAMP | |
| 11 | 8***2 | Light switch | |
| 11 | 8***2 | Light switch | |
| 12 | 9***0 | Nut | |
| 13 | 8***0 | Decal | |
| 14 | 8***1 | Decal | |
| 15 | 1***8 | Clamp | |
| 16 | 8***9 | Support |
Содержащиеся в справочниках-каталогах запасные части и детали не предлагаются к продаже, а носят исключительно информационный характер. В демо-версии артикулы (номера деталей) скрыты. Если вы хотите видеть полные оригинальные номера запчастей, вам необходимо зарегистрироваться на нашем сайте и приобрести подписку по интересующей вас конфигурации, после этого вы сможете встроить онлайн-каталоги на ваш сайт или пользоваться ими из личного кабинета нашего сайта. Обращаем ваше внимание на то, что каталоги содержат информацию об оригинальных заводских номерах и названиях запчастей. База по аналогам в данный момент не реализована. Поиска по VIN-номерам в онлайн-каталоге не предусмотрено. Выбор конкретного каталога осуществляется путем открытия нужного типа техники, марки, модели с учетом года выпуска или модификации.