Каталог запасных частей к технике: New Holland Комбайн CR9080 E3 (часть 2) (2014). WIDE STRAW GUIDINGPLATE BUMPERS AND RAKES
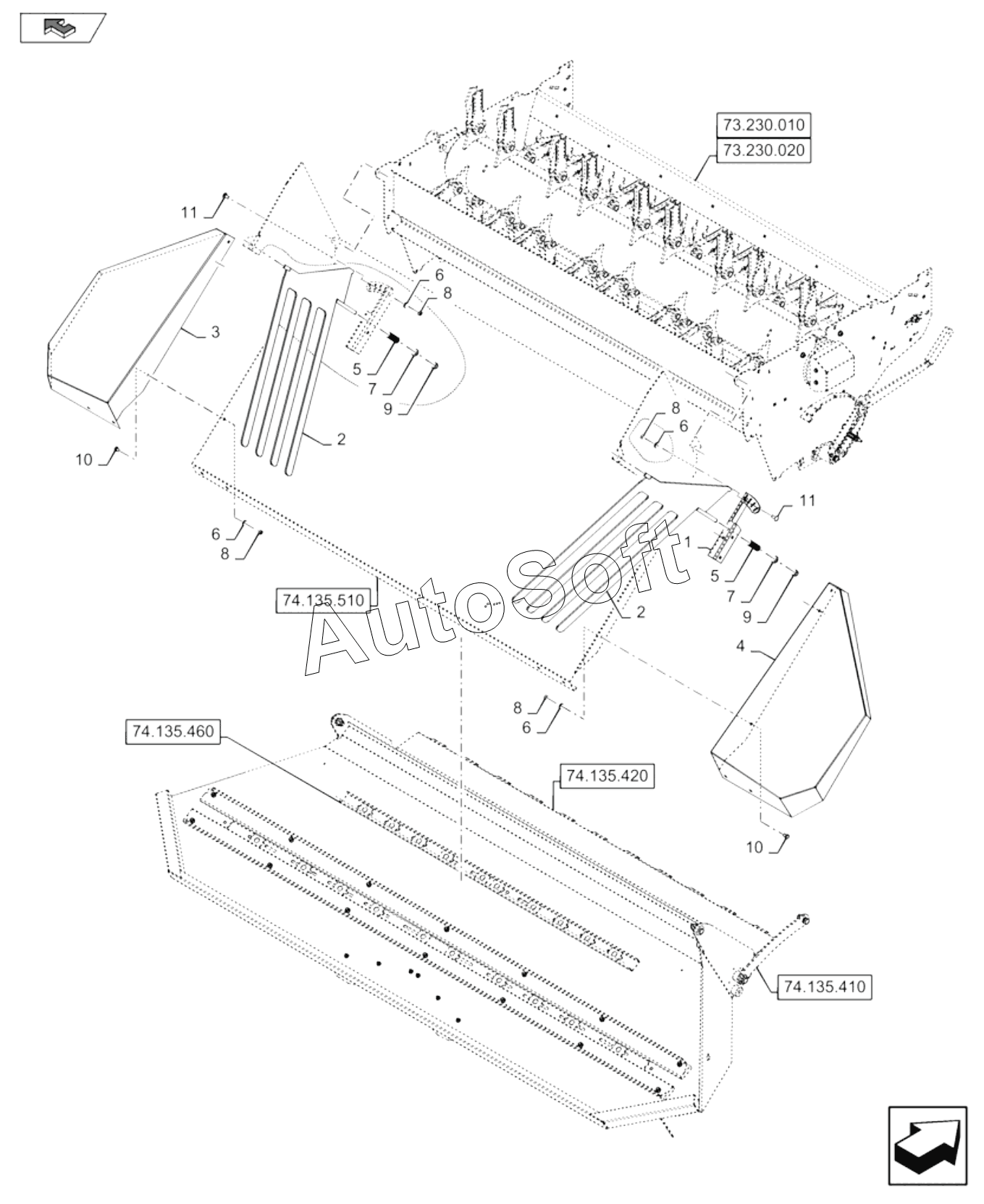
1
2
2
3
4
5
5
6
6
6
6
7
7
8
8
8
8
9
9
10
10
11
11
| Позиция на иллюстрации | Заводской номер детали | Название детали | |
|---|---|---|---|
| 1 | 8***2 | Swing carriage | |
| 2 | 8***0 | Rake | |
| 3 | 8***4 | Shield | |
| 4 | 8***7 | Bumper | |
| 5 | 3***5 | Spring | |
| 6 | 3***8 | Belleville washer | |
| 7 | 1***8 | Washer | |
| 8 | 9***0 | Nut | |
| 9 | 1***8 | Nut | |
| 10 | 3***9 | Bolt | |
| 11 | 8***6 | Carriage bolt |
Содержащиеся в справочниках-каталогах запасные части и детали не предлагаются к продаже, а носят исключительно информационный характер. В демо-версии артикулы (номера деталей) скрыты. Если вы хотите видеть полные оригинальные номера запчастей, вам необходимо зарегистрироваться на нашем сайте и приобрести подписку по интересующей вас конфигурации, после этого вы сможете встроить онлайн-каталоги на ваш сайт или пользоваться ими из личного кабинета нашего сайта. Обращаем ваше внимание на то, что каталоги содержат информацию об оригинальных заводских номерах и названиях запчастей. База по аналогам в данный момент не реализована. Поиска по VIN-номерам в онлайн-каталоге не предусмотрено. Выбор конкретного каталога осуществляется путем открытия нужного типа техники, марки, модели с учетом года выпуска или модификации.