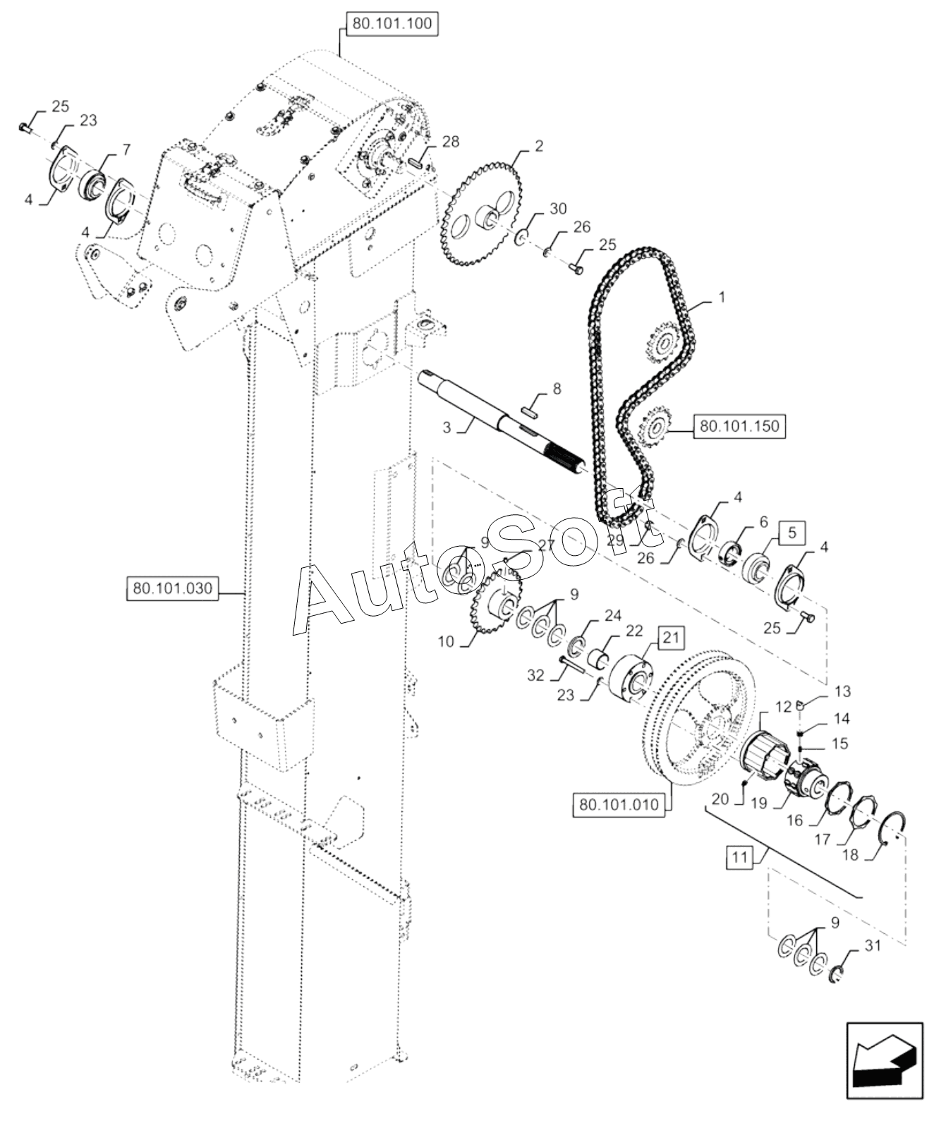
Каталог запасных частей к технике: New Holland Комбайн CR9080 E3 (часть 2) (2014). GRAIN ELEVATOR DRIVE
17
32
31
30
29
28
27
26
26
25
25
25
24
23
23
22
21
20
19
18
1
16
15
14
13
12
11
10
9
9
9
8
7
6
5
4
4
4
4
3
2
| Позиция на иллюстрации | Заводской номер детали | Название детали | |
|---|---|---|---|
| 1 | 8***3 | Chain | |
| 2 | 8***6 | Sprocket | |
| 3 | 8***3 | Shaft | |
| 4 | 8***2 | Flange | |
| 5 | 8***0 | Bearing assy | |
| 6 | 8***3 | Collar assy | |
| 7 | 8***2 | Ball bearing | |
| 8 | 8***9 | Key | |
| 9 | 8***4 | Washer | |
| 10 | 8***8 | Sprocket | |
| 11 | 8***0 | Clutch assembly | |
| 12 | N***S | Yoke | |
| 13 | 2***6 | Cam | |
| 14 | 3***0 | Spring | |
| 15 | 2***1 | Spring | |
| 16 | 4***4 | Sealing ring | |
| 17 | 8***7 | Disc | |
| 18 | 3***3 | Snap ring | |
| 19 | N***S | Yoke | |
| 20 | 8***9 | Lube nipple | |
| 21 | 8***9 | Support | |
| 22 | 5***8 | Bushing | |
| 23 | 3***8 | Belleville washer | |
| 24 | 8***7 | Washer | |
| 25 | 4***9 | SCREW | |
| 26 | 1***5 | Belleville washer | |
| 27 | 3***0 | Set screw | |
| 28 | 3***5 | Key | |
| 29 | 1***7 | NUT | |
| 30 | 8***7 | Washer | |
| 31 | 8***0 | Snap ring | |
| 32 | 1***2 | Bolt |
Содержащиеся в справочниках-каталогах запасные части и детали не предлагаются к продаже, а носят исключительно информационный характер. В демо-версии артикулы (номера деталей) скрыты. Если вы хотите видеть полные оригинальные номера запчастей, вам необходимо зарегистрироваться на нашем сайте и приобрести подписку по интересующей вас конфигурации, после этого вы сможете встроить онлайн-каталоги на ваш сайт или пользоваться ими из личного кабинета нашего сайта. Обращаем ваше внимание на то, что каталоги содержат информацию об оригинальных заводских номерах и названиях запчастей. База по аналогам в данный момент не реализована. Поиска по VIN-номерам в онлайн-каталоге не предусмотрено. Выбор конкретного каталога осуществляется путем открытия нужного типа техники, марки, модели с учетом года выпуска или модификации.