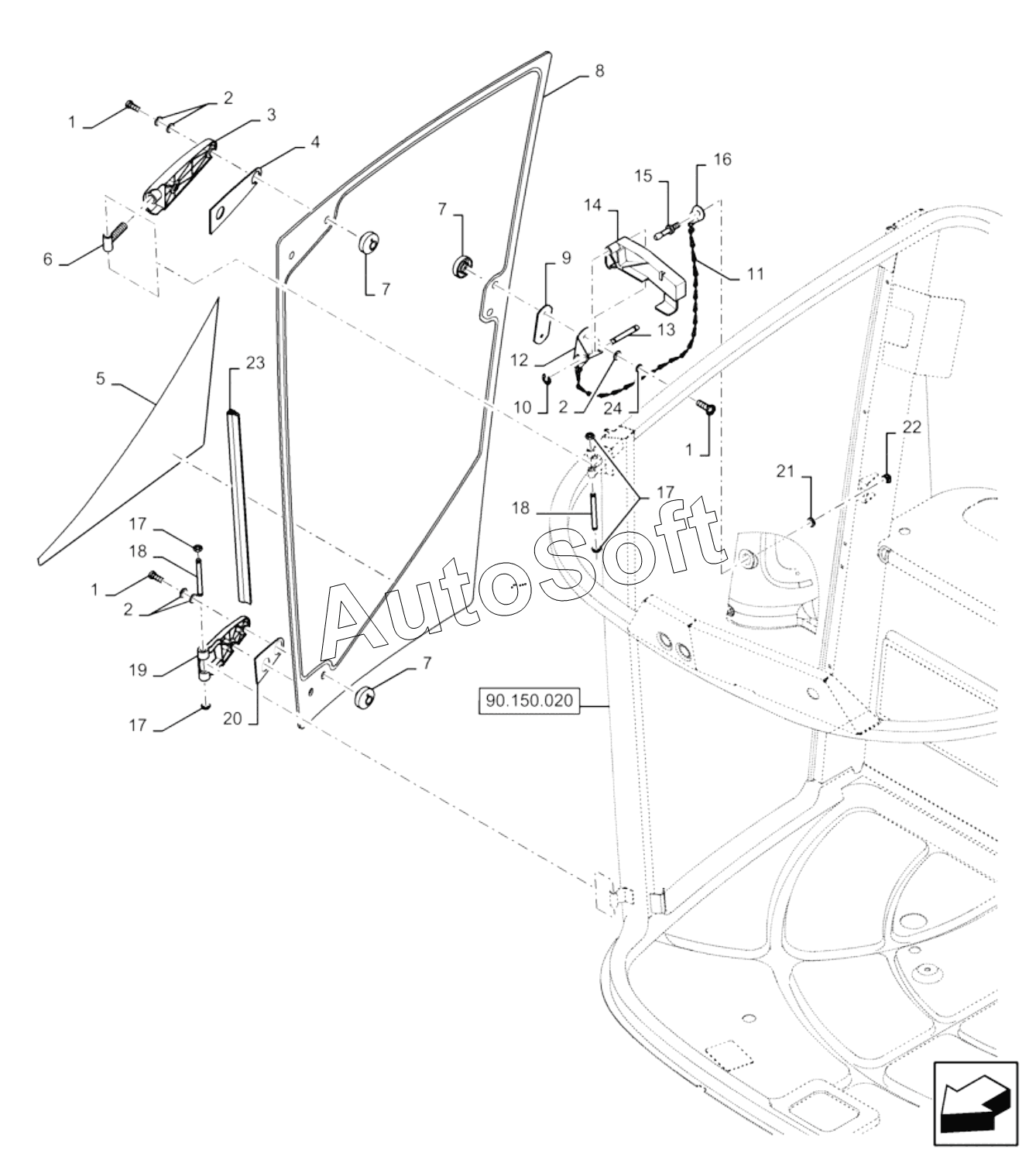
Каталог запасных частей к технике: New Holland Комбайн CR9080 E3 (часть 2) (2014). DOOR, RH
13
24
23
22
21
20
19
18
18
17
17
17
16
15
14
1
1
1
12
11
10
9
8
7
7
7
6
5
4
3
2
2
2
| Позиция на иллюстрации | Заводской номер детали | Название детали | |
|---|---|---|---|
| 1 | 8***6 | Lock bolt | |
| 2 | 8***7 | Washer | |
| 3 | 8***1 | Hinge | |
| 4 | 8***7 | Seal protection | |
| 5 | 8***5 | Decal | |
| 6 | 8***0 | Hinge | |
| 7 | 8***5 | Bushing | |
| 8 | 8***7 | Cab glass | |
| 9 | 8***5 | Seal protection | |
| 10 | 8***2 | Circlip | |
| 11 | 8***9 | Chain | |
| 12 | 8***9 | Bracket | |
| 13 | 8***8 | Pin | |
| 14 | 9***6 | Handle | |
| 15 | 8***8 | Pin | |
| 16 | 8***9 | Bracket | |
| 17 | 4***1 | Special washer | |
| 18 | 8***8 | Pin | |
| 19 | 8***3 | Hinge | |
| 20 | 8***6 | Seal protection | |
| 21 | 8***1 | Spacer | |
| 22 | 8***0 | Plate | |
| 23 | 8***8 | Seal | |
| 24 | 8***9 | Belleville washer |
Содержащиеся в справочниках-каталогах запасные части и детали не предлагаются к продаже, а носят исключительно информационный характер. В демо-версии артикулы (номера деталей) скрыты. Если вы хотите видеть полные оригинальные номера запчастей, вам необходимо зарегистрироваться на нашем сайте и приобрести подписку по интересующей вас конфигурации, после этого вы сможете встроить онлайн-каталоги на ваш сайт или пользоваться ими из личного кабинета нашего сайта. Обращаем ваше внимание на то, что каталоги содержат информацию об оригинальных заводских номерах и названиях запчастей. База по аналогам в данный момент не реализована. Поиска по VIN-номерам в онлайн-каталоге не предусмотрено. Выбор конкретного каталога осуществляется путем открытия нужного типа техники, марки, модели с учетом года выпуска или модификации.