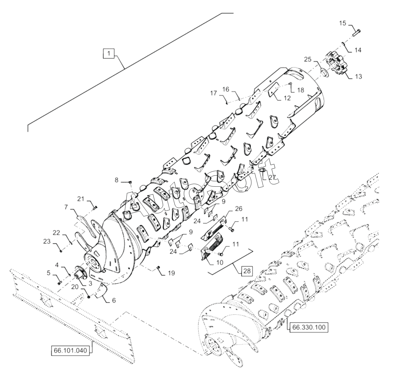
Каталог запасных частей к технике: New Holland Комбайн CR9080 E3 (часть 2) (2014). ROTOR CORN AND BEAN RH
14
28
27
26
25
24
24
23
22
21
20
19
18
17
16
15
1
13
12
11
11
10
9
9
8
7
6
5
5
4
3
2
| Позиция на иллюстрации | Заводской номер детали | Название детали | |
|---|---|---|---|
| 1 | 8***5 | Rotor | |
| 2 | N***S | Yoke | |
| 3 | 8***0 | Shaft | |
| 4 | 1***5 | Belleville washer | |
| 5 | 4***0 | BOLT | |
| 5 | 9***2 | Bolt | |
| 6 | 8***4 | Lug | |
| 7 | 8***5 | Lug | |
| 8 | 9***7 | Plug | |
| 9 | 9***7 | Shim | |
| 10 | N***S | Yoke | |
| 11 | 8***5 | Bolt | |
| 12 | 8***0 | Set of blades | |
| 13 | 8***3 | Splined coupling | |
| 14 | 1***8 | Belleville washer | |
| 15 | 1***2 | Bolt | |
| 16 | 3***8 | Belleville washer | |
| 17 | 8***0 | Flange nut | |
| 18 | 8***7 | Carriage bolt | |
| 19 | 2***4 | Plow bolt | |
| 20 | 8***9 | Flange nut | |
| 21 | 2***5 | Plow bolt | |
| 22 | 8***8 | Washer | |
| 23 | 9***2 | Nut | |
| 24 | 8***6 | Shim | |
| 25 | 8***8 | Plastic plug | |
| 26 | 8***6 | Rasp bar | |
| 27 | 8***7 | Dia kit | |
| 28 | 8***0 | Rasp bar set |
Содержащиеся в справочниках-каталогах запасные части и детали не предлагаются к продаже, а носят исключительно информационный характер. В демо-версии артикулы (номера деталей) скрыты. Если вы хотите видеть полные оригинальные номера запчастей, вам необходимо зарегистрироваться на нашем сайте и приобрести подписку по интересующей вас конфигурации, после этого вы сможете встроить онлайн-каталоги на ваш сайт или пользоваться ими из личного кабинета нашего сайта. Обращаем ваше внимание на то, что каталоги содержат информацию об оригинальных заводских номерах и названиях запчастей. База по аналогам в данный момент не реализована. Поиска по VIN-номерам в онлайн-каталоге не предусмотрено. Выбор конкретного каталога осуществляется путем открытия нужного типа техники, марки, модели с учетом года выпуска или модификации.