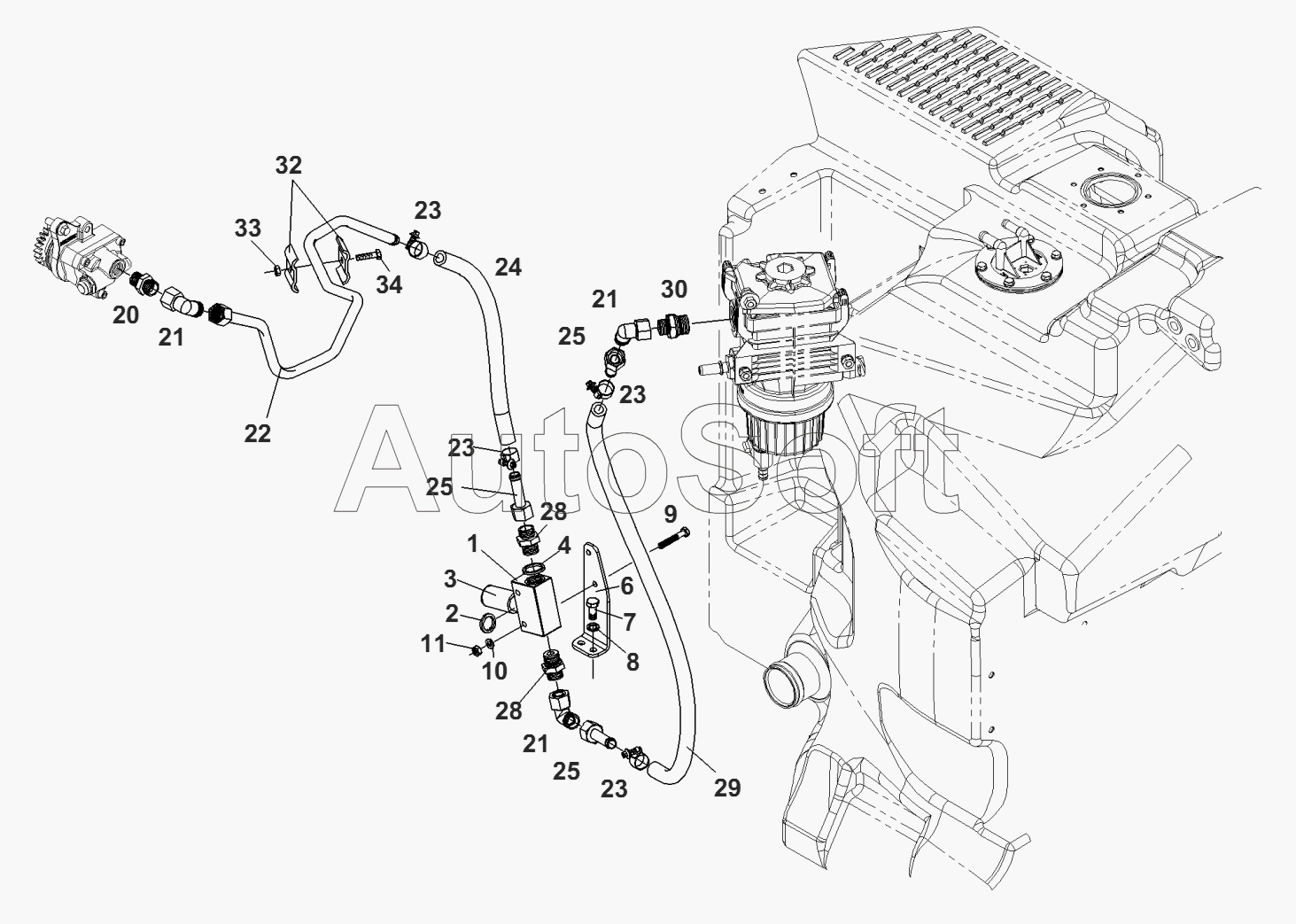
Каталог запасных частей к технике: AGCO Fendt-936 часть1 (2012). Двигатель-насос ручной
21
21
21
34
33
32
30
29
28
28
25
25
25
24
23
23
23
23
22
1
20
11
10
9
8
7
6
4
3
2
| Позиция на иллюстрации | Заводской номер детали | Название детали | |
|---|---|---|---|
| 1 | G***0 | насос подачи | |
| 2 | Х***0 | кольцо уплотнительное | |
| 3 | F***0 | насос ручной | |
| 4 | Х***0 | кольцо уплотнительное | |
| 6 | 9***0 | кронштейн | |
| 7 | Х***0 | винт шестигранный | |
| 8 | Х***0 | кольцо пружинное | |
| 9 | Х***0 | винт шестигранный | |
| 10 | Х***0 | шайба | |
| 11 | Х***0 | гайка | |
| 20 | Х***0 | штуцер резьбовой | |
| 21 | Х***0 | ESTB-соединение | |
| 22 | Н***3 | труба | |
| 23 | Х***0 | хомут | |
| 24 | Х***0 | шланг напорный | |
| 25 | Н***0 | труба | |
| 28 | Х***0 | штуцер резьбовой | |
| 29 | Х***0 | шланг напорный | |
| 30 | Х***0 | штуцер резьбовой | |
| 32 | 1***0 | хомут | |
| 33 | Х***0 | гайка | |
| 34 | Х***0 | винт шестигранный |
Содержащиеся в справочниках-каталогах запасные части и детали не предлагаются к продаже, а носят исключительно информационный характер. В демо-версии артикулы (номера деталей) скрыты. Если вы хотите видеть полные оригинальные номера запчастей, вам необходимо зарегистрироваться на нашем сайте и приобрести подписку по интересующей вас конфигурации, после этого вы сможете встроить онлайн-каталоги на ваш сайт или пользоваться ими из личного кабинета нашего сайта. Обращаем ваше внимание на то, что каталоги содержат информацию об оригинальных заводских номерах и названиях запчастей. База по аналогам в данный момент не реализована. Поиска по VIN-номерам в онлайн-каталоге не предусмотрено. Выбор конкретного каталога осуществляется путем открытия нужного типа техники, марки, модели с учетом года выпуска или модификации.