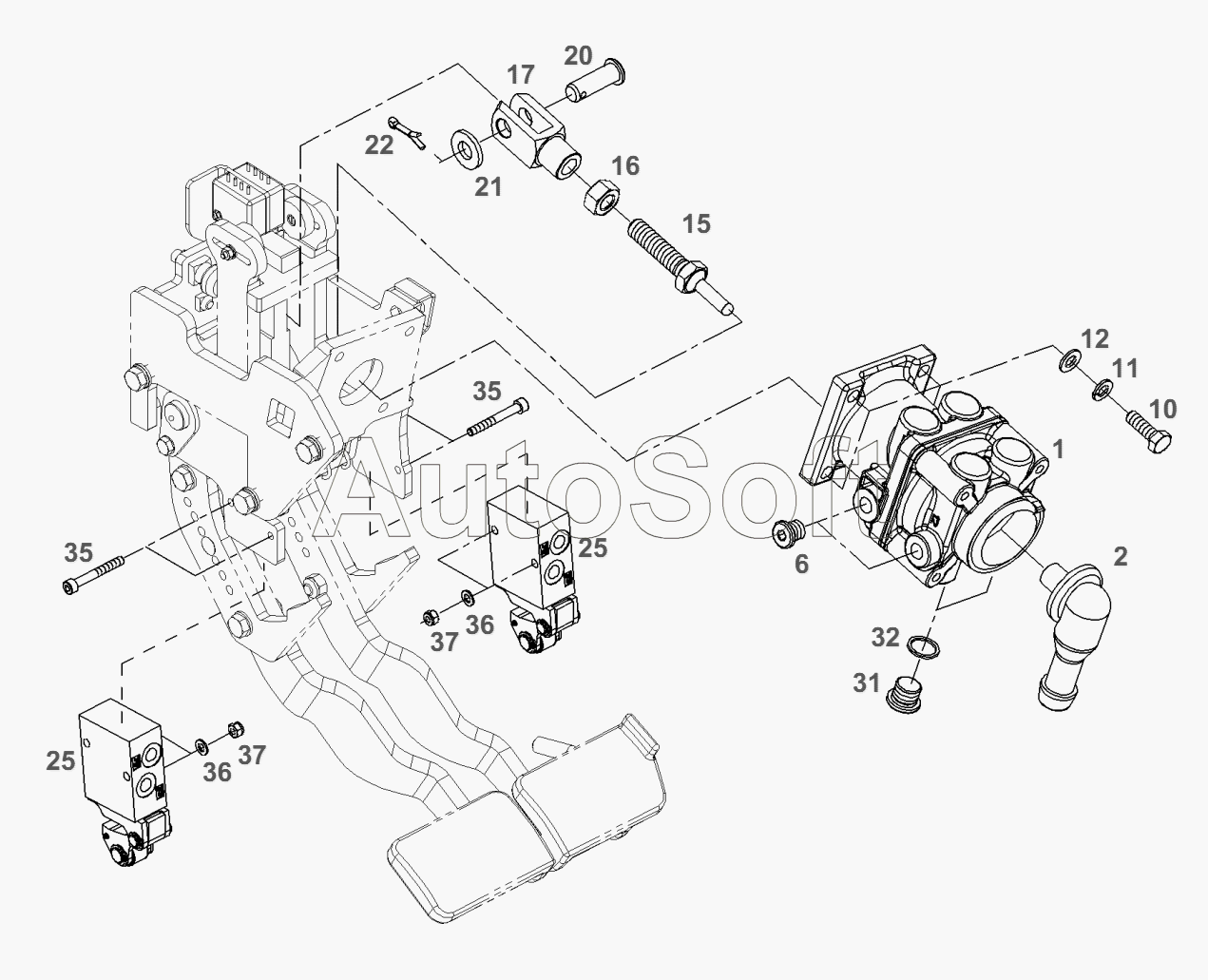
Каталог запасных частей к технике: AGCO Fendt-936 часть1 (2012). Коробка передач-тормозной клапан
20
37
37
36
36
35
35
32
31
25
25
22
21
1
17
16
15
12
11
10
6
2
| Позиция на иллюстрации | Заводской номер детали | Название детали | |
|---|---|---|---|
| 1 | G***0 | тормозной клапан | |
| 2 | F***0 | комплект ремонтный | |
| 6 | Х***0 | пробка запорная | |
| 10 | Х***0 | винт шестигранный | |
| 11 | Х***0 | кольцо пружинное | |
| 12 | Х***0 | шайба | |
| 15 | 9***0 | штанга | |
| 16 | Х***0 | гайка | |
| 17 | Х***0 | головка вилки | |
| 20 | Х***0 | палец | |
| 21 | Х***0 | шайба | |
| 22 | Х***0 | шплинт | |
| 25 | G***1 | клапан | |
| 31 | Х***0 | пробка запорная | |
| 32 | Х***0 | кольцо уплотнительное | |
| 35 | Х***0 | болт цилиндрический | |
| 36 | Х***0 | шайба | |
| 37 | Х***0 | гайка |
Содержащиеся в справочниках-каталогах запасные части и детали не предлагаются к продаже, а носят исключительно информационный характер. В демо-версии артикулы (номера деталей) скрыты. Если вы хотите видеть полные оригинальные номера запчастей, вам необходимо зарегистрироваться на нашем сайте и приобрести подписку по интересующей вас конфигурации, после этого вы сможете встроить онлайн-каталоги на ваш сайт или пользоваться ими из личного кабинета нашего сайта. Обращаем ваше внимание на то, что каталоги содержат информацию об оригинальных заводских номерах и названиях запчастей. База по аналогам в данный момент не реализована. Поиска по VIN-номерам в онлайн-каталоге не предусмотрено. Выбор конкретного каталога осуществляется путем открытия нужного типа техники, марки, модели с учетом года выпуска или модификации.