Меню Закрыть

Демо

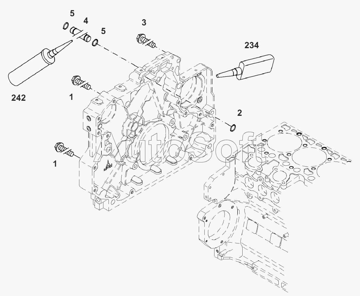
Каталог запасных частей к технике: AGCO Fendt-936 часть1 (2012). Двигатель-редукторы бортовые

zoom-in zoom-out enlarge shrink circle-right circle-left file-text2 info cart
1
1
2
3
4
5
5
234
242
Позиция на иллюстрации Заводской номер детали Название детали
1 F***0 винт шестигранный
2 F***0 кольцо уплотнительное
3 F***0 винт шестигранный
4 F***0 палец
5 F***0 кольцо уплотнительное
234 F***0 масса уплотнитнительная
242 F***0 материал для сборки
Содержащиеся в справочниках-каталогах запасные части и детали не предлагаются к продаже, а носят исключительно информационный характер. В демо-версии артикулы (номера деталей) скрыты. Если вы хотите видеть полные оригинальные номера запчастей, вам необходимо зарегистрироваться на нашем сайте и приобрести подписку по интересующей вас конфигурации, после этого вы сможете встроить онлайн-каталоги на ваш сайт или пользоваться ими из личного кабинета нашего сайта. Обращаем ваше внимание на то, что каталоги содержат информацию об оригинальных заводских номерах и названиях запчастей. База по аналогам в данный момент не реализована. Поиска по VIN-номерам в онлайн-каталоге не предусмотрено. Выбор конкретного каталога осуществляется путем открытия нужного типа техники, марки, модели с учетом года выпуска или модификации.