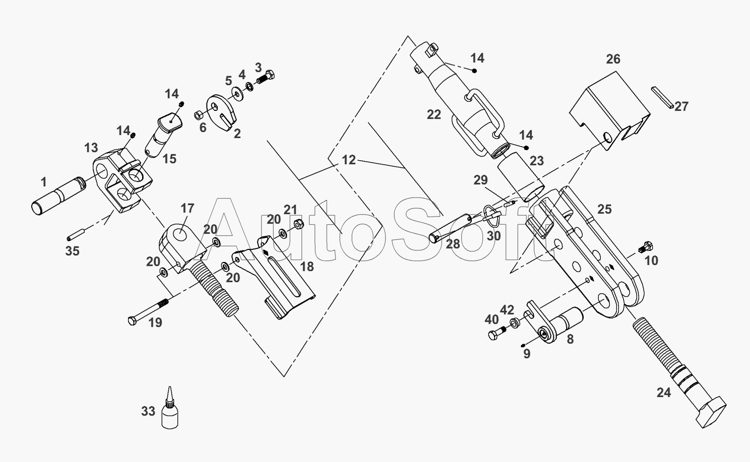
Каталог запасных частей к технике: AGCO Fendt-936 часть2 (2012). Трехточечная подвеска-раскос подъема
19
42
40
35
33
30
29
28
27
26
25
24
23
22
21
20
20
20
20
1
18
17
15
14
14
14
14
13
12
10
9
8
6
5
4
3
2
| Позиция на иллюстрации | Заводской номер детали | Название детали | |
|---|---|---|---|
| 1 | 9***0 | палец | |
| 2 | 9***0 | шайба стопорная | |
| 3 | Х***0 | винт шестигранный | |
| 4 | Х***0 | кольцо пружинное | |
| 5 | Х***0 | шайба | |
| 6 | 9***0 | втулка | |
| 8 | G***1 | палец | |
| 9 | Х***0 | нипель для смазки | |
| 10 | Х***0 | винт шестигранный | |
| 12 | G***2 | раскос подъема | |
| 13 | F***0 | головка вилки | |
| 14 | Х***0 | нипель для смазки | |
| 15 | F***0 | палец | |
| 17 | F***0 | головка штанги | |
| 18 | F***0 | собачка стопорная | |
| 19 | Х***0 | винт шестигранный | |
| 20 | Х***0 | шайба | |
| 21 | Х***0 | гайка | |
| 22 | F***0 | ступенчатая трубка | |
| 23 | F***0 | манжета | |
| 24 | F***0 | головка штанги | |
| 25 | F***0 | вилка | |
| 26 | 9***0 | шайба стопорная | |
| 27 | Х***5 | лента уплотнительная | |
| 28 | 9***0 | палец | |
| 29 | Х***0 | SP-стержень | |
| 30 | Х***0 | штекер откидной | |
| 33 | Х***0 | LOCTITE | |
| 35 | Х***0 | SP-стержень | |
| 40 | Х***0 | винт шестигранный | |
| 42 | 7***0 | втулка фасонная |
Содержащиеся в справочниках-каталогах запасные части и детали не предлагаются к продаже, а носят исключительно информационный характер. В демо-версии артикулы (номера деталей) скрыты. Если вы хотите видеть полные оригинальные номера запчастей, вам необходимо зарегистрироваться на нашем сайте и приобрести подписку по интересующей вас конфигурации, после этого вы сможете встроить онлайн-каталоги на ваш сайт или пользоваться ими из личного кабинета нашего сайта. Обращаем ваше внимание на то, что каталоги содержат информацию об оригинальных заводских номерах и названиях запчастей. База по аналогам в данный момент не реализована. Поиска по VIN-номерам в онлайн-каталоге не предусмотрено. Выбор конкретного каталога осуществляется путем открытия нужного типа техники, марки, модели с учетом года выпуска или модификации.