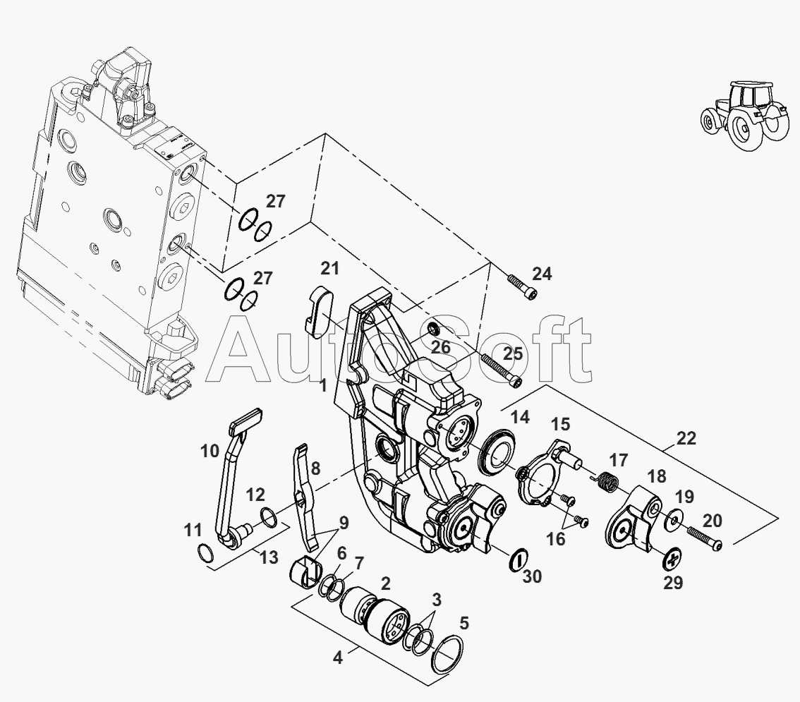
Каталог запасных частей к технике: AGCO Fendt-936 часть3 (2012). Гидравлическое оснащение-втулка муфты соединительной
19
30
30
29
29
26
25
25
24
24
22
21
19
1
18
17
14
13
12
11
9
5
4
3
| Позиция на иллюстрации | Заводской номер детали | Название детали | |
|---|---|---|---|
| F931.962.020.420 | F***0 | комплект прокладок | |
| 1 | G***2 | втулка муфты соединительная | |
| 3 | F***0 | комплект прокладок | |
| 4 | F***0 | комплект прокладок | |
| 5 | F***0 | кольцо стопорное | |
| 9 | F***0 | деталей комплект | |
| 11 | F***0 | кольцо стопорное | |
| 12 | F***0 | кольцо уплотнительное | |
| 13 | F***0 | разблокировка | |
| 14 | 7***1 | уплотнение | |
| 17 | 7***1 | пружина | |
| 18 | 7***0 | заслонка | |
| 19 | Х***0 | шайба | |
| 19 | Х***0 | шайба | |
| 21 | F***0 | уплотнение | |
| 22 | F***0 | детали облицовки | |
| 24 | Х***0 | болт цилиндрический | |
| 24 | Х***0 | болт цилиндрический | |
| 25 | Х***0 | болт цилиндрический | |
| 25 | Х***0 | болт цилиндрический | |
| 26 | 9***0 | замок | |
| 29 | 1***0 | зажим пружинный | |
| 29 | 1***0 | зажим пружинный | |
| 30 | 1***0 | зажим пружинный | |
| 30 | 1***0 | зажим пружинный |
Содержащиеся в справочниках-каталогах запасные части и детали не предлагаются к продаже, а носят исключительно информационный характер. В демо-версии артикулы (номера деталей) скрыты. Если вы хотите видеть полные оригинальные номера запчастей, вам необходимо зарегистрироваться на нашем сайте и приобрести подписку по интересующей вас конфигурации, после этого вы сможете встроить онлайн-каталоги на ваш сайт или пользоваться ими из личного кабинета нашего сайта. Обращаем ваше внимание на то, что каталоги содержат информацию об оригинальных заводских номерах и названиях запчастей. База по аналогам в данный момент не реализована. Поиска по VIN-номерам в онлайн-каталоге не предусмотрено. Выбор конкретного каталога осуществляется путем открытия нужного типа техники, марки, модели с учетом года выпуска или модификации.