Каталог запасных частей к технике: Versatile серии GENESIS (2008). 03A01 Ось передняя регулируемая 2WD
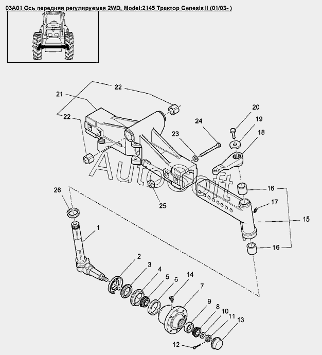
15
26
25
24
23
22
22
21
20
19
18
18
18
17
16
16
15
15
1
14
13
12
11
10
9
8
7
6
5
4
3
2
| Позиция на иллюстрации | Заводской номер детали | Название детали | |
|---|---|---|---|
| 1 | 8***2 | Шкворень с кулаком в сборе 2WD, Genesis | |
| 2 | 8***4 | Пыльник 2WD, Genesis | |
| 3 | 8***3 | Манжета поворотного кулака 2WD, Genesis | |
| 4 | 8***1 | Фиксатор | |
| 5 | 8***7 | Обойма подшипника внутренняя диам.внутр.66.7 толщина 22мм | |
| 6 | 1***4 | Обойма подшипника наружная, диам.наруж.4.3317 толщина 0.7411dm | |
| 7 | 8***0 | Ступица 2WD | |
| 8 | 5***4 | Обойма подшипника внутренняя | |
| 9 | 1***8 | Обойма наружная подшипника, диам.наруж.3.265 толщина 0.75dm | |
| 10 | 8***9 | Шайба плоская, 2WD | |
| 11 | 8***8 | Корончатая гайка M30 x 1.5 | |
| 12 | 3***3 | Шплинт, 6.3х50 | |
| 13 | 8***7 | Колпак | |
| 14 | 8***6 | Фитинг 45° 3/16dm | |
| 15 | 8***6 | Шарнир правый 2WD | |
| 15 | 8***9 | Шарнир левый 2WD | |
| 16 | 8***7 | Втулка | |
| 17 | 8***5 | Фитинг 3/16dm | |
| 18 | 8***8 | Рычаг левый 2WD | |
| 18 | 8***0 | Рычаг правый 2WD | |
| 19 | 8***1 | Шайба рулевого рычага | |
| 20 | 8***6 | Болт M20x2.5x55 Cl 8.8 | |
| 21 | 8***4 | Ось передняя 2WD | |
| 22 | 8***3 | Втулка диам.наруж. 64.96 длина 50 | |
| 23 | 8***2 | Шайба плоская | |
| 24 | 8***5 | Болт M24x3x200 Cl 8.8 | |
| 25 | 8***3 | Гайка квадратная М24 | |
| 26 | 8***5 | Подшипник упорный, диам.внутр.78.583 толщина 15.375мм |
Содержащиеся в справочниках-каталогах запасные части и детали не предлагаются к продаже, а носят исключительно информационный характер. В демо-версии артикулы (номера деталей) скрыты. Если вы хотите видеть полные оригинальные номера запчастей, вам необходимо зарегистрироваться на нашем сайте и приобрести подписку по интересующей вас конфигурации, после этого вы сможете встроить онлайн-каталоги на ваш сайт или пользоваться ими из личного кабинета нашего сайта. Обращаем ваше внимание на то, что каталоги содержат информацию об оригинальных заводских номерах и названиях запчастей. База по аналогам в данный момент не реализована. Поиска по VIN-номерам в онлайн-каталоге не предусмотрено. Выбор конкретного каталога осуществляется путем открытия нужного типа техники, марки, модели с учетом года выпуска или модификации.