Каталог запасных частей к технике: Vaderstad RAPID RD 300C, 300S, 400C, 400S (2008). Wheel beam, Offset RD 300-400C/S
12
18
18
18
17
16
16
15
14
13
13
13
13
1
1
11
11
11
10
9
8
7
6
6
5
4
4
4
4
4
4
4
4
4
4
3
3
2
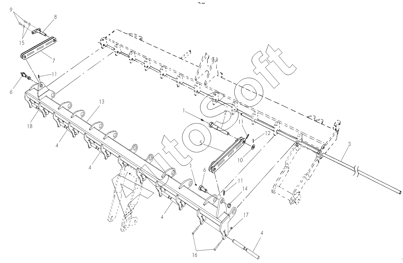
| Позиция на иллюстрации | Заводской номер детали | Название детали | |
|---|---|---|---|
| 1 | 4***1 | Lubricating nipple | |
| 2 | 4***3 | Pin | |
| 3 | 4***5 | Axle, wheel beam | |
| 3 | 4***6 | Axle | |
| 4 | 4***4 | Axle | |
| 4 | 4***0 | Axle | |
| 5 | 4***4 | Push rod | |
| 6 | 4***4 | Pin | |
| 7 | 4***5 | Push rod | |
| 8 | 4***7 | Pin | |
| 9 | 5***1 | Screw | |
| 10 | 5***1 | Washer | |
| 11 | 5***1 | Roll pin | |
| 12 | 5***0 | Split pin | |
| 13 | 4***9 | Wheel beam | |
| 13 | 4***0 | Wheel beam | |
| 13 | 4***9 | Wheel beam | |
| 13 | 4***0 | Wheel beam | |
| 14 | 5***0 | Roll pin | |
| 15 | 5***1 | Washer | |
| 16 | 5***1 | Screw | |
| 16 | 5***1 | Roll pin | |
| 17 | 5***1 | Lock nut | |
| 18 | 4***4 | Axle | |
| 18 | 4***5 | Axle | |
| 18 | 4***0 | Axle |
Содержащиеся в справочниках-каталогах запасные части и детали не предлагаются к продаже, а носят исключительно информационный характер. В демо-версии артикулы (номера деталей) скрыты. Если вы хотите видеть полные оригинальные номера запчастей, вам необходимо зарегистрироваться на нашем сайте и приобрести подписку по интересующей вас конфигурации, после этого вы сможете встроить онлайн-каталоги на ваш сайт или пользоваться ими из личного кабинета нашего сайта. Обращаем ваше внимание на то, что каталоги содержат информацию об оригинальных заводских номерах и названиях запчастей. База по аналогам в данный момент не реализована. Поиска по VIN-номерам в онлайн-каталоге не предусмотрено. Выбор конкретного каталога осуществляется путем открытия нужного типа техники, марки, модели с учетом года выпуска или модификации.