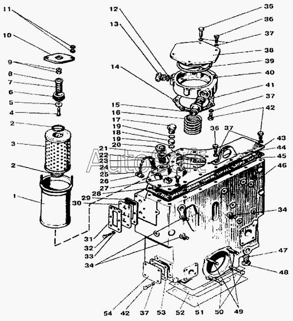
Каталог запасных частей к технике: МТЗ-900. Бак масляный и Фильтр
40
26
27
28
29
30
31
32
33
34
34
35
36
36
37
37
37
37
38
39
25
41
42
42
43
44
45
46
47
48
49
50
51
52
53
54
11
1
2
2
3
4
5
6
7
8
9
10
12
13
14
15
16
17
18
19
19
20
21
22
23
24
| Позиция на иллюстрации | Заводской номер детали | Название детали | |
|---|---|---|---|
| 85-4608010-03 | 8***3 | Корпус бака гидросистемы | |
| 85-4608090 | 8***0 | Клапан 85-4608091 в сборе | |
| А28.04.10.000 | А***0 | Клапан 8.20.004 в сборе | |
| Гайка М10 | Г***0 | Гайка М10 | |
| Шайба ШП10 | Ш***0 | Шайба ШП10 | |
| 1 | А***А | Корпус | |
| 2 | 0***2 | Кольцо | |
| 3 | 7***0 | Элемент фильтрующий Реготмас 635-1 | |
| 4 | В***0 | Винт В1.М6х40 | |
| 5 | 8***4 | Клапан | |
| 6 | А***1 | Корпус | |
| 7 | 8***2 | Пружина | |
| 8 | 8***5 | Шайба опорная | |
| 9 | Г***6 | Гайка 2М6 | |
| 10 | А***1 | Ограничитель | |
| 11 | Г***6 | Гайка М6 | |
| 12 | К***4 | Кольцо 021-025-25-1-4 | |
| 13 | 8***1 | Пробка | |
| 14 | 8***9 | Прокладка | |
| 15 | С***4 | Штуцер | |
| 16 | 8***7 | Пружина | |
| 17 | 5***9 | Пробка сапуна | |
| 18 | 5***3 | Фильтр | |
| 19 | 5***2 | Шайба сапуна | |
| 20 | П***4 | Пробка КГ 1/4 | |
| 21 | А***2 | Фильтр | |
| 22 | 8***1 | Клапан | |
| 23 | 5***0 | Цепочка | |
| 24 | К***2 | Кольцо 011-015-25-2-2 | |
| 25 | 3***7 | Кольцо | |
| 26 | 5***9 | Чека | |
| 27 | Б***0 | Болт М12х20 | |
| 28 | Ш***2 | Шайба ШП12 | |
| 29 | 8***6 | Прокладка | |
| 30 | 8***7 | Указатель | |
| 31 | 8***8 | Пластина | |
| 32 | Б***0 | Болт М6х20 | |
| 33 | Ш***6 | Шайба ШП6 | |
| 34 | Ш***0 | Шпилька М10х Т2/6g х20 | |
| 35 | Б***0 | Болт М8х80 | |
| 36 | Б***5 | Болт М8х25 | |
| 37 | Ш***8 | Шайба ШП8 | |
| 38 | 8***2 | Крышка | |
| 39 | К***4 | Кольцо 130-135-30-2-4 | |
| 40 | 8***1 | Стакан | |
| 41 | К***4 | Кольцо 027-032-30-2-4 | |
| 42 | Б***0 | Болт М8х20 | |
| 43 | 8***2 | Крышка | |
| 44 | 8***3 | Кронштейн | |
| 45 | 8***1 | Прокладка | |
| 46 | 8***6 | Корпус гидросистемы | |
| 47 | К***2 | Кольцо 017-022-30-2-2 | |
| 48 | 5***В | Пробка | |
| 49 | Ш***5 | Шпилька М10х Т2/6g х35 | |
| 50 | Б***0 | Болт М10х40 | |
| 51 | 7***2 | Пластина | |
| 52 | 5***9 | Прокладка | |
| 53 | 7***3 | Прокладка | |
| 54 | 7***9 | Крышка |
Содержащиеся в справочниках-каталогах запасные части и детали не предлагаются к продаже, а носят исключительно информационный характер. В демо-версии артикулы (номера деталей) скрыты. Если вы хотите видеть полные оригинальные номера запчастей, вам необходимо зарегистрироваться на нашем сайте и приобрести подписку по интересующей вас конфигурации, после этого вы сможете встроить онлайн-каталоги на ваш сайт или пользоваться ими из личного кабинета нашего сайта. Обращаем ваше внимание на то, что каталоги содержат информацию об оригинальных заводских номерах и названиях запчастей. База по аналогам в данный момент не реализована. Поиска по VIN-номерам в онлайн-каталоге не предусмотрено. Выбор конкретного каталога осуществляется путем открытия нужного типа техники, марки, модели с учетом года выпуска или модификации.