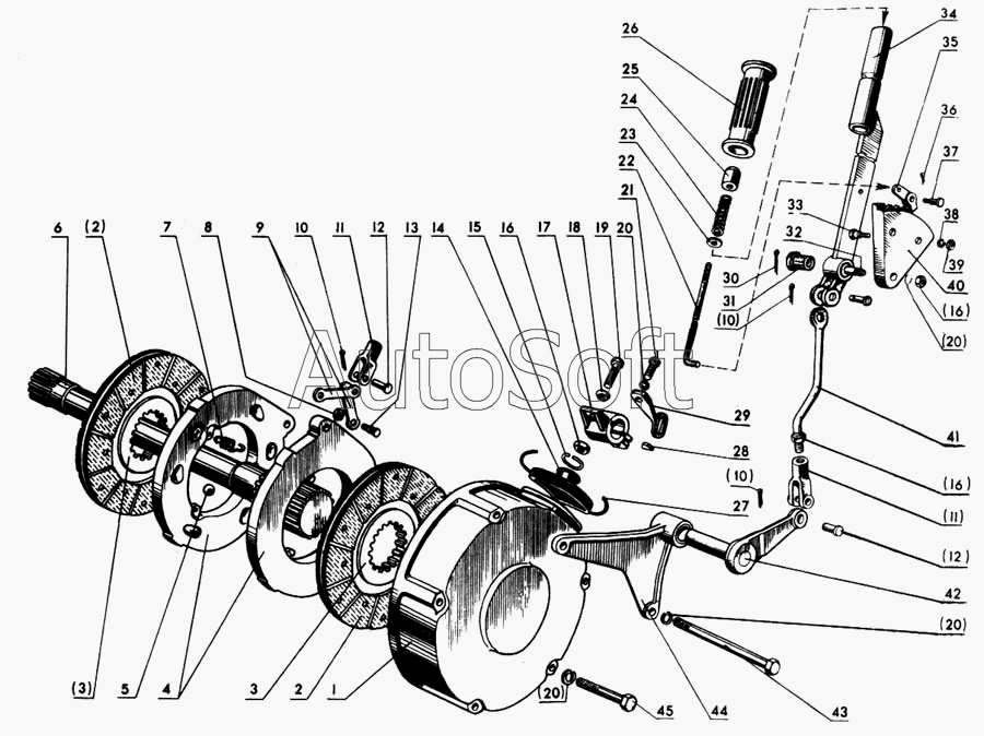
Каталог запасных частей к технике: МТЗ-80 (1998). Стояночно-запасной тормоз
34
23
24
25
26
27
28
29
30
31
32
33
22
35
36
37
38
39
40
41
42
43
44
45
10
10
10
1
2
2
3
3
4
5
6
7
8
9
11
11
12
12
13
14
15
16
16
16
17
18
19
20
20
20
20
21
| Позиция на иллюстрации | Заводской номер детали | Название детали | |
|---|---|---|---|
| 50-3502010 | 5***0 | Тормоз в сборе | |
| 50-3502030-А | 5***А | Диски нажимные в сборе | |
| 50-3502040-А | 5***А | Диск | |
| 1 | 5***5 | Кожух | |
| 2 | А***1 | Накладка | |
| 3 | 5***0 | Диск | |
| 4 | 5***Б | Диск нажимной | |
| 5 | Ш***0 | Шарик 22,225-100 | |
| 6 | 7***5 | Вал | |
| 7 | 7***3 | Пружина | |
| 8 | Г***0 | Гайка М8.6Н.6.019 ГОСТ 5915-70 | |
| 9 | 5***6 | Тяга | |
| 10 | Ш***6 | Шплинт 3,2х18-001 ГОСТ 397-66 | |
| 11 | 5***3 | Вилка | |
| 12 | П***5 | Палец 12х32 ОСТ 37.001.163-75 | |
| 13 | 5***8 | Палец | |
| 14 | 5***2 | Чехол | |
| 15 | 3***8 | Кольцо пружинное | |
| 16 | Г***0 | Гайка М12х1,25.6Н.6.019 ГОСТ 5916-70 | |
| 17 | 5***7 | Рычаг | |
| 18 | 7***8 | Шайба | |
| 19 | 7***9 | Болт | |
| 20 | Ш***0 | Шайба 12ОТ 65Г 06 ГОСТ 6402-70 | |
| 21 | Б***0 | Болт М12-6gх40.88.35.019 7796-70 | |
| 22 | 7***2 | Тяга | |
| 23 | Ш***8 | Шайба 5.01.019 ГОСТ 6958-68 | |
| 24 | 5***7 | Пружина | |
| 25 | А***2 | Кнопка | |
| 26 | 7***5 | Рукоятка | |
| 27 | П***4 | Проволока 1,6х300 ГОСТ 3482-74 | |
| 28 | Ш***8 | Шпонка 6х11 ГОСТ 8785-68 | |
| 29 | 7***7 | Рычаг | |
| 30 | 7***Б | Втулка | |
| 31 | Ш***6 | Шплинт 4,0х22-001 ГОСТ 397-66 | |
| 32 | 7***Б | Ось | |
| 33 | Б***0 | Болт М10-6gх30.88.35.019 ГОСТ 7796-70 | |
| 34 | 7***0 | Рычаг | |
| 35 | 5***6 | Защелка | |
| 36 | Ш***8 | Шплинт 2х12-001 ГОСТ 397-68 | |
| 37 | 7***4 | Ось | |
| 38 | Ш***0 | Шайба 10ОТ 65Г 06 ГОСТ 6402-70 | |
| 39 | Г***0 | Гайка М10.6Н.6.019 ГОСТ 5915-70 | |
| 40 | 7***Б | Сектор | |
| 41 | 7***1 | Тяга | |
| 42 | 7***0 | Валик | |
| 43 | Б***0 | Болт М12-6gх200.88.35.019 ГОСТ 7796-70 | |
| 44 | 7***0 | Кронштейн | |
| 45 | Б***0 | Болт М2-6gх180.35.019 ГОСТ 7796-70 |
Содержащиеся в справочниках-каталогах запасные части и детали не предлагаются к продаже, а носят исключительно информационный характер. В демо-версии артикулы (номера деталей) скрыты. Если вы хотите видеть полные оригинальные номера запчастей, вам необходимо зарегистрироваться на нашем сайте и приобрести подписку по интересующей вас конфигурации, после этого вы сможете встроить онлайн-каталоги на ваш сайт или пользоваться ими из личного кабинета нашего сайта. Обращаем ваше внимание на то, что каталоги содержат информацию об оригинальных заводских номерах и названиях запчастей. База по аналогам в данный момент не реализована. Поиска по VIN-номерам в онлайн-каталоге не предусмотрено. Выбор конкретного каталога осуществляется путем открытия нужного типа техники, марки, модели с учетом года выпуска или модификации.