Каталог запасных частей к технике: МТЗ-80 (1998). Электрооборудование (МТЗ-80.1/82.1, МТЗ-82Н, МТЗ-82Р)
1
2
2
3
3
3
4
5
6
7
8
8
9
9
10
15
16
17
18
19
20
21
22
23
24
25
26
27
28
29
30
32
33
34
35
36
37
38
39
40
41
42
43
44
45
46
47
48
49
50
51
52
53
54
55
56
57
57
58
59
60
61
62
63
64
65
65
65
65
66
67
68
69
70
70
71
72
73
74
75
76
77
78
79
80
81
82
83
84
86
87
88
89
90
91
92
93
95
96
97
99
| Позиция на иллюстрации | Заводской номер детали | Название детали | |
|---|---|---|---|
| 26.3710-25.25 | 2***5 | Выключатель | |
| 80-3723038 | 8***8 | Скоба | |
| 80-3723043 | 8***3 | Скоба | |
| 80-7901022 | 8***2 | Кронштейн | |
| А12-1 | А***1 | Лампа | |
| Болт М12-6gх20.88.35.019 ГОСТ 17796-70 | Б***0 | Болт М12-6gх20.88.35.019 ГОСТ 17796-70 | |
| Болт М12-6gх25.88.35.019 ГОСТ 7795-70 | Б***0 | Болт М12-6gх25.88.35.019 ГОСТ 7795-70 | |
| Винт ВМ3-6gх22.88.35.019 ГОСТ 17475-72 | В***2 | Винт ВМ3-6gх22.88.35.019 ГОСТ 17475-72 | |
| Винт ВМ3-6gх25.88.35.019 ГОСТ 17475-72 | В***2 | Винт ВМ3-6gх25.88.35.019 ГОСТ 17475-72 | |
| Винт ВМ5-6gх35.88.35.019 ГОСТ 17475-72 | В***2 | Винт ВМ5-6gх35.88.35.019 ГОСТ 17475-72 | |
| Винт ВМ6-6gх12.88.35.019 ГОСТ 17475-72 | В***2 | Винт ВМ6-6gх12.88.35.019 ГОСТ 17475-72 | |
| Винт ВМ6-6gх16.88.35.019 ГОСТ 17475-72 | В***2 | Винт ВМ6-6gх16.88.35.019 ГОСТ 17475-72 | |
| Винт ВМ6-6gх16.88.35.019 ГОСТ 17475-72 | В***2 | Винт ВМ6-6gх16.88.35.019 ГОСТ 17475-72 | |
| Винт ВМ6-6gх20.88.35.019 ГОСТ 17475-72 | В***2 | Винт ВМ6-6gх20.88.35.019 ГОСТ 17475-72 | |
| Гайка М12.6Н.6.019 ГОСТ 6958-68 | Г***8 | Гайка М12.6Н.6.019 ГОСТ 6958-68 | |
| Гайка М3 6Н.6.019 ГОСТ 6958-68 | Г***8 | Гайка М3 6Н.6.019 ГОСТ 6958-68 | |
| Гайка М3.6Н.6.019 ГОСТ 6958-68 | Г***8 | Гайка М3.6Н.6.019 ГОСТ 6958-68 | |
| Гайка М5.6Н.6.019 ГОСТ 6958-68 | Г***8 | Гайка М5.6Н.6.019 ГОСТ 6958-68 | |
| Гайка М5.6Н.6.019 ГОСТ 6958-68 | Г***8 | Гайка М5.6Н.6.019 ГОСТ 6958-68 | |
| Гайка М5.6Н.6.019 ГОСТ 6958-68 | Г***8 | Гайка М5.6Н.6.019 ГОСТ 6958-68 | |
| Гайка М6.6Н.6.019 ГОСТ 6958-68 | Г***8 | Гайка М6.6Н.6.019 ГОСТ 6958-68 | |
| Гайка М6.6Н.6.019 ГОСТ 6958-68 | Г***8 | Гайка М6.6Н.6.019 ГОСТ 6958-68 | |
| ПП158 | П***8 | Патрон | |
| Шайба 12.65Г.06 ГОСТ 6402-70 | Ш***0 | Шайба 12.65Г.06 ГОСТ 6402-70 | |
| Шайба 12Т 65Г 06 ГОСТ 6402-70 | Ш***0 | Шайба 12Т 65Г 06 ГОСТ 6402-70 | |
| Шайба 3 65Г 06 ГОСТ 6402-70 | Ш***0 | Шайба 3 65Г 06 ГОСТ 6402-70 | |
| Шайба 3 65Г.06.ГОСТ 6402-70 | Ш***0 | Шайба 3 65Г.06.ГОСТ 6402-70 | |
| Шайба 5 65Г 06 ГОСТ 6402-70 | Ш***0 | Шайба 5 65Г 06 ГОСТ 6402-70 | |
| Шайба 5.01.019 ГОСТ 11371-78 | Ш***8 | Шайба 5.01.019 ГОСТ 11371-78 | |
| Шайба 5.65Г.06 ГОСТ 6402-70 | Ш***0 | Шайба 5.65Г.06 ГОСТ 6402-70 | |
| Шайба 5.65Г.06 ГОСТ 6402-70 | Ш***0 | Шайба 5.65Г.06 ГОСТ 6402-70 | |
| Шайба 6.01.019 ГОСТ 11371-78 | Ш***8 | Шайба 6.01.019 ГОСТ 11371-78 | |
| Шайба 6.01.019 ГОСТ 11371-78 | Ш***8 | Шайба 6.01.019 ГОСТ 11371-78 | |
| Шайба 6.65Г.06 ГОСТ 6402-70 | Ш***0 | Шайба 6.65Г.06 ГОСТ 6402-70 | |
| Шайба 6.65Г.06 ГОСТ 6402-70 | Ш***0 | Шайба 6.65Г.06 ГОСТ 6402-70 | |
| Шайба 6.65Г.06 ГОСТ 6402-70 | Ш***0 | Шайба 6.65Г.06 ГОСТ 6402-70 | |
| Шайба 6Т 65Г.06 ГОСТ 6402-70 | Ш***0 | Шайба 6Т 65Г.06 ГОСТ 6402-70 | |
| Шайба 6Т.6.01.019 ГОСТ 11371-78 | Ш***8 | Шайба 6Т.6.01.019 ГОСТ 11371-78 | |
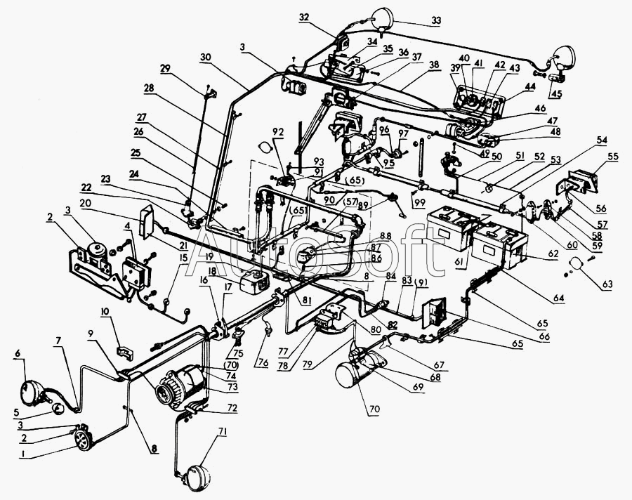
| 1 | 2***1 | Прибор звуковой сигнализации | |
| 2 | Б***0 | Болт М8х20.88.35.019 ГОСТ 7796-70 | |
| 3 | Ш***0 | Шайба 8Т 65Г 06 ГОСТ 4602-70 | |
| 4 | 8***В | Жгут | |
| 5 | 5***8 | Опора фары | |
| 6 | Ф***2 | Фара передняя правая | |
| 7 | 7***1 | Втулка | |
| 8 | 1***0 | Манжета | |
| 9 | 1***3 | Панель соединительная | |
| 10 | 7***1 | Крышка | |
| 11 | М***Д | Датчик аварийного давления масла | |
| 12 | 8***4 | Гнездо (МТЗ-82Н) | |
| 13 | У***0 | Датчик (МТЗ-82Н) | |
| 14 | У***0 | Датчик (МТЗ-82Н) | |
| 15 | 8***Б | Жгут (МТЗ-82Н) | |
| 16 | 7***1 | Кронштейн | |
| 17 | 1***0 | Манжета | |
| 18 | W***) | Бачок | |
| 19 | W***) | Провод | |
| 20 | 8***0 | Кронштейн | |
| 21 | Л***4 | Фонарь передний правый | |
| 22 | 8***1 | Кронштейн | |
| 23 | А***2 | Антенна | |
| 24 | 8***5 | Желоб | |
| 25 | В***0 | Винт ВМ6-6gх16.59.019 ГОСТ 17473-80 | |
| 26 | А***0 | Штырь | |
| 27 | 8***0 | Желоб | |
| 28 | 8***0 | Желоб | |
| 29 | 8***2 | Кронштейн | |
| 30 | 8***Б | Жгут | |
| 31 | 1***0 | Электродвигатель | |
| 32 | 1***0 | Плафон | |
| 33 | 3***1 | Фара задняя | |
| 34 | 8***6 | Прокладка | |
| 35 | А***Э | Радиоприемник | |
| 36 | 8***8 | Щиток | |
| 37 | 8***0 | Стеклоочиститель | |
| 38 | 8***4 | Провод | |
| 39 | 3***2 | Заглушка | |
| 40 | 8***1 | Щиток | |
| 41 | У***А | Указатель уровня топлива | |
| 42 | В***5 | Выключатель | |
| 43 | П***1 | Переключатель | |
| 44 | П***9 | Переключатель | |
| 45 | 8***7 | Кронштейн | |
| 46 | Г***7 | Громкоговоритель | |
| 47 | Ф***1 | Фонарь освещения номерного знака | |
| 48 | 7***1 | Наконечник | |
| 49 | В***Б | Включатель "масса" | |
| 50 | 5***1 | Провод | |
| 51 | 5***1 | Провод | |
| 52 | 4***К | Розетка | |
| 53 | 5***1 | Провод | |
| 54 | 8***1 | Желоб | |
| 55 | Ф***9 | Фонарь задний левый | |
| 56 | 8***4 | Кронштейн | |
| 57 | 8***2 | Желоб | |
| 58 | 8***1 | Планка | |
| 59 | 1***3 | Панель соединительная | |
| 60 | 7***6 | Крышка | |
| 61 | 7***2 | Провод | |
| 62 | 3***А | Аккумуляторная батарея | |
| 63 | Ф***Е | Световозвращатели | |
| 64 | 7***1 | Провод | |
| 65 | 8***5 | Желоб | |
| 66 | П***Б | Фонарь передний левый | |
| 67 | 7***2 | Втулка | |
| 68 | 2***8 | Стартер | |
| 69 | 4***0 | Чехол | |
| 70 | 4***6 | Чехол | |
| 71 | Ф***5 | Фара передняя левая | |
| 72 | В***2 | Винт ВМ5-6gх22.88.35.019 ГОСТ 17475-72 | |
| 73 | 4***1 | Генератор | |
| 74 | 4***7 | Колпачок | |
| 75 | Э***0 | Электрофакельный подогреватель | |
| 76 | Т***В | Датчик | |
| 77 | 7***7 | Реле стартера | |
| 78 | 7***5 | Наконечник | |
| 79 | 7***А | Жгут | |
| 80 | 8***0 | Кронштейн | |
| 81 | 7***1 | Хомутик | |
| 82 | 8***5 | Жгут | |
| 83 | 8***А | Жгут | |
| 84 | В***8 | Выключатели | |
| 85 | 8***3 | Кронштейн | |
| 86 | 7***7 | Пружина | |
| 87 | В***Б | Выключатель "стоп" | |
| 88 | 8***1 | Кронштейн | |
| 89 | Д***П | Датчик указателя топлива | |
| 90 | 7***2 | Провод | |
| 91 | 8***2 | Кронштейн | |
| 92 | В***2 | Винт ВМ5-6gх16.88.35.019 ГОСТ 17475-72 | |
| 93 | В***9 | Выключатель | |
| 94 | Ф***Б | Фонарь задний правый | |
| 95 | 8***1 | Желоб | |
| 96 | 8***2 | Прокладка | |
| 97 | Р***2 | Штепсельная розетка | |
| 98 | 8***2 | Перемычка массы | |
| 99 | 7***3 | Скоба |
Содержащиеся в справочниках-каталогах запасные части и детали не предлагаются к продаже, а носят исключительно информационный характер. В демо-версии артикулы (номера деталей) скрыты. Если вы хотите видеть полные оригинальные номера запчастей, вам необходимо зарегистрироваться на нашем сайте и приобрести подписку по интересующей вас конфигурации, после этого вы сможете встроить онлайн-каталоги на ваш сайт или пользоваться ими из личного кабинета нашего сайта. Обращаем ваше внимание на то, что каталоги содержат информацию об оригинальных заводских номерах и названиях запчастей. База по аналогам в данный момент не реализована. Поиска по VIN-номерам в онлайн-каталоге не предусмотрено. Выбор конкретного каталога осуществляется путем открытия нужного типа техники, марки, модели с учетом года выпуска или модификации.