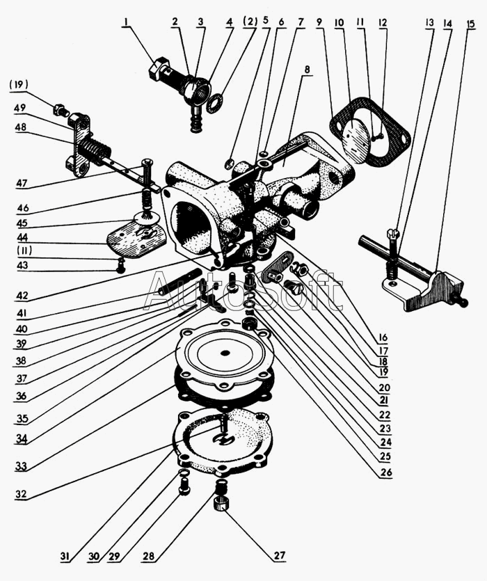
Каталог запасных частей к технике: МТЗ-80 (1998). Карбюратор
37
24
25
26
27
28
29
30
31
32
33
34
35
36
23
38
39
40
41
42
43
44
45
46
47
48
49
10
1
2
2
3
4
5
6
7
8
9
11
11
12
13
14
15
16
17
18
19
19
20
21
22
| Позиция на иллюстрации | Заводской номер детали | Название детали | |
|---|---|---|---|
| 11.1107011 | 1***1 | Карбюратор в сборе | |
| 11.1107305 | 1***5 | Клапан обратный в сборе с замком, шайбой и пластиной | |
| 11.1107565 | 1***5 | Заслонка воздушная в сборе | |
| К06-1107200 | К***0 | Крышка в сборе | |
| 1 | К***7 | Болт штуцера | |
| 2 | 0***7 | Шайба | |
| 3 | К***2 | Штуцер | |
| 4 | К***8 | Сетка | |
| 5 | 1***2 | Заглушка | |
| 6 | К***Б | Винт | |
| 7 | 1***3 | Заглушка | |
| 8 | 1***2 | Корпус | |
| 9 | Д***3 | Прокладка | |
| 10 | 1***1 | Заслонка дроссельная | |
| 11 | Ш***4 | Шайба 3Т 65Г 016 ОСТ 37.001.115-74 | |
| 12 | 0***6 | Винт М3-6gх10.48.016 ОСТ 37.001.127-75 | |
| 13 | 1***6 | Винт | |
| 14 | 0***4 | Пружина | |
| 15 | 1***0 | Валик | |
| 16 | 0***8 | Пружина | |
| 17 | 0***3 | Гайка М6.6Н.5.019 ОСТ 37.001.124-75 | |
| 18 | Ш***4 | Шайба 6Л 65Г 016 ОСТ 37.001.115-74 | |
| 19 | 1***9 | Винт муфты | |
| 20 | 1***0 | Рычаг | |
| 21 | 1***1 | Шайба | |
| 22 | 1***1 | Распылитель | |
| 23 | 1***8 | Замок клапана | |
| 24 | 1***9 | Шайба | |
| 25 | 1***7 | Пластина клапана | |
| 26 | 1***6 | Корпус клапана | |
| 27 | К***2 | Кнопка | |
| 28 | 0***3 | Пружина | |
| 29 | 0***4 | Винт М5-6gх12.48.016 ОСТ 37.001.127-75 | |
| 30 | Ш***4 | Шайба 5 65Г 016 ОСТ 37.001.115-74 | |
| 31 | К***0 | Крышка | |
| 32 | К***0 | Утопитель диафрагмы | |
| 33 | 1***9 | Прокладка | |
| 34 | 1***0 | Мембрана | |
| 35 | К***6 | Винт | |
| 36 | 1***6 | Рычаг | |
| 37 | К***А | Ось | |
| 38 | К***6 | Пружина | |
| 39 | 1***5 | Игла клапана | |
| 40 | 1***4 | Седло | |
| 41 | 1***4 | Шпилька | |
| 42 | 1***6 | Жиклер | |
| 43 | 1***0 | Винт М3-6gх8.48.016 ОСТ 37.001.127-75 | |
| 44 | 1***1 | Заслонка | |
| 45 | 1***7 | Клапан | |
| 46 | 1***8 | Пружина | |
| 47 | 1***6 | Ось | |
| 48 | 1***5 | Пружина | |
| 49 | 1***0 | Валик заслонки |
Содержащиеся в справочниках-каталогах запасные части и детали не предлагаются к продаже, а носят исключительно информационный характер. В демо-версии артикулы (номера деталей) скрыты. Если вы хотите видеть полные оригинальные номера запчастей, вам необходимо зарегистрироваться на нашем сайте и приобрести подписку по интересующей вас конфигурации, после этого вы сможете встроить онлайн-каталоги на ваш сайт или пользоваться ими из личного кабинета нашего сайта. Обращаем ваше внимание на то, что каталоги содержат информацию об оригинальных заводских номерах и названиях запчастей. База по аналогам в данный момент не реализована. Поиска по VIN-номерам в онлайн-каталоге не предусмотрено. Выбор конкретного каталога осуществляется путем открытия нужного типа техники, марки, модели с учетом года выпуска или модификации.