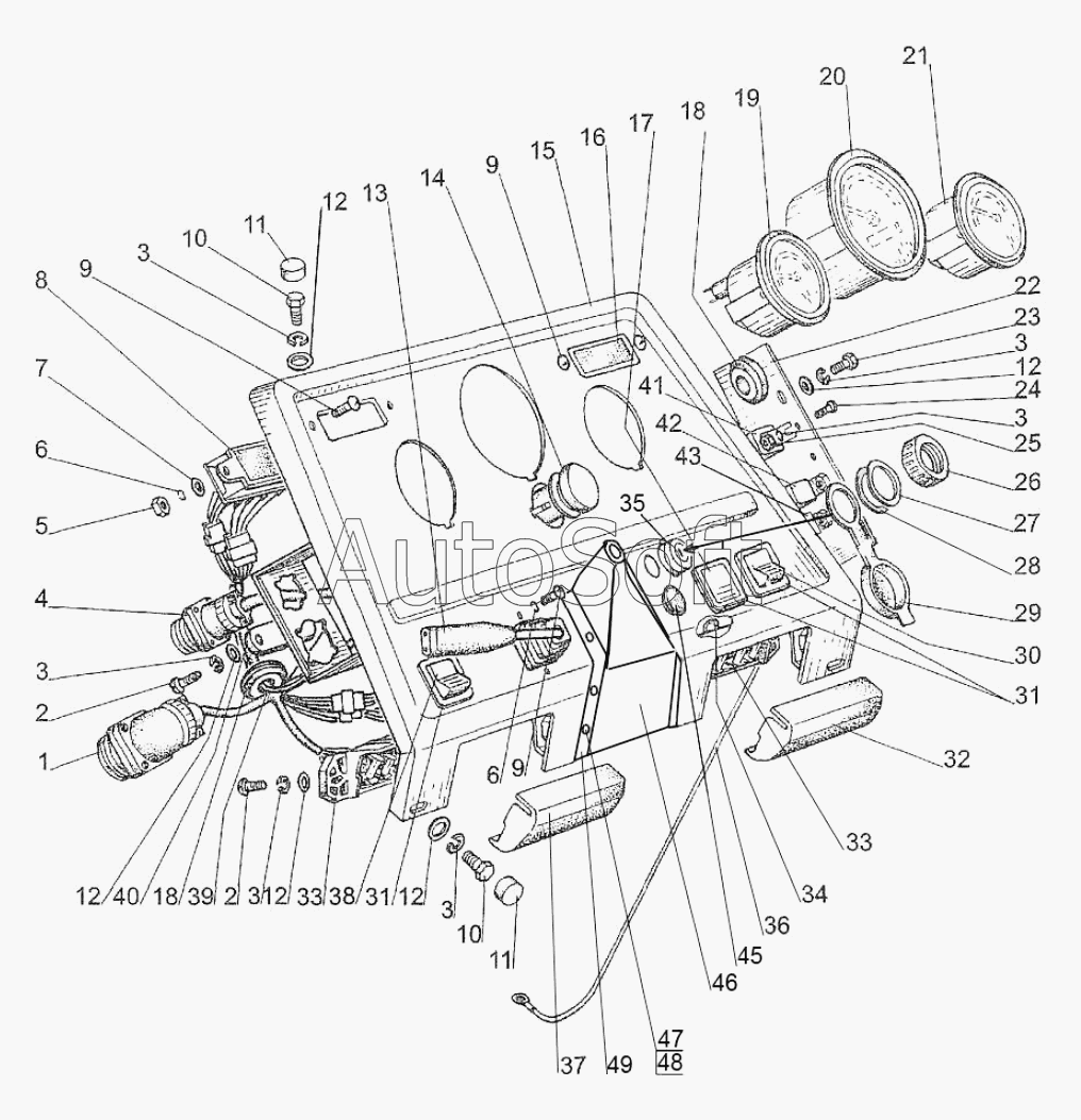
Каталог запасных частей к технике: МТЗ-310, 320, 321 (2011). Щиток приборов (для тракторов, выпущенных до 01.2011г.)
37
25
26
27
28
29
30
31
31
32
33
33
34
35
36
24
38
39
40
41
42
43
45
46
47
48
49
13
1
2
2
3
3
3
3
3
3
4
5
6
6
7
8
9
9
9
10
10
11
11
12
12
12
12
12
14
15
16
17
17
18
18
19
20
21
22
23
| Позиция на иллюстрации | Заводской номер детали | Название детали | |
|---|---|---|---|
| 320-3805010 | 3***0 | Щиток приборов | |
| 70-3801311-01 | 7***1 | Заглушка | |
| ЭИ8006М-1 | Э***1 | Указатель напряжения | |
| 1 | 3***0 | Жгут | |
| 2 | В***9 | Винт | |
| 3 | Ш***Т | Шайба | |
| 4 | 3***Б | Жгут | |
| 5 | М***9 | Гайка | |
| 6 | Ш***4 | Шайба | |
| 7 | С***9 | Шайба | |
| 8 | 3***5 | Блок контрольных ламп | |
| 9 | В***9 | Винт | |
| 10 | М***9 | Болт | |
| 11 | А***7 | Колпачок | |
| 12 | С***9 | Шайба | |
| 13 | П***2 | Переключатель комбинированный | |
| 14 | 3***0 | Выключатель аварийной сигнализации | |
| 15 | 6***1 | Панель приборная | |
| 16 | 3***0 | Блок контрольных ламп | |
| 17 | 3***5 | Переключатель вентилятора | |
| 17 | 8***7 | Заглушка | |
| 18 | 7***2 | Втулка | |
| 19 | Э***1 | Указатель давления | |
| 20 | 3***5 | Индикатор комбинированный | |
| 21 | Э***2 | Указатель уровня топлива | |
| 22 | 6***Б | Планка | |
| 23 | М***9 | Болт | |
| 24 | В***9 | Винт | |
| 25 | М***9 | Гайка | |
| 26 | 8***4 | Гайка | |
| 27 | 2***9 | Шайба | |
| 28 | 8***1 | Табличка | |
| 29 | 2***2 | Чехол | |
| 30 | 3***0 | Выключатель фар рабочих | |
| 31 | 8***1 | Гнездо выключателя | |
| 32 | 6***1 | Крышка | |
| 33 | П***0 | Блок предохранителей | |
| 34 | 8***6 | Провод | |
| 35 | 3***5 | Выключатель стартера и приборов | |
| 36 | 5***2 | Провод | |
| 37 | 6***5 | Крышка | |
| 38 | 3***0 | Переключатель света | |
| 39 | 3***0 | Жгут | |
| 40 | 3***5 | Панель соединительная двухконтактная | |
| 41 | 3***0 | Прерыватель указателей поворота | |
| 42 | 3***0 | Реле на размыкание | |
| 43 | 3***5 | Реле стартера | |
| 45 | В***1 | Выключатель | |
| 46 | 3***5 | Чехол | |
| 47 | 7***6 | Бонка | |
| 48 | 7***7 | Клин | |
| 49 | 3***8 | Накладка |
Содержащиеся в справочниках-каталогах запасные части и детали не предлагаются к продаже, а носят исключительно информационный характер. В демо-версии артикулы (номера деталей) скрыты. Если вы хотите видеть полные оригинальные номера запчастей, вам необходимо зарегистрироваться на нашем сайте и приобрести подписку по интересующей вас конфигурации, после этого вы сможете встроить онлайн-каталоги на ваш сайт или пользоваться ими из личного кабинета нашего сайта. Обращаем ваше внимание на то, что каталоги содержат информацию об оригинальных заводских номерах и названиях запчастей. База по аналогам в данный момент не реализована. Поиска по VIN-номерам в онлайн-каталоге не предусмотрено. Выбор конкретного каталога осуществляется путем открытия нужного типа техники, марки, модели с учетом года выпуска или модификации.