Каталог запасных частей к технике: МТЗ 1220 (2011). Коробка передач. Вал вторичный (16F+8R)
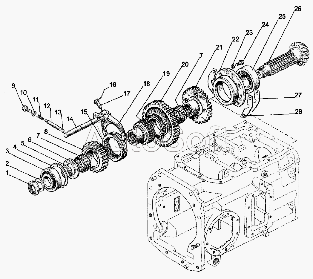
15
28
27
26
25
24
23
22
21
20
19
18
17
16
1
14
13
12
11
10
9
8
7
7
6
5
4
3
2
| Позиция на иллюстрации | Заводской номер детали | Название детали | |
|---|---|---|---|
| 1 | 8***5 | Гайка | |
| 2 | 8***6 | Шайба | |
| 3 | 7***А | Подшипник | |
| 4 | 8***6 | Кольцо | |
| 5 | 8***4 | Шайба | |
| 6 | 8***4 | Шайба | |
| 7 | 6***Е | Подшипник | |
| 8 | 1***4 | Шестерня | |
| 9 | М***9 | Болт | |
| 10 | 8***1 | Шайба | |
| 11 | 5***А | Пружина фиксатора | |
| 12 | 8***8 | Штифт | |
| 13 | 1***0 | Шарик ГОСТ 3722-81 | |
| 14 | 8***Б | Поводок | |
| 15 | 1***6 | Муфта | |
| 16 | 1***С | Проволока | |
| 17 | 8***8 | Болт | |
| 18 | 8***Б | Вилка | |
| 19 | 8***8 | Втулка | |
| 20 | 1***2 | Шестерня | |
| 21 | 8***Б | Шестерня | |
| 22 | 8***Б | Гнездо | |
| 23 | Ш***Т | Шайба | |
| 24 | М***9 | Болт | |
| 25 | 7***A | Подшипник | |
| 26 | 8***Б | Вал | |
| 27 | 5***8 | Прокладка регулировочная 0,2 мм | |
| 28 | 5***9 | Прокладка регулировочная 0,5 мм |
Содержащиеся в справочниках-каталогах запасные части и детали не предлагаются к продаже, а носят исключительно информационный характер. В демо-версии артикулы (номера деталей) скрыты. Если вы хотите видеть полные оригинальные номера запчастей, вам необходимо зарегистрироваться на нашем сайте и приобрести подписку по интересующей вас конфигурации, после этого вы сможете встроить онлайн-каталоги на ваш сайт или пользоваться ими из личного кабинета нашего сайта. Обращаем ваше внимание на то, что каталоги содержат информацию об оригинальных заводских номерах и названиях запчастей. База по аналогам в данный момент не реализована. Поиска по VIN-номерам в онлайн-каталоге не предусмотрено. Выбор конкретного каталога осуществляется путем открытия нужного типа техники, марки, модели с учетом года выпуска или модификации.