Каталог запасных частей к технике: МТЗ 892 (2011). Механизм задней навески (для тракторов с силовым регулятором)
1
2
3
4
4
4
5
6
7
8
9
9
10
10
10
11
11
12
13
14
15
16
17
18
19
20
21
22
23
24
25
26
27
28
29
30
31
32
32
33
34
35
36
36
37
38
38
39
40
40
41
42
43
44
45
45
46
47
48
49
50
51
52
52
53
53
54
54
55
55
56
56
57
58
59
60
61
62
63
64
64
64
65
66
67
68
69
69
69
70
70
71
72
73
73
74
75
76
77
77
78
78
79
79
80
80
81
82
83
84
85
86
87
88
89
90
91
92
93
94
95
96
97
98
99
100
101
102
103
104
105
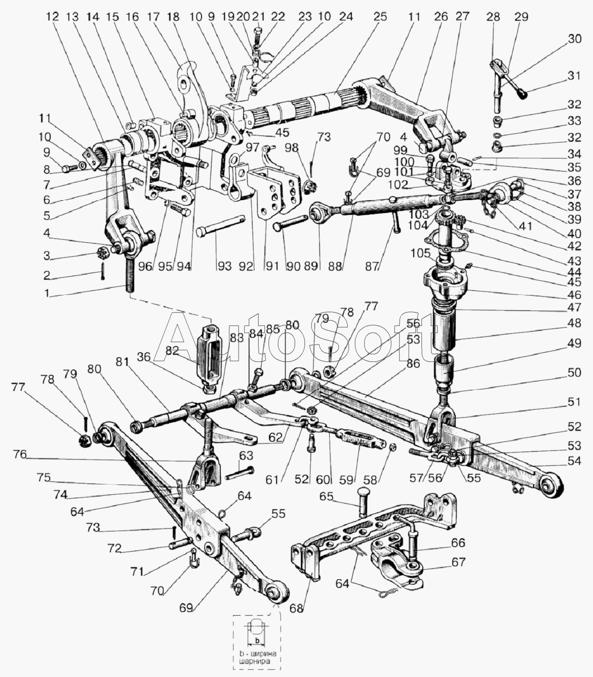
| Позиция на иллюстрации | Заводской номер детали | Название детали | |
|---|---|---|---|
| 50-4605012 | 5***2 | Раскос в сборе | |
| 50-4605030-АЗ | 5***З | Тяга правая | |
| 50-4605035-АЗ | 5***З | Тяга левая | |
| 50-4605105-А | 5***А | Шкворень прицепа со шплинтом в сборе | |
| 50-4605115 | 5***5 | Стяжка | |
| 70-4605340 | 7***0 | Рычаг с пальцем в сборе | |
| 80-4605025 | 8***5 | Поперечина в сборе | |
| 80-4605150-02 | 8***2 | Раскос L=475 мм | |
| А61.03.000 | А***0 | Тяга в сборе | |
| А61.03.200 | А***0 | Винт в сборе | |
| А61.03.200-01 | А***1 | Винт | |
| А61.04.000 | А***0 | Стяжка | |
| А61.05.100-01 | А***1 | Чека | |
| Р80-4605010 | Р***0 | Механизм задней навески | |
| 1 | А***0 | Винт | |
| 2 | Ш***9 | Шплинт | |
| 3 | 7***2 | Гайка | |
| 4 | 5***6 | Палец | |
| 4 | 8***6 | Палец | |
| 5 | 7***7 | Ограничитель | |
| 6 | 2***0 | Пружина | |
| 7 | 5***7 | Штифт | |
| 8 | 5***9 | Кольцо | |
| 9 | М***9 | Болт ГОСТ 7796-70 | |
| 10 | 1***Т | Шайба | |
| 11 | 4***2 | Шайба | |
| 12 | 8***1 | Рычаг левый | |
| 13 | 7***2 | Втулка | |
| 14 | 7***Б | Втулка | |
| 15 | 7***Б | Кронштейн | |
| 16 | 7***3 | Палец | |
| 17 | 7***А | Рычаг поворотный | |
| 18 | 2***5 | Кольцо | |
| 19 | 5***9 | Втулка | |
| 20 | А***2 | Пружина | |
| 21 | М***9 | Болт | |
| 22 | С***9 | Шайба | |
| 23 | 7***А | Кронштейн | |
| 24 | М***9 | Гайка | |
| 25 | 7***3 | Вал поворотный | |
| 26 | 8***2 | Рычаг правый | |
| 27 | 7***8 | Серьга | |
| 28 | А***Б | Ось | |
| 29 | А***0 | Вилка | |
| 30 | А***0 | Вал | |
| 31 | А***4 | Рукоятка | |
| 32 | А***7 | Втулка | |
| 33 | 0***4 | Кольцо | |
| 34 | А***Г | Штифт | |
| 35 | А***4 | Палец | |
| 36 | А***3 | Контргайка | |
| 37 | А***2 | Кольцо | |
| 38 | А***1 | Палец диаметр 25 мм | |
| 38 | А***2 | Палец | |
| 39 | А***1 | Цепочка (9 звеньев) | |
| 40 | А***4 | Винт | |
| 40 | А***5 | Винт диаметр 25 | |
| 41 | А***5 | Чека | |
| 42 | А***1 | Шестерня | |
| 43 | А***5 | Заклепка | |
| 44 | А***3 | Прокладка | |
| 45 | 1***р | Масленка | |
| 46 | А***4 | Корпус | |
| 47 | А***3 | Втулка | |
| 48 | А***8 | Труба | |
| 49 | А***1 | Колпак | |
| 50 | А***9 | Ограничитель | |
| 51 | 7***0 | Вилка | |
| 52 | 5***6 | Болт серьги | |
| 53 | М***9 | Гайка | |
| 54 | 8***0 | Тяга | |
| 54 | С***А | Тяга | |
| 55 | 7***А | Проушина | |
| 56 | Ш***9 | Шплинт | |
| 57 | А***1 | Винт | |
| 58 | М***9 | Гайка | |
| 59 | А***3 | Стяжка | |
| 60 | А***2 | Винт | |
| 61 | А***2 | Серьга | |
| 62 | 5***1 | Кронштейн | |
| 63 | Ф***4 | Палец | |
| 64 | А***1 | Шплинт | |
| 65 | А***2 | Палец | |
| 66 | 5***Б | Шкворень | |
| 67 | А***1 | Вилка | |
| 68 | 8***6 | Поперечина | |
| 69 | 8***1 | Тяга | |
| 69 | С***А | Тяга | |
| 70 | А***4 | Кольцо | |
| 71 | А***5 | Чека | |
| 72 | 5***Б | Палец | |
| 73 | Ш***9 | Шплинт | |
| 74 | 7***5 | Тяга | |
| 75 | С***9 | Шайба | |
| 76 | 5***Б | Вилка раскоса | |
| 77 | А***0 | Гайка | |
| 78 | Ш***9 | Шплинт 5х45.019 | |
| 79 | 7***7 | Втулка | |
| 80 | 5***1 | Втулка | |
| 81 | 7***6 | Ось | |
| 82 | А***1 | Стяжка раскоса | |
| 83 | 5***Б | Втулка | |
| 84 | М***9 | Гайка | |
| 85 | 5***9 | Болт | |
| 86 | 7***0 | Тяга | |
| 87 | А***2 | Рукоятка | |
| 88 | А***1 | Труба | |
| 89 | А***3 | Винт | |
| 90 | А***2 | Палец | |
| 91 | 7***Б | Серьга | |
| 92 | 7***Б | Пружина | |
| 93 | А***1 | Палец | |
| 94 | 7***0 | Болт | |
| 95 | 7***6 | Болт | |
| 96 | 2***Т | Шайба | |
| 97 | 7***Б | Шайба | |
| 98 | 7***6 | Гайка упорная | |
| 99 | А***6 | Болт раскоса | |
| 100 | М***9 | Болт | |
| 101 | 1***Т | Шайба | |
| 102 | А***4 | Крышка | |
| 103 | А***2 | Ограничитель | |
| 104 | А***0 | Труба с шестерней | |
| 105 | 8***9 | Подшипник |
Содержащиеся в справочниках-каталогах запасные части и детали не предлагаются к продаже, а носят исключительно информационный характер. В демо-версии артикулы (номера деталей) скрыты. Если вы хотите видеть полные оригинальные номера запчастей, вам необходимо зарегистрироваться на нашем сайте и приобрести подписку по интересующей вас конфигурации, после этого вы сможете встроить онлайн-каталоги на ваш сайт или пользоваться ими из личного кабинета нашего сайта. Обращаем ваше внимание на то, что каталоги содержат информацию об оригинальных заводских номерах и названиях запчастей. База по аналогам в данный момент не реализована. Поиска по VIN-номерам в онлайн-каталоге не предусмотрено. Выбор конкретного каталога осуществляется путем открытия нужного типа техники, марки, модели с учетом года выпуска или модификации.