Каталог запасных частей к технике: МТЗ 1220.5 (2013). Кабина трактора
29
29
19
20
21
22
23
23
24
25
25
26
27
28
18
30
31
31
32
33
34
35
36
37
38
40
41
10
2
3
4
5
6
6
6
6
6
7
7
7
7
7
8
8
8
9
9
9
9
1
10
10
11
11
12
12
13
13
13
14
15
16
17
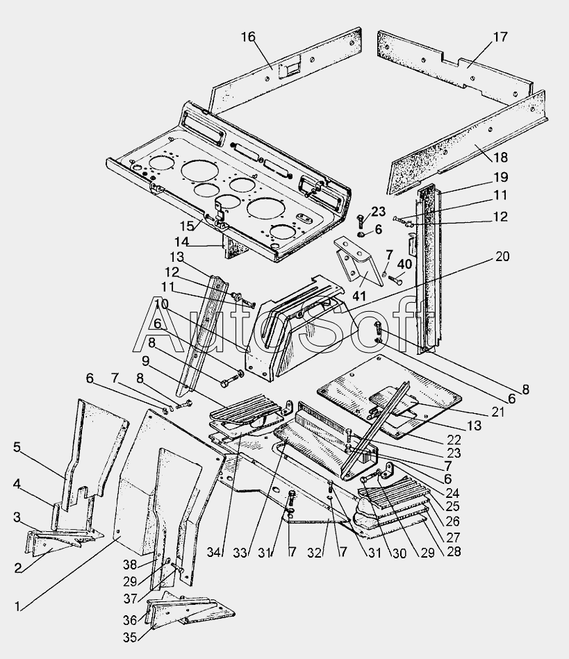
| Позиция на иллюстрации | Заводской номер детали | Название детали | |
|---|---|---|---|
| 1 | 8***0 | Панель | |
| 2 | 8***0 | Боковина | |
| 3 | 8***1 | Накладка | |
| 4 | 8***0 | Панель | |
| 5 | 8***0 | Панель | |
| 6 | С***9 | Шайба | |
| 7 | 6***Т | Шайба | |
| 8 | М***9 | Болт | |
| 9 | 8***А | Коврик правый | |
| 9 | 8***1 | Коврик правый | |
| 9 | 8***7 | Коврик | |
| 9 | 8***А | Коврик | |
| 10 | 1***6 | Крышка пульта | |
| 10 | 1***1 | Крышка | |
| 10 | 1***2 | Крышка | |
| 11 | 1***9 | Шуруп | |
| 12 | А***1 | Бонка | |
| 13 | 8***1 | Прижим | |
| 13 | 8***Б | Прижим | |
| 14 | 1***0 | Накладка | |
| 15 | 8***0 | Панель | |
| 16 | 1***5 | Накладка | |
| 17 | 8***5 | Накладка | |
| 18 | 1***0 | Накладка | |
| 19 | 1***0 | Накладка | |
| 20 | 8***Б | Пульт | |
| 21 | 8***0 | Крышка | |
| 22 | 8***5 | Крышка | |
| 23 | М***9 | Болт | |
| 24 | 7***1 | Угольник | |
| 25 | 8***2 | Коврик левый | |
| 25 | 8***А | Коврик левый | |
| 26 | 8***Д | Прокладка | |
| 27 | 8***Л | Прокладка | |
| 28 | 8***Б | Панель | |
| 29 | С***9 | Шайба | |
| 30 | М***9 | Болт | |
| 31 | В***9 | Винт | |
| 32 | 8***0 | Полик | |
| 33 | 8***5 | Крышка | |
| 34 | 8***1 | Уплотнитель | |
| 35 | 8***8 | Накладка | |
| 36 | 8***0 | Боковина | |
| 37 | М***9 | Болт | |
| 38 | 8***0 | Панель | |
| 40 | М***9 | Болт | |
| 41 | 8***5 | Кронштейн |
Содержащиеся в справочниках-каталогах запасные части и детали не предлагаются к продаже, а носят исключительно информационный характер. В демо-версии артикулы (номера деталей) скрыты. Если вы хотите видеть полные оригинальные номера запчастей, вам необходимо зарегистрироваться на нашем сайте и приобрести подписку по интересующей вас конфигурации, после этого вы сможете встроить онлайн-каталоги на ваш сайт или пользоваться ими из личного кабинета нашего сайта. Обращаем ваше внимание на то, что каталоги содержат информацию об оригинальных заводских номерах и названиях запчастей. База по аналогам в данный момент не реализована. Поиска по VIN-номерам в онлайн-каталоге не предусмотрено. Выбор конкретного каталога осуществляется путем открытия нужного типа техники, марки, модели с учетом года выпуска или модификации.