Каталог запасных частей к технике: МТЗ БЕЛАРУС 2103 (2015). Редуктор. Вал-шестерня
24
16
17
18
19
20
21
22
23
15
25
26
26
42210 КМ
42210 КМ
27
28
29
30
31
8
1
2
3
4
5
6
7
9
210 АУШ1
10
11
12
13
14
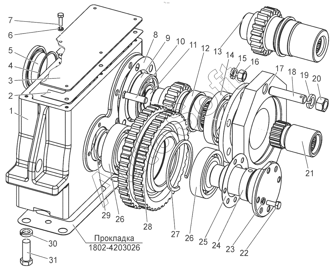
| Позиция на иллюстрации | Заводской номер детали | Название детали | |
|---|---|---|---|
| 210 АУШ1 | 2***1 | Подшипник | |
| 2103-4203010 | 2***0 | Редуктор | |
| 2103-4203030 | 2***0 | Вал-шестерня | |
| 42210 КМ | 4***М | Подшипник | |
| 1 | 2***1 | Корпус | |
| 2 | 1***3 | Прокладка | |
| 3 | 1***9 | Крышка | |
| 4 | К***4 | Кольцо | |
| 5 | М***3 | Крышка | |
| 6 | 4***5 | Шайба 6Т | |
| 7 | Б***9 | Болт | |
| 8 | 1***4 | Прокладка | |
| 9 | 2***А | Подшипник | |
| 10 | 1***7 | Шпилька | |
| 11 | З***. | Заглушка | |
| 12 | 2***1 | Вал-шестерня | |
| 13 | 2***2 | Вал-шестерня | |
| 14 | 1***3 | Подшипник | |
| 15 | 4***8 | Шайба 12ОТ | |
| 16 | Г***9 | Гайка | |
| 17 | 2***6 | Переходник | |
| 18 | 2***4 | Шпилька | |
| 19 | 4***0 | Шайба 16ОТ | |
| 20 | Г***9 | Гайка | |
| 21 | 2***4 | Муфта зубчатая | |
| 22 | Б***9 | Болт | |
| 23 | 4***6 | Шайба 8Т | |
| 24 | 1***3 | Ось | |
| 25 | 1***1 | Прокладка | |
| 26 | 4***М | Подшипник | |
| 27 | 2***0 | Кольцо | |
| 28 | 2***2 | Шестерня | |
| 29 | 1***2 | Кольцо упорное | |
| 30 | 4***9 | Шайба 14 ОТ | |
| 31 | Б***9 | Болт |
Содержащиеся в справочниках-каталогах запасные части и детали не предлагаются к продаже, а носят исключительно информационный характер. В демо-версии артикулы (номера деталей) скрыты. Если вы хотите видеть полные оригинальные номера запчастей, вам необходимо зарегистрироваться на нашем сайте и приобрести подписку по интересующей вас конфигурации, после этого вы сможете встроить онлайн-каталоги на ваш сайт или пользоваться ими из личного кабинета нашего сайта. Обращаем ваше внимание на то, что каталоги содержат информацию об оригинальных заводских номерах и названиях запчастей. База по аналогам в данный момент не реализована. Поиска по VIN-номерам в онлайн-каталоге не предусмотрено. Выбор конкретного каталога осуществляется путем открытия нужного типа техники, марки, модели с учетом года выпуска или модификации.