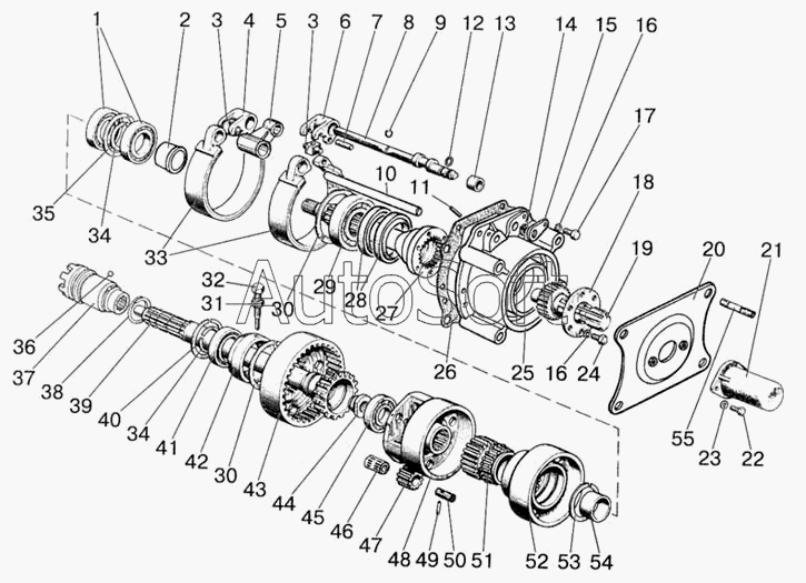
Каталог запасных частей к технике: МТЗ-822 (2008). Вал отбора мощности (BOM)
41
26
27
28
29
30
30
31
32
33
34
34
35
36
37
38
39
40
25
42
43
44
45
46
47
48
49
50
51
52
53
54
55
12
27
25
43
1
2
3
3
4
5
6
7
8
9
10
11
1221-4202010
13
14
15
16
16
17
18
19
19
19
20
21
22
23
24
| Позиция на иллюстрации | Заводской номер детали | Название детали | |
|---|---|---|---|
| 1221-4202010 | 1***0 | Задний вал отбора мощности (1-54) | |
| 1 | 2***А | Подшипник | |
| 2 | 1***7 | Втулка | |
| 3 | 5***8 | Палец | |
| 4 | 5***4 | Рычаг | |
| 5 | 5***8 | Кронштейн | |
| 6 | 8***4 | Рычаг | |
| 7 | Ш***6 | Штифт | |
| 8 | 8***6 | Вал | |
| 9 | 5***9 | Кольцо | |
| 10 | 7***Б | Ось | |
| 11 | 8***0 | Штифт | |
| 12 | 0***2 | Кольцо | |
| 13 | 8***2 | Втулка | |
| 14 | 2***8 | Кольцо | |
| 15 | 8***9 | Пластина | |
| 16 | Ш***0 | Шайба | |
| 17 | М***5 | Болт | |
| 18 | 8***А | Пластина | |
| 19 | 8***Б | Хвостовик | |
| 19 | 8***1 | Хвостовик | |
| 19 | 8***2 | Хвостовик | |
| 20 | 1***0 | Плита | |
| 21 | 5***А | Колпак | |
| 22 | М***6 | Болт | |
| 23 | Ш***8 | Шайба | |
| 24 | М***8 | Болт | |
| 25 | 1***0 | Крышка | |
| 25 | 1***2 | Крышка | |
| 26 | 5***А | Прокладка | |
| 27 | 1***5 | Вал | |
| 27 | 1***7 | Вал | |
| 28 | 2***1 | Манжета | |
| 29 | 6***А | Подшипник | |
| 30 | 2***0 | Кольцо | |
| 31 | М***5 | Гайка | |
| 32 | 5***8 | Винт | |
| 33 | 7***0 | Лента с накладкой | |
| 34 | 2***0 | Кольцо | |
| 35 | 2***5 | Кольцо | |
| 36 | 7***0 | Шарик | |
| 37 | 5***Б | Муфта | |
| 38 | А***2 | Кольцо | |
| 39 | 7***Б | Вал | |
| 40 | 2***0 | Кольцо | |
| 41 | 2***А | Подшипник | |
| 42 | 5***А | Стакан | |
| 43 | 7***А | Коронная шестерня | |
| 43 | 7***3 | Шестерня коронная | |
| 44 | 7***А | Гайка | |
| 45 | 2***А | Подшипник | |
| 46 | К***Е | Подшипник | |
| 47 | 7***4 | Сателлит | |
| 48 | 7***5 | Водило | |
| 49 | 7***1 | Штифт | |
| 50 | 7***6 | Ось | |
| 51 | 7***2 | Шестерня солнечная | |
| 52 | 7***3 | Барабан | |
| 53 | 2***8 | Кольцо | |
| 54 | 7***7 | Втулка | |
| 55 | 1***8 | Шпилька |
Содержащиеся в справочниках-каталогах запасные части и детали не предлагаются к продаже, а носят исключительно информационный характер. В демо-версии артикулы (номера деталей) скрыты. Если вы хотите видеть полные оригинальные номера запчастей, вам необходимо зарегистрироваться на нашем сайте и приобрести подписку по интересующей вас конфигурации, после этого вы сможете встроить онлайн-каталоги на ваш сайт или пользоваться ими из личного кабинета нашего сайта. Обращаем ваше внимание на то, что каталоги содержат информацию об оригинальных заводских номерах и названиях запчастей. База по аналогам в данный момент не реализована. Поиска по VIN-номерам в онлайн-каталоге не предусмотрено. Выбор конкретного каталога осуществляется путем открытия нужного типа техники, марки, модели с учетом года выпуска или модификации.