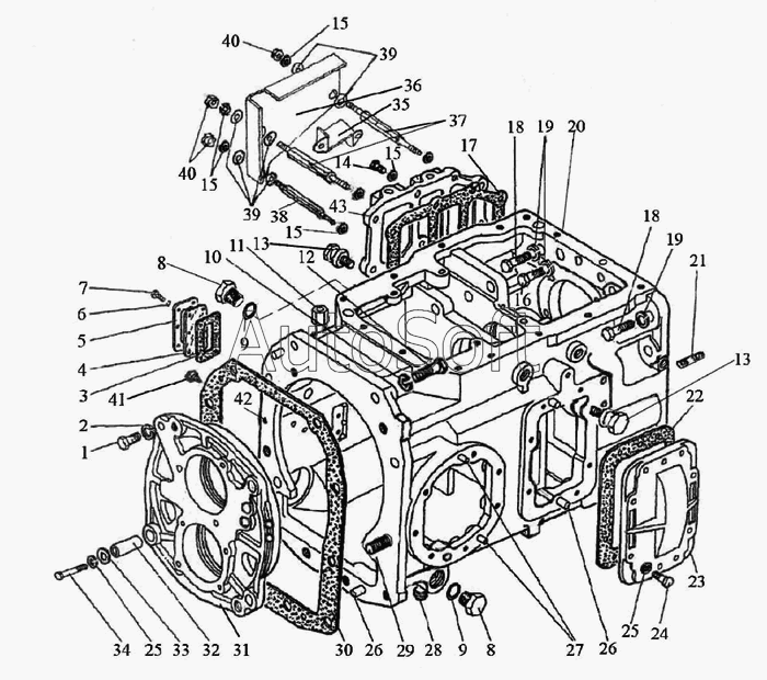
Каталог запасных частей к технике: МТЗ-2022 (2010). Коробка передач 1222-1700010
33
23
24
25
25
26
26
27
28
29
30
31
32
22
34
35
36
37
38
39
39
40
40
41
42
43
11
1
2
3
4
5
6
7
8
8
9
9
10
1222-1700010
12
13
13
14
15
15
15
15
17
18
18
19
19
20
21
| Позиция на иллюстрации | Заводской номер детали | Название детали | |
|---|---|---|---|
| 1222-1700010 | 1***0 | Коробка передач в сборе | |
| 1 | М***5 | Болт | |
| 2 | Ш***6 | Шайба | |
| 3 | 8***Б | Уплотнитель | |
| 4 | 8***Б | Указатель | |
| 5 | 8***Б | Корпус | |
| 6 | Ш***6 | Шайба | |
| 7 | М***6 | Винт | |
| 8 | 8***1 | Заглушка | |
| 9 | 0***4 | Кольцо | |
| 10 | Ш***0 | Шайба | |
| 11 | 1***9 | Штуцер | |
| 12 | 7***6 | Болт | |
| 13 | 5***Б | Рым | |
| 14 | М***5 | Болт | |
| 15 | Ш***0 | Шайба | |
| 16 | 1***2 | Болт | |
| 17 | 8***Б | Прокладка | |
| 18 | 1***1 | Болт М18х60 | |
| 19 | Ш***8 | Шайба | |
| 20 | 2***Б | Корпус | |
| 21 | 1***5 | Шпилька | |
| 22 | 2***6 | Прокладка | |
| 23 | 2***4 | Крышка | |
| 24 | М***0 | Болт | |
| 25 | Ш***2 | Шайба | |
| 26 | Д***5 | Штифт установочный | |
| 27 | Ш***5 | Штифт | |
| 28 | "***" | Пробка | |
| 29 | 8***5 | Шпилька | |
| 30 | 8***6 | Прокладка | |
| 31 | 1***4 | Стакан | |
| 32 | 1***1 | Штифт | |
| 33 | 1***2 | Шайба | |
| 34 | М***0 | Болт | |
| 35 | 1***А | Скоба | |
| 36 | 1***3 | Щиток | |
| 37 | 1***4 | Шпилька | |
| 38 | 1***1 | Шпилька | |
| 39 | Ш***0 | Шайба | |
| 40 | М***0 | Гайка | |
| 41 | "***" | Пробка | |
| 42 | 1***0 | Шарик ГОСТ 3722-81 | |
| 43 | 1***6 | Крышка |
Содержащиеся в справочниках-каталогах запасные части и детали не предлагаются к продаже, а носят исключительно информационный характер. В демо-версии артикулы (номера деталей) скрыты. Если вы хотите видеть полные оригинальные номера запчастей, вам необходимо зарегистрироваться на нашем сайте и приобрести подписку по интересующей вас конфигурации, после этого вы сможете встроить онлайн-каталоги на ваш сайт или пользоваться ими из личного кабинета нашего сайта. Обращаем ваше внимание на то, что каталоги содержат информацию об оригинальных заводских номерах и названиях запчастей. База по аналогам в данный момент не реализована. Поиска по VIN-номерам в онлайн-каталоге не предусмотрено. Выбор конкретного каталога осуществляется путем открытия нужного типа техники, марки, модели с учетом года выпуска или модификации.