Каталог запасных частей к технике: МТЗ-1021.3 (2010). Управление гидроподъемником
39
26
27
28
29
30
31
32
33
34
35
36
37
38
25
40
41
42
43
44
45
46
47
47
48
49
50
51
52
52
12
12
31
1
2
3
4
5
6
6
7
7
8
8
8
9
9
9
9
10
10
10
10
11
11
13
14
15
16
16
16
16
17
18
19
19
20
20
20
21
21
21
22
23
24
24
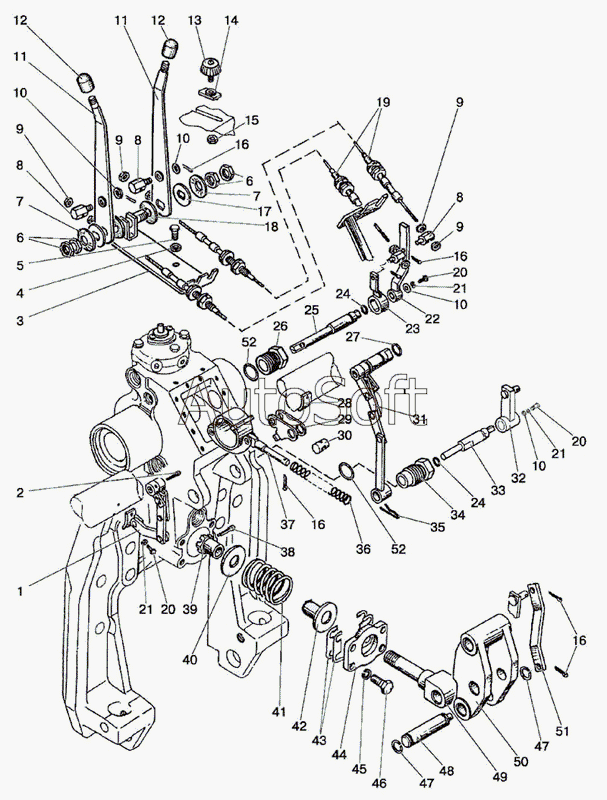
| Позиция на иллюстрации | Заводской номер детали | Название детали | |
|---|---|---|---|
| 820-4635020А | 8***А | Датчик силовой | |
| 820-4635090-Б | 8***Б | Кронштейн | |
| 1 | 8***5 | Звено | |
| 2 | 3***9 | Шплинт | |
| 3 | 8***Б | Кронштейн | |
| 4 | 8***Т | Шайба | |
| 5 | M***9 | Болт | |
| 6 | М***9 | Гайка | |
| 7 | 8***7 | Пружина тарельчатая | |
| 8 | 8***7 | Бонка | |
| 9 | М***9 | Гайка | |
| 10 | С***9 | Шайба | |
| 11 | 8***Б | Рычаг позиционный | |
| 12 | А***0 | Рукоятка | |
| 13 | 8***0 | Винт | |
| 14 | 8***2 | Упор | |
| 15 | М***9 | Гайка | |
| 16 | 3***9 | Шплинт | |
| 17 | 8***8 | Шайба | |
| 18 | 8***8 | Шайба фрикционная | |
| 19 | 2***1 | Трос | |
| 19 | M***0 | Трос | |
| 20 | М***9 | Болт | |
| 21 | 6***Т | Шайба | |
| 22 | 8***0 | Рычаг | |
| 23 | 8***5 | Рычаг | |
| 24 | 0***4 | Кольцо | |
| 25 | 8***4 | Валик | |
| 26 | 8***Б | Втулка | |
| 27 | 0***4 | Кольцо | |
| 28 | 8***6 | Скоба | |
| 29 | 8***0 | Рычаг | |
| 30 | 8***9 | Фиксатор | |
| 31 | 8***0 | Звено | |
| 31 | 8***0 | Звено суммирующее | |
| 32 | 8***Б | Рычаг | |
| 33 | 8***В | Валик | |
| 34 | 8***Б | Втулка | |
| 35 | 8***9 | Шплинт | |
| 36 | 8***3 | Пружина | |
| 37 | 8***5 | Кронштейн | |
| 38 | 4***9 | Шплинт | |
| 39 | 8***4 | Гайка | |
| 40 | 8***3 | Шайба | |
| 41 | 8***2 | Пружина | |
| 42 | 8***Б | Втулка | |
| 43 | 8***Б | Прокладка | |
| 44 | 8***Б | Крышка | |
| 45 | 1***Т | Шайба | |
| 46 | M***9 | Болт | |
| 47 | С***2 | Кольцо | |
| 48 | 8***8 | Палец | |
| 49 | 8***1 | Шток | |
| 50 | 8***9 | Серьга | |
| 51 | 8***8 | Тяга | |
| 52 | 0***4 | Кольцо |
Содержащиеся в справочниках-каталогах запасные части и детали не предлагаются к продаже, а носят исключительно информационный характер. В демо-версии артикулы (номера деталей) скрыты. Если вы хотите видеть полные оригинальные номера запчастей, вам необходимо зарегистрироваться на нашем сайте и приобрести подписку по интересующей вас конфигурации, после этого вы сможете встроить онлайн-каталоги на ваш сайт или пользоваться ими из личного кабинета нашего сайта. Обращаем ваше внимание на то, что каталоги содержат информацию об оригинальных заводских номерах и названиях запчастей. База по аналогам в данный момент не реализована. Поиска по VIN-номерам в онлайн-каталоге не предусмотрено. Выбор конкретного каталога осуществляется путем открытия нужного типа техники, марки, модели с учетом года выпуска или модификации.