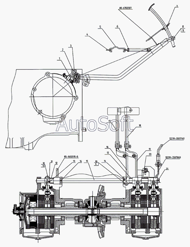
Каталог запасных частей к технике: МТЗ-1025.4 (2009). Тормоз стояночно-запасной, управление стояночно-запасным тормозом (для «мокрых» тормозов)
13
80-6702307
1221М-3507140
1221M-3507060
70-1602015
21
20
19
18
17
16
15
14
14
12
12
11
10
10
9
9
9
8
7
6
5
4
3
2
1
| Позиция на иллюстрации | Заводской номер детали | Название детали | |
|---|---|---|---|
| 1221M-3507060 | 1***0 | Рычаг | |
| 1221М-3507140 | 1***0 | Тяга | |
| 70-1602015 | 7***5 | Педаль в сборе | |
| 70-3503080 | 7***0 | Тяга тормоза | |
| 80-6702307 | 8***7 | Упор | |
| 1 | М***9 | Гайка | |
| 2 | 7***8 | Шайба | |
| 3 | 7***9 | Болт | |
| 4 | 8***6 | Кронштейн | |
| 5 | 7***5 | Удлинитель | |
| 6 | 5***2 | Пружина | |
| 7 | 8***А | Чехол | |
| 8 | M***9 | Болт | |
| 9 | 1***Т | Шайба | |
| 10 | M***9 | Болт | |
| 11 | 7***А | Рычаг | |
| 12 | 1***1 | Втулка | |
| 13 | С***1 | Шпонка | |
| 14 | 5***1 | Шайба | |
| 15 | 1***5 | Валик | |
| 16 | 8***А | Рычаг | |
| 17 | 8***0 | Педаль | |
| 18 | 8***0 | Педаль | |
| 19 | 1***0 | Рычаг | |
| 20 | 1***6 | Втулка | |
| 21 | 5***9 | Шплинт |
Содержащиеся в справочниках-каталогах запасные части и детали не предлагаются к продаже, а носят исключительно информационный характер. В демо-версии артикулы (номера деталей) скрыты. Если вы хотите видеть полные оригинальные номера запчастей, вам необходимо зарегистрироваться на нашем сайте и приобрести подписку по интересующей вас конфигурации, после этого вы сможете встроить онлайн-каталоги на ваш сайт или пользоваться ими из личного кабинета нашего сайта. Обращаем ваше внимание на то, что каталоги содержат информацию об оригинальных заводских номерах и названиях запчастей. База по аналогам в данный момент не реализована. Поиска по VIN-номерам в онлайн-каталоге не предусмотрено. Выбор конкретного каталога осуществляется путем открытия нужного типа техники, марки, модели с учетом года выпуска или модификации.