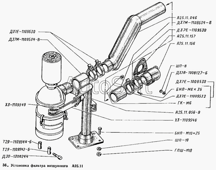
Каталог запасных частей к технике: ВТЗ Т-25А (1995). Установка фильтра воздушного
А25.11.156
ШП-8
ШП-10
Д37Е-1109530
Д37Е-1109530
Д37Е-1109530
ХЗ-1109546
Д37Е-1109532
А25.11.046
А25.11.056-В
ХЗ-1109549
А25.11.157
БНП-М10Х25
Т29-1109544-Б
Т29-1109542-Б
Д37М-1109534-В
Д37М-1109534-В
Д37А-1008127-Б
ГПШ-М10
ГК-М6
Д30-1308244
БНП-М6Х35
| Позиция на иллюстрации | Заводской номер детали | Название детали | |
|---|---|---|---|
| А25.11.046 | А***6 | Трубопровод в сборе | |
| А25.11.056-В | А***В | Стойка в сборе | |
| А25.11.156 | А***6 | Патрубок | |
| А25.11.157 | А***7 | Прокладка | |
| БНП-М10Х25 | Б***5 | Болт | |
| БНП-М6Х35 | Б***5 | Болт | |
| ГК-М6 | Г***6 | Гайка | |
| ГПШ-М10 | Г***0 | Гайка | |
| Д30-1308244 | Д***4 | Винт | |
| Д37А-1008127-Б | Д***Б | Гайка | |
| Д37Е-1109530 | Д***0 | Хомут в сборе | |
| Д37Е-1109532 | Д***2 | Хомут | |
| Д37М-1109534-В | Д***В | Муфта | |
| Т29-1109542-Б | Т***Б | Палец подвижный | |
| Т29-1109544-Б | Т***Б | Палец резьбовой | |
| ХЗ-1109546 | Х***6 | Хомут | |
| ХЗ-1109549 | Х***9 | Прокладка | |
| ШП-10 | Ш***0 | Шайба | |
| ШП-8 | Ш***8 | Шайба |
Содержащиеся в справочниках-каталогах запасные части и детали не предлагаются к продаже, а носят исключительно информационный характер. В демо-версии артикулы (номера деталей) скрыты. Если вы хотите видеть полные оригинальные номера запчастей, вам необходимо зарегистрироваться на нашем сайте и приобрести подписку по интересующей вас конфигурации, после этого вы сможете встроить онлайн-каталоги на ваш сайт или пользоваться ими из личного кабинета нашего сайта. Обращаем ваше внимание на то, что каталоги содержат информацию об оригинальных заводских номерах и названиях запчастей. База по аналогам в данный момент не реализована. Поиска по VIN-номерам в онлайн-каталоге не предусмотрено. Выбор конкретного каталога осуществляется путем открытия нужного типа техники, марки, модели с учетом года выпуска или модификации.