Каталог запасных частей к технике: РСМ Дон 1500А. Картер и крышка
27
19
20
20
21
22
23
24
25
26
26
18
28
28
29
30
31
31
31
32
32
32
33
34
34
34
35
10
2
2
2
3
4
5
6
7
8
9
1
1
11
12
13
14
15
16
17
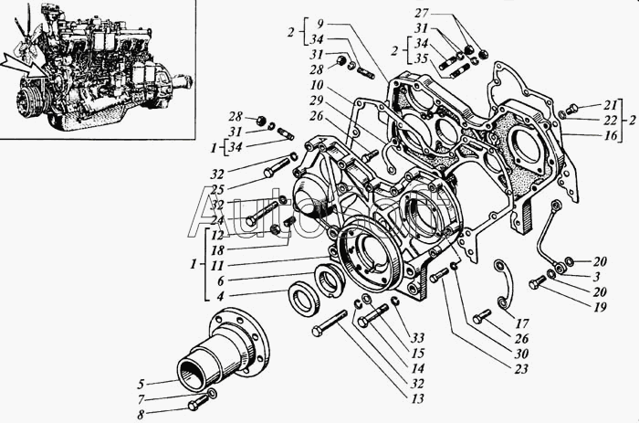
| Позиция на иллюстрации | Заводской номер детали | Название детали | |
|---|---|---|---|
| 1 | 3***6 | Крышка картера шестерен | |
| 2 | 1***1 | Картер шестерен | |
| 3 | 1***4 | Труба подвода смазки | |
| 4 | 1***8 | Манжета резиновая армированная с пружиной | |
| 5 | 3***1 | Опора | |
| 6 | 3***1 | Кольцо маслоотражательное | |
| 7 | 3***3 | Шайба | |
| 8 | 3***4 | Болт | |
| 9 | 1***1 | Картер шестерен | |
| 10 | 1***5 | Прокладка крышки | |
| 11 | 1***1 | Крышка | |
| 12 | 1***6 | Гайка | |
| 13 | С***8 | Болт | |
| 14 | С***9 | Болт | |
| 15 | С***0 | Шайба | |
| 16 | С***4 | Прокладка картера шестерен | |
| 17 | С***7 | Шайба замковая | |
| 18 | С***9 | Винт упорный | |
| 19 | С***2 | Болт зажимной | |
| 20 | С***2 | Прокладка поворотного угольника | |
| 21 | 1***7 | Пробка | |
| 22 | С***А | Прокладка | |
| 23 | М***8 | Болт | |
| 24 | М***8 | Болт | |
| 25 | 4***8 | Болт | |
| 26 | М***8 | Болт | |
| 27 | М***6 | Гайка | |
| 28 | М***6 | Гайка | |
| 29 | Ш***8 | Шайба замковая | |
| 30 | 8***5 | Шайба | |
| 31 | 1***5 | Шайба | |
| 32 | 1***5 | Шайба | |
| 33 | 1***5 | Шайба | |
| 34 | М***8 | Шпилька | |
| 35 | М***8 | Шпилька |
Содержащиеся в справочниках-каталогах запасные части и детали не предлагаются к продаже, а носят исключительно информационный характер. В демо-версии артикулы (номера деталей) скрыты. Если вы хотите видеть полные оригинальные номера запчастей, вам необходимо зарегистрироваться на нашем сайте и приобрести подписку по интересующей вас конфигурации, после этого вы сможете встроить онлайн-каталоги на ваш сайт или пользоваться ими из личного кабинета нашего сайта. Обращаем ваше внимание на то, что каталоги содержат информацию об оригинальных заводских номерах и названиях запчастей. База по аналогам в данный момент не реализована. Поиска по VIN-номерам в онлайн-каталоге не предусмотрено. Выбор конкретного каталога осуществляется путем открытия нужного типа техники, марки, модели с учетом года выпуска или модификации.