Каталог запасных частей к технике: РСМ Дон 1500А. Контрпривод (в измельчитель)
28
20
21
22
23
24
24
25
26
27
19
29
30
31
32
33
34
35
36
37
11
2
3
4
5
6
7
8
9
10
1
12
13
14
15
15
16
17
18
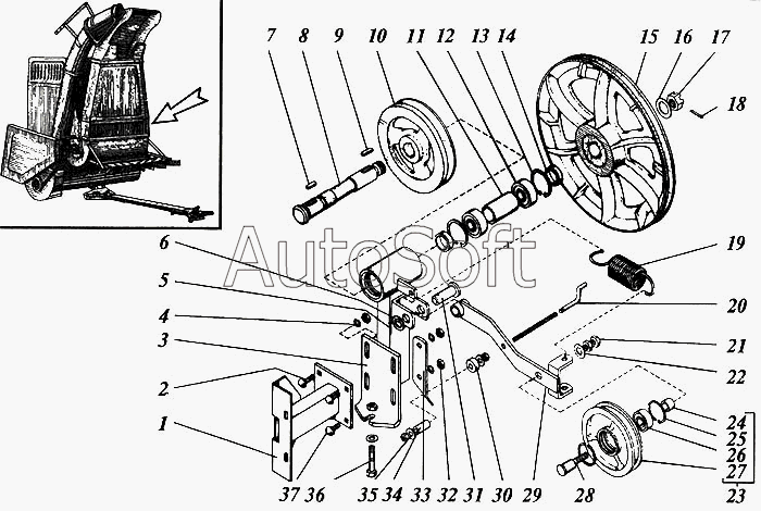
| Позиция на иллюстрации | Заводской номер детали | Название детали | |
|---|---|---|---|
| 1 | Р***А | Кронштейн | |
| 2 | М***9 | Болт | |
| 3 | Р***А | Опора | |
| 4 | 1***9 | Шайба | |
| 5 | 5***9 | Шплинт | |
| 6 | С***9 | Шайба | |
| 7 | 3***2 | Шпонка | |
| 8 | Р***В | Ось | |
| 9 | 3***2 | Шпонка | |
| 10 | Р***А | Шкив диаметр 200 или РСМ-10.14.01.100Б или РСМ-10.14.01.170А | |
| 11 | Р***Б | Втулка | |
| 12 | 1***7 | Подшипник или 180306АКС17 | |
| 13 | С***2 | Кольцо | |
| 14 | Р***4 | Втулка (для комбайнов с копнителем) | |
| 15 | Р***Г | Шкив или РСМ-10.14.28.150 | |
| 15 | Р***0 | Шкив или РСМ-10.14.28.120Г | |
| 16 | С***9 | Шайба | |
| 17 | М***9 | Гайка | |
| 18 | 5***9 | Шплинт | |
| 19 | Р***А | Пружина | |
| 20 | Р***4 | Рычаг | |
| 21 | М***9 | Гайка | |
| 22 | 1***9 | Шайба | |
| 23 | Р***А | Ролик | |
| 24 | Н***А | Втулка или РСМ-10.01.00.003-03 | |
| 24 | Р***3 | Втулка или РСМ-10.01.30.802Б | |
| 25 | С***7 | Кольцо ГОСТ 13943-86 | |
| 26 | 1***7 | Подшипник или 180204С17 | |
| 27 | Р***А | Ролик или подшипник 180204 К10С27 | |
| 28 | Н***А | Ось | |
| 29 | Р***А | Рычаг | |
| 30 | Р***5 | Кольцо (для комбайнов с измельчителем) | |
| 31 | 6***р | Ось | |
| 32 | М***9 | Гайка | |
| 33 | Р***4 | Кронштейн | |
| 34 | Р***1 | Втулка | |
| 35 | С***9 | Шайба | |
| 36 | М***9 | Болт | |
| 37 | М***9 | Болт |
Содержащиеся в справочниках-каталогах запасные части и детали не предлагаются к продаже, а носят исключительно информационный характер. В демо-версии артикулы (номера деталей) скрыты. Если вы хотите видеть полные оригинальные номера запчастей, вам необходимо зарегистрироваться на нашем сайте и приобрести подписку по интересующей вас конфигурации, после этого вы сможете встроить онлайн-каталоги на ваш сайт или пользоваться ими из личного кабинета нашего сайта. Обращаем ваше внимание на то, что каталоги содержат информацию об оригинальных заводских номерах и названиях запчастей. База по аналогам в данный момент не реализована. Поиска по VIN-номерам в онлайн-каталоге не предусмотрено. Выбор конкретного каталога осуществляется путем открытия нужного типа техники, марки, модели с учетом года выпуска или модификации.