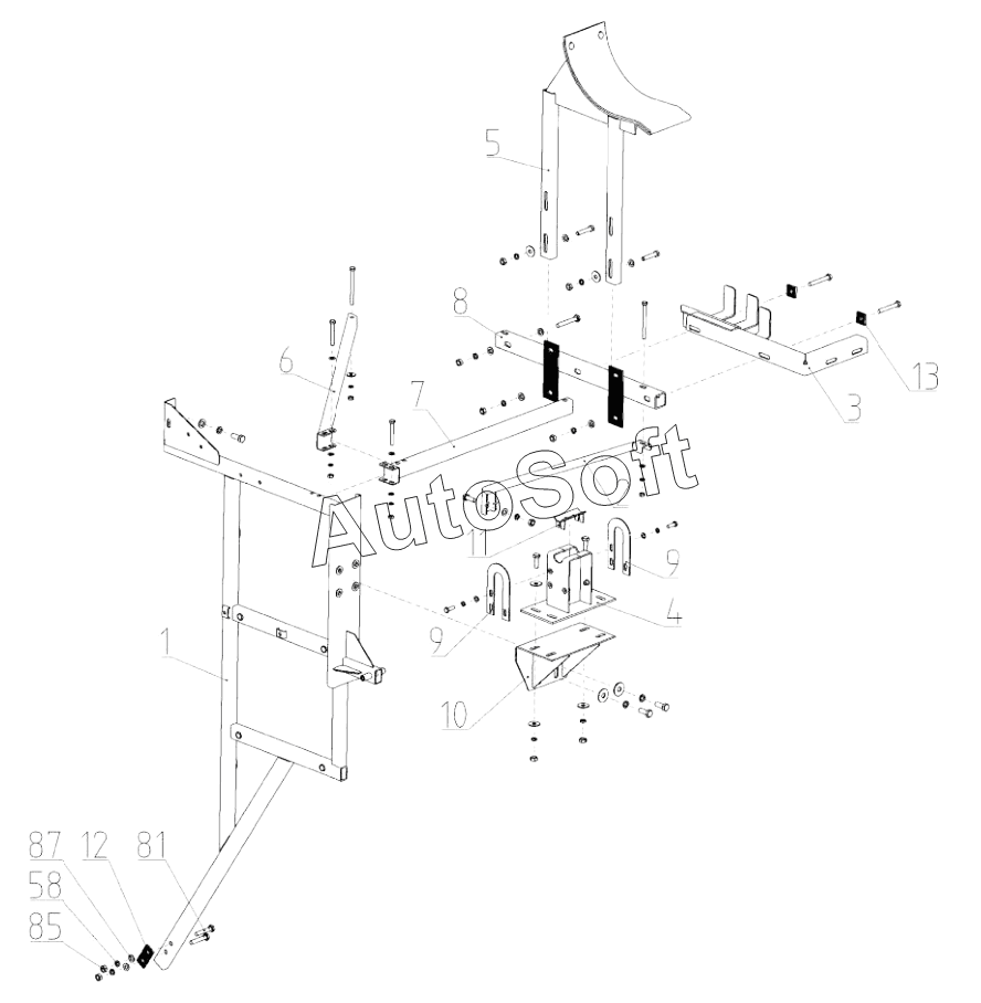
Каталог запасных частей к технике: РСМ-142 (Acros-550) (2020). Кронштейны навески ресивера (ACROS-550.30.05.000Ф)
9
9
87
85
81
58
13
12
11
10
1
8
7
6
5
4
3
2
| Позиция на иллюстрации | Заводской номер детали | Название детали | |
|---|---|---|---|
| 1 | 1***0 | Ферма | |
| 2 | 1***1 | Раскос | |
| 3 | 1***0 | Кронштейн | |
| 4 | 1***0 | Кронштейн | |
| 5 | 1***0 | Ложемент | |
| 6 | 1***0 | Опора | |
| 7 | 1***0 | Опора | |
| 8 | 1***0 | Опора | |
| 9 | 1***4 | Пластина | |
| 10 | 1***0 | Кронштейн | |
| 11 | 1***1 | Вкладыш | |
| 12 | Р***1 | Шайба | |
| 13 | Р***1 | Шайба | |
| 58 | 1***9 | Шайба | |
| 81 | D***h | Болт с шестигранной головкой | |
| 85 | D***h | Гайка шестигранная | |
| 87 | D***h | Шайба |
Содержащиеся в справочниках-каталогах запасные части и детали не предлагаются к продаже, а носят исключительно информационный характер. В демо-версии артикулы (номера деталей) скрыты. Если вы хотите видеть полные оригинальные номера запчастей, вам необходимо зарегистрироваться на нашем сайте и приобрести подписку по интересующей вас конфигурации, после этого вы сможете встроить онлайн-каталоги на ваш сайт или пользоваться ими из личного кабинета нашего сайта. Обращаем ваше внимание на то, что каталоги содержат информацию об оригинальных заводских номерах и названиях запчастей. База по аналогам в данный момент не реализована. Поиска по VIN-номерам в онлайн-каталоге не предусмотрено. Выбор конкретного каталога осуществляется путем открытия нужного типа техники, марки, модели с учетом года выпуска или модификации.