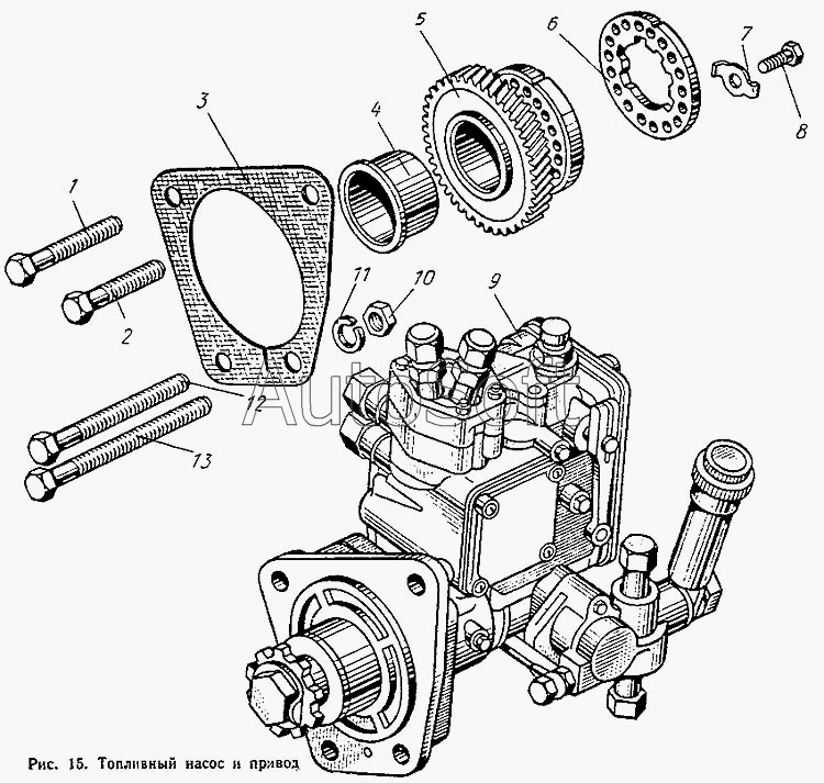
Каталог запасных частей к технике: ХЗТСШ Т-16М (1991). Топливный насос и привод
1
2
3
4
5
6
7
8
9
10
11
12
13
| Позиция на иллюстрации | Заводской номер детали | Название детали | |
|---|---|---|---|
| Д30-1111170 | Д***0 | Шайба привода топливного насоса в сборе | |
| 1 | Б***5 | Болт | |
| 2 | Б***5 | Болт | |
| 3 | Д***6 | Прокладка | |
| 4 | Д***4 | Втулка шестерни привода топливного насоса | |
| 5 | Д***2 | Шестерня привода топливного насоса | |
| 6 | Д***7 | Фланец шестерни насоса шлицевой | |
| 7 | Д***9 | Шайба стопорная | |
| 8 | Б***0 | Болт | |
| 9 | Д***1 | Насос топливный | |
| 10 | Г***0 | Гайка | |
| 11 | Ш***Н | Шайба пружинная | |
| 12 | Б***0 | Болт | |
| 13 | Б***0 | Болт |
Содержащиеся в справочниках-каталогах запасные части и детали не предлагаются к продаже, а носят исключительно информационный характер. В демо-версии артикулы (номера деталей) скрыты. Если вы хотите видеть полные оригинальные номера запчастей, вам необходимо зарегистрироваться на нашем сайте и приобрести подписку по интересующей вас конфигурации, после этого вы сможете встроить онлайн-каталоги на ваш сайт или пользоваться ими из личного кабинета нашего сайта. Обращаем ваше внимание на то, что каталоги содержат информацию об оригинальных заводских номерах и названиях запчастей. База по аналогам в данный момент не реализована. Поиска по VIN-номерам в онлайн-каталоге не предусмотрено. Выбор конкретного каталога осуществляется путем открытия нужного типа техники, марки, модели с учетом года выпуска или модификации.