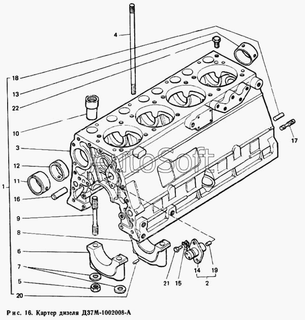
Каталог запасных частей к технике: ЛТЗ Т-40М. Картер дизеля Д37М-1002008-А
11
22
21
20
19
18
17
16
15
14
13
12
10
9
8
7
6
5
4
3
2
1
| Позиция на иллюстрации | Заводской номер детали | Название детали | |
|---|---|---|---|
| Д37М-1002008-А | Д***А | Картер дизеля | |
| Д37М-1002008-А | Д***А | Картер дизеля | |
| 1 | Д***А | Картер дизеля | |
| 2 | Д***0 | Палец паразитной шестерни | |
| 3 | Д***2 | Картер дизеля | |
| 4 | Д***2 | Шпилька анкерная | |
| 5 | Д***9 | Гайка | |
| 6 | Д***А | Крышка 1-, 2-, 4-, 5-го коренных подшипников | |
| 7 | Д***3 | Шайба | |
| 8 | Д***1 | Крышка 3-го коренного подшипника | |
| 9 | Д***А | Шпилька крышек коренных подшипников | |
| 10 | Д***5 | Втулка толкателя | |
| 11 | Д***А | Втулка распределительного вала передняя | |
| 12 | Д***А | Втулка распределительного вала средняя | |
| 13 | Д***8 | Втулка распределительного вала задняя | |
| 14 | Д***5 | Палец паразитной шестерни | |
| 15 | Д***6 | Шайба стопорная | |
| 16 | Д***4 | Штифт | |
| 17 | Д***4 | Шпилька | |
| 18 | Д***9 | Штифт установочный | |
| 19 | Д***8 | Пробка | |
| 20 | Д***А | Штифт ведущий | |
| 21 | 4***6 | Болт 4М8-6gх20.88.35.019 ГОСТ 7796-70 | |
| 22 | 4***1 | Пробка КГ 1/8" ОСТ 23.1.117-83 |
Содержащиеся в справочниках-каталогах запасные части и детали не предлагаются к продаже, а носят исключительно информационный характер. В демо-версии артикулы (номера деталей) скрыты. Если вы хотите видеть полные оригинальные номера запчастей, вам необходимо зарегистрироваться на нашем сайте и приобрести подписку по интересующей вас конфигурации, после этого вы сможете встроить онлайн-каталоги на ваш сайт или пользоваться ими из личного кабинета нашего сайта. Обращаем ваше внимание на то, что каталоги содержат информацию об оригинальных заводских номерах и названиях запчастей. База по аналогам в данный момент не реализована. Поиска по VIN-номерам в онлайн-каталоге не предусмотрено. Выбор конкретного каталога осуществляется путем открытия нужного типа техники, марки, модели с учетом года выпуска или модификации.