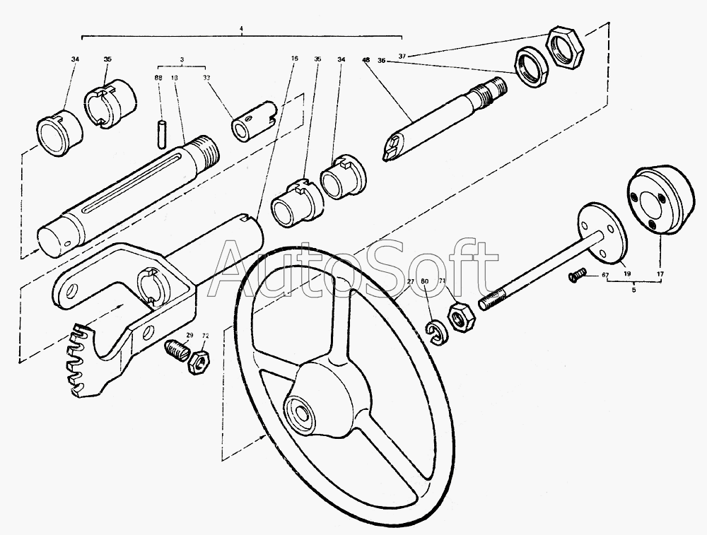
Каталог запасных частей к технике: ЛТЗ-55 (2003). Колонка рулевая
34
34
29
88
80
72
71
67
48
37
36
35
35
Т40М1-3401400
33
27
19
18
17
16
5
4
3
| Позиция на иллюстрации | Заводской номер детали | Название детали | |
|---|---|---|---|
| Т40М1-3401400 | Т***0 | Колонка рулевая (гидромеханическая) | |
| 3 | Т***0 | Вал | |
| 4 | Т***0 | Стойка | |
| 5 | Т***0 | Зажим | |
| 16 | Т***0 | Труба | |
| 17 | Т***5 | Головка | |
| 18 | Т***0 | Вал | |
| 19 | Т***0 | Пластина со стержнем | |
| 27 | 6***2 | Колесо рулевого управления | |
| 29 | Т***1 | Ось | |
| 33 | Т***4 | Хвостовик вала | |
| 34 | Т***6 | Втулка | |
| 35 | 7***Б | Амортизатор | |
| 36 | Т***8 | Гайка | |
| 37 | Т***9 | Контргайка | |
| 48 | Т***4 | Вал рулевой | |
| 67 | В***9 | Винт | |
| 71 | М***9 | Гайка | |
| 72 | М***9 | Гайка | |
| 80 | 1***6 | Шайба | |
| 88 | 2***6 | Штифт |
Содержащиеся в справочниках-каталогах запасные части и детали не предлагаются к продаже, а носят исключительно информационный характер. В демо-версии артикулы (номера деталей) скрыты. Если вы хотите видеть полные оригинальные номера запчастей, вам необходимо зарегистрироваться на нашем сайте и приобрести подписку по интересующей вас конфигурации, после этого вы сможете встроить онлайн-каталоги на ваш сайт или пользоваться ими из личного кабинета нашего сайта. Обращаем ваше внимание на то, что каталоги содержат информацию об оригинальных заводских номерах и названиях запчастей. База по аналогам в данный момент не реализована. Поиска по VIN-номерам в онлайн-каталоге не предусмотрено. Выбор конкретного каталога осуществляется путем открытия нужного типа техники, марки, модели с учетом года выпуска или модификации.