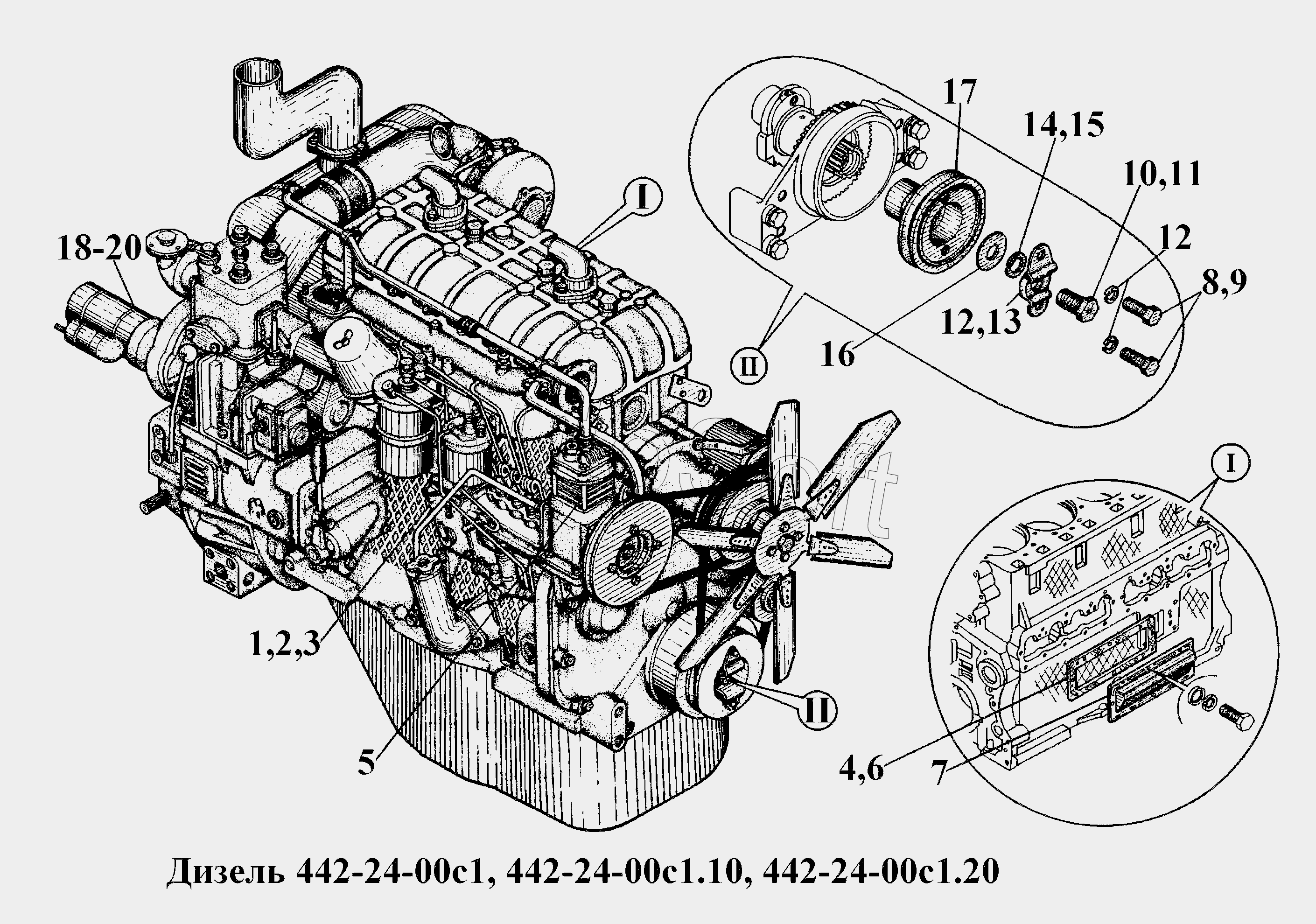
Каталог запасных частей к технике: ВгТЗ ВТ-100Д (2015). Дизель 442-24-00с1, 442-24-00с1.10, 442-24-00с1.20 (3)
11
20
18
17
16
15
14
13
12
12
1
10
9
8
7
6
5
4
3
2
| Позиция на иллюстрации | Заводской номер детали | Название детали | |
|---|---|---|---|
| 1 | 4***1 | Система дизеля топливная | |
| 2 | 4***0 | Система дизеля топливная | |
| 3 | 4***0 | Система дизеля топливная | |
| 4 | 4***1 | Прокладка | |
| 5 | 4***0 | Установка компрессора | |
| 6 | 4***0 | Прокладка крышки | |
| 7 | 4***1 | Крышка боковая левая | |
| 8 | М***3 | Болт | |
| 9 | М***9 | Болт | |
| 10 | 6***1 | Болт | |
| 11 | 6***1 | Болт | |
| 12 | 0***А | Храповик | |
| 13 | 0***1 | Храповик | |
| 14 | 2***5 | Шайба ГОСТ6402-70 | |
| 15 | 2***2 | Шайба | |
| 16 | 6***1 | Шайба поджимная | |
| 17 | 0***3 | Шкив коленчатого вала | |
| 18 | 4***1 | Пусковое устройство | |
| 19 | 4***0 | Пусковое устройство | |
| 20 | 4***0 | Пусковое устройство |
Содержащиеся в справочниках-каталогах запасные части и детали не предлагаются к продаже, а носят исключительно информационный характер. В демо-версии артикулы (номера деталей) скрыты. Если вы хотите видеть полные оригинальные номера запчастей, вам необходимо зарегистрироваться на нашем сайте и приобрести подписку по интересующей вас конфигурации, после этого вы сможете встроить онлайн-каталоги на ваш сайт или пользоваться ими из личного кабинета нашего сайта. Обращаем ваше внимание на то, что каталоги содержат информацию об оригинальных заводских номерах и названиях запчастей. База по аналогам в данный момент не реализована. Поиска по VIN-номерам в онлайн-каталоге не предусмотрено. Выбор конкретного каталога осуществляется путем открытия нужного типа техники, марки, модели с учетом года выпуска или модификации.