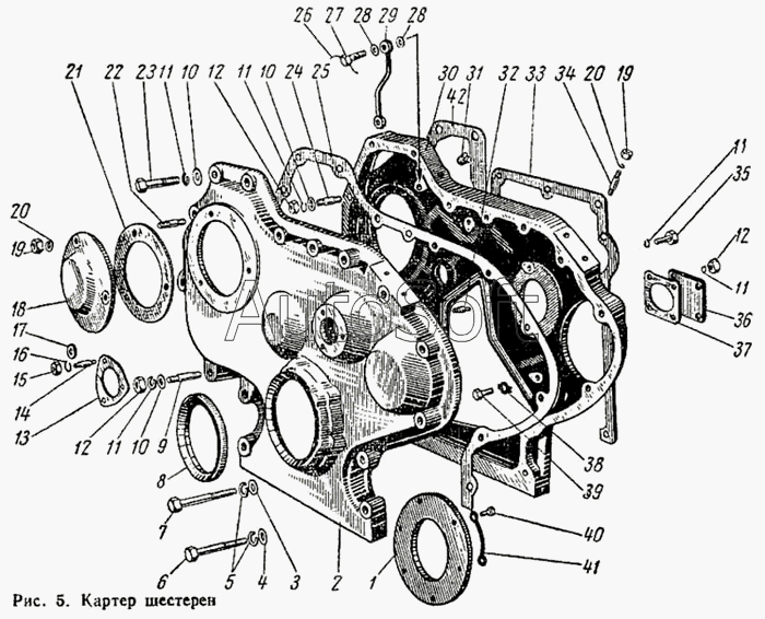
Каталог запасных частей к технике: ВгТЗ ДТ-75М (1996). Картер шестерен
30
20
20
21
22
23
24
25
26
27
28
28
29
19
19
31
32
33
34
35
38
39
40
41
42
9
1
2
3
4
5
6
7
8
10
10
10
11
11
11
11
11
12
12
12
13
14
15
16
17
18
| Позиция на иллюстрации | Заводской номер детали | Название детали | |
|---|---|---|---|
| 41-02с1-3 | 4***3 | Картер шестерен с крышкой в сборе | |
| 41-02с2-3 | 4***3 | Картер шестерен в сборе | |
| 41-02с3 | 4***3 | Крышка картера шестерен в сборе | |
| 1 | 6***8 | Кольцо маслоотражательное | |
| 2 | 0***2 | Крышка картера шестерен | |
| 3 | 6***9 | Шайба | |
| 4 | Ш***6 | Шайба 13Х24Х2 Н495-66 | |
| 5 | Ш***1 | Шайба пружинная 12Н, ГОСТ 6402-61 | |
| 6 | Б***2 | Болт М12Х85 кл. 2-015, ГОСТ 7795-62 | |
| 7 | Б***2 | Болт М12Х100 кл. 2-015, ГОСТ 7795-62 | |
| 8 | М***6 | Манжета Н-75 Н536-66 | |
| 9 | Ш***6 | Шпилька М10Х45 Н478-66 | |
| 10 | Ш***6 | Шайба 11Х20Х2 Н495-66 | |
| 11 | Ш***1 | Шайба пружинная 10Н, ГОСТ 6402-61 | |
| 12 | Г***2 | Гайка М10 кл. 2-055, ГОСТ 2524-62 | |
| 13 | 0***7 | Прокладка | |
| 14 | 0***8 | Шпилька специальная | |
| 15 | Г***2 | Гайка М6 кл. 2-055, ГОСТ 5915-62 | |
| 16 | Ш***1 | Шайба пружинная 6Н, ГОСТ 6402-61 | |
| 17 | Ш***5 | Шайба 6-015, ГОСТ 11371-65 | |
| 18 | 4***2 | Крышка | |
| 19 | Г***2 | Гайка М8 кл. 2-055, ГОСТ 2524-62 | |
| 20 | Ш***1 | Шайба пружинная 8Н, ГОСТ 6402-61 | |
| 21 | 0***2 | Прокладка | |
| 22 | Ш***6 | Шпилька М8Х18 Н477-66 | |
| 23 | Б***2 | Болт М10Х70 кл. 2-015, ГОСТ 7795-62 | |
| 24 | Ш***6 | Шпилька М10Х32 Н478-66 | |
| 25 | 6***5 | Прокладка крышки | |
| 26 | П***6 | Проволока 0 1,2Х115, ГОСТ 3282-46 | |
| 27 | С***2 | Болт зажимной | |
| 28 | С***2 | Прокладка поворотного угольника | |
| 29 | 4***1 | Трубка подвода масла в сборе | |
| 30 | 4***1 | Картер шестерен | |
| 31 | П***7 | Пробка КГ-1/8", ГОСТ 12721-67 | |
| 32 | Ш***6 | Шпилька М10Х25 Н478-66 | |
| 33 | 0***4 | Прокладка картера маховика | |
| 34 | Ш***6 | Шпилька М8Х18 Н478-66 | |
| 35 | Б***2 | Болт М10Х30 кл. 2-015, ГОСТ 7796-62 | |
| 38 | 0***3 | Шайба стопорная | |
| 39 | Б***2 | Болт М12Х30 кл. 2-015, ГОСТ 7796-62 | |
| 40 | Б***2 | Болт М6Х14 кл. 2-015, ГОСТ 7798-62 | |
| 41 | 6***4 | Шайба замковая | |
| 42 | 4***0 | Прокладка топливного насоса |
Содержащиеся в справочниках-каталогах запасные части и детали не предлагаются к продаже, а носят исключительно информационный характер. В демо-версии артикулы (номера деталей) скрыты. Если вы хотите видеть полные оригинальные номера запчастей, вам необходимо зарегистрироваться на нашем сайте и приобрести подписку по интересующей вас конфигурации, после этого вы сможете встроить онлайн-каталоги на ваш сайт или пользоваться ими из личного кабинета нашего сайта. Обращаем ваше внимание на то, что каталоги содержат информацию об оригинальных заводских номерах и названиях запчастей. База по аналогам в данный момент не реализована. Поиска по VIN-номерам в онлайн-каталоге не предусмотрено. Выбор конкретного каталога осуществляется путем открытия нужного типа техники, марки, модели с учетом года выпуска или модификации.