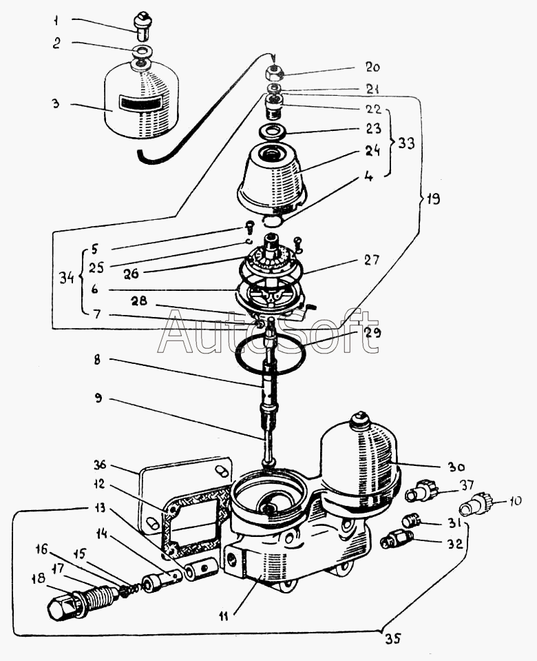
Каталог запасных частей к технике: ВгТЗ ДТ-75МВ (2002). Маслоочиститель полнопоточный центробежный
| Позиция на иллюстрации | Заводской номер детали | Название детали | |
|---|---|---|---|
| 03-10С14 | 0***4 | Центрифуга в сборе | |
| 03-10С2А | 0***А | Центрифуга в сборе | |
| 3 | 0***1 | Колпак с табличкой | |
| 6 | 1***Г | Остов ротора | |
| 8 | 1***А | Ось ротора | |
| 9 | 0***А | Трубка маслоотводящая | |
| 11 | 0***Б | Корпус | |
| 12 | 6***9 | Прокладка | |
| 13 | 0***1 | Стакан | |
| 14 | 0***1 | Клапан | |
| 17 | 0***2 | Болт | |
| 19 | 1***Б | Ротор в сборе | |
| 21 | 1***А | Шайба упорная | |
| 22 | 1***1 | Гайка ротора | |
| 24 | 1***1 | Крышка ротора | |
| 26 | 1***Б | Маслоотражатель | |
| 30 | 1***Д | Колпак | |
| 32 | 0***4 | Штуцер | |
| 33 | 1***Б | Крышка ротора | |
| 34 | 1***Б | Остов ротора | |
| 35 | 0***А | Корпус в сборе |
Содержащиеся в справочниках-каталогах запасные части и детали не предлагаются к продаже, а носят исключительно информационный характер. В демо-версии артикулы (номера деталей) скрыты. Если вы хотите видеть полные оригинальные номера запчастей, вам необходимо зарегистрироваться на нашем сайте и приобрести подписку по интересующей вас конфигурации, после этого вы сможете встроить онлайн-каталоги на ваш сайт или пользоваться ими из личного кабинета нашего сайта. Обращаем ваше внимание на то, что каталоги содержат информацию об оригинальных заводских номерах и названиях запчастей. База по аналогам в данный момент не реализована. Поиска по VIN-номерам в онлайн-каталоге не предусмотрено. Выбор конкретного каталога осуществляется путем открытия нужного типа техники, марки, модели с учетом года выпуска или модификации.